Aerogenerador

1. Suelo
2. Conexión a la red eléctrica (Celda de Media Tensión (MT))
3. Torre
4. Escalera de acceso
5. Sistema de orientación (Sistema Yaw)
6. Góndola (Nacelle)
7. Generador
8. Anemómetro y Veleta
9. Acoplamiento Flexible
10. Tren de potencia
11. Pala
12. Buje (Sistema Pich)
13. Cono
Un aerogenerador, es un generador eléctrico que funciona convirtiendo la energía cinética del viento en energía mecánica a través de una hélice en energía eléctrica gracias a un alternador (generador de corriente eléctrica alterna).[1][2] Sus precedentes directos son los molinos de viento que se emplean para la extracción de agua de pozos. En este caso, la energía eólica (en realidad, la energía cinética del aire en movimiento) proporciona energía mecánica a un rotor de hélice que, a través de un sistema de transmisión mecánico, hace girar un generador, normalmente un alternador trifásico, que convierte la energía mecánica rotacional en energía eléctrica. A menudo, se suelen utilizar los términos «aeroturbina» o «turbina eólica» como sinónimos de aerogenerador. No obstante, es preferible emplear el término aerogenerador cuando se habla de generación eléctrica, ya que las aeroturbinas o turbinas eólicas no necesariamente se utilizan para este propósito. El término «aeroturbina» también se puede utilizar para referirse específicamente a la estructura y equipamiento mecánico del aerogenerador, sin tener en cuenta el generador y la aparementa eléctrica.
Existen diferentes tipos de aerogeneradores, dependiendo de su potencia, la disposición del eje de rotación, el tipo de generador, etc.
Los aerogeneradores pueden trabajar de manera aislada o agrupados en parques eólicos o plantas de generación eólica, distanciados unos de otros, en función del impacto ambiental y de las turbulencias generadas por el movimiento de las palas.
Para aportar energía a la red eléctrica, los aerogeneradores deben estar dotados de un sistema de sincronización para que la frecuencia de la corriente generada se mantenga perfectamente sincronizada con la frecuencia de la red.
El rango de velocidad de viento necesario para la producción de electricidad y un funcionamiento seguro del aerogenerador, se sitúa entre los 3m/s y los 19,8 m/s. Si la velocidad del viento es inferior a los 3 m/s el aerogenerador no genera energía eléctrica. Si la velocidad del viento es superior a su velocidad de corte y las palas del aerogenerador giran demasiado rápido, se detiene para evitar accidentes y daños en sus componentes.[3]
Ya durante la primera mitad del siglo XX, la generación de energía eléctrica con rotores eólicos fue bastante popular en casas aisladas situadas en zonas rurales.
La energía eólica se está volviendo más popular en la actualidad, al haber demostrado la viabilidad industrial, y nació como búsqueda de una diversificación en el abanico de generación eléctrica ante un crecimiento de la demanda y una situación geopolítica cada vez más complicada en el ámbito de los combustibles tradicionales.
Energía eólica
.jpg)


La energía eólica es aquella que se genera gracias a la energía cinética producida por las masas de aire en movimiento. Esta energía, que sigue en proceso de desarrollo, nace como respuesta a una mayor demanda del consumo energético, la necesidad de garantizar la continuidad del suministro en zonas importadoras netas de recursos energéticos y de la búsqueda de la sostenibilidad en el uso de los recursos.
En general las mejores zonas de vientos se encuentran en la costa debido a las corrientes térmicas entre el mar y la tierra, las grandes llanuras continentales, por razones parecidas, y las zonas montañosas, donde se producen efectos de aceleración local.
Aerogeneradores de eje horizontal



.jpg)
Son aquellos en los que el eje de rotación del equipo se encuentra paralelo al suelo. Esta es la tecnología que se ha impuesto, por su eficiencia y confiabilidad y la capacidad de adaptarse a diferentes potencias.
Las partes principales de un aerogenerador de eje horizontal son:
- Rotor: las palas del motor, construidas principalmente con materiales compuestos, se diseñan para transformar la energía cinética del viento en un momento torsor en el eje del equipo. Los rotores modernos pueden llegar a tener un diámetro de 42 a 80 metros y producir potencias equivalentes de varios MW. La velocidad de rotación está normalmente limitada por la velocidad de punta de pala, cuyo límite actual se establece por criterios acústicos.
- góndola o nacelle: sirve de alojamiento para los elementos mecánicos y eléctricos (multiplicadora, generador, armarios de control, etc.) del aerogenerador.
- Caja de engranajes o multiplicadora: puede estar presente o no dependiendo del modelo. Transforman la baja velocidad del eje del rotor en alta velocidad de rotación en el eje del generador eléctrico.
- Generador: existen diferentes tipos dependiendo del diseño del aerogenerador. Pueden ser síncronos o asíncronos, jaula de ardilla o doblemente alimentados, con excitación o con imanes permanentes. Lo podemos definir como la parte del aerogenerador que convierte la energía en electricidad.
- La torre: sitúa el generador a una mayor altura, donde los vientos son de mayor intensidad, así como para permitir el giro de las aspas, y transmite las cargas del equipo al suelo.
- Sistema de control: se hace cargo del funcionamiento seguro y eficiente del equipo, controla la orientación de la góndola, la posición de las palas y la potencia total entregada por el equipo.
- Cimientos: soportan el peso estructural del generador y transmiten al suelo las cargas de viento tanto verticales como horizontales. En función del tipo de suelo sobre el que se levanta el aerogenerador, los cimientos pueden ser de hormigón armado reforzado con acero, pilotes o zapatas extendidas.
Todos los aerogeneradores de eje horizontal tienen su eje de rotación principal en la parte superior de la torre, que tiene que orientarse hacia el viento de alguna manera. Los aerogeneradores pequeños se orientan mediante una veleta, mientras que los más grandes utilizan un sensor de dirección y se orientan por servomotores o motorreductores.
Existen dos tipologías principales de generadores eléctricos: con y sin caja multiplicadora. Los primeros funcionan a velocidades del orden de 1000-2000 rpm. Dado que la velocidad de rotación de las aspas es baja (entre 8 y 30 rpm), requieren el uso de una caja multiplicadora para conseguir una velocidad de rotación adecuada. Los aerogeneradores que no precisan multiplicadora se conocen como direct-drive y sus generadores se llaman habitualmente multipolo, ya que para conseguir una frecuencia elevada con una baja velocidad de giro tienen más de una decena de polos.
En la mayoría de los casos la velocidad de giro del generador está relacionada con la frecuencia de la red eléctrica a la que se vierte la energía generada (50 o 60 Hz).
En general, las palas están emplazadas de tal manera que el viento, en su dirección de flujo, las encuentre antes que a la torre (rotor a barlovento). Esto disminuye las cargas adicionales que genera la turbulencia de la torre en el caso en que el rotor se ubique detrás de la misma (rotor a sotavento). Las palas se montan a una distancia razonable de la torre y tienen alta rigidez, de tal manera que al rotar y vibrar naturalmente no choquen con la torre en caso de vientos fuertes. El rotor suele estar inclinado entre 4 y 6 grados para evitar el impacto de las palas con la torre.
A pesar de la desventaja en el incremento de la turbulencia, se han construido aerogeneradores con el rotor localizado en la parte posterior de la torre, debido a que se orientan en contra del viento de manera natural, sin necesidad de usar un mecanismo de control. Sin embargo, la experiencia ha demostrado la necesidad de un sistema de orientación para orientar la máquina hacia el viento. Este tipo de montaje se justifica debido a la gran influencia que tiene la turbulencia en el desgaste de las aspas por fatiga. La mayoría de los aerogeneradores actuales son de este último modelo.
Potencia eólica
La energía cinética del aire (E) depende del cuadrado de la velocidad del aire () y de su densidad ():
- , en julios por cada metro cúbico de aire.
La potencia (), en vatios por unidad de superficie, se puede expresar como:
Por tanto, la potencia eólica a la que estará expuesta una turbina se determina multiplicando la anterior expresión por el área de barrido de la turbina, que es el círculo que abarcan las aspas.[5] Por ejemplo, el área de barrido de una aeroturbina con un rotor de 82 metros de diámetro será de 5281 m².
Sin embargo, no toda la potencia del aire puede ser aprovechada por el aerogenerador. El límite de potencia que puede ser extraído está dado por el límite que estableció el físico Albert Betz. Este límite, que lleva su nombre, se deriva de la conservación de la masa y del momento de inercia del flujo de aire. El límite de Betz indica que una aeroturbina no puede aprovechar más de un 59,3 % de la energía cinética del viento. El número (0.593) se le conoce como el coeficiente de Betz. Por ejemplo, si una aeroturbina de 82 metros de diámetro estuviera expuesta a un viento de 15 m/s con una densidad del aire de 1,28 kg/m³ podría extraer, suponiendo un viento perfecto (sin turbulencias) y un rendimiento perfecto, hasta 6,76 MW de energía eléctrica.
Los aerogeneradores modernos obtienen entre un 75 y un 80 % del límite de Betz.[6] Uno de los factores que más influye en que no se alcance el 100 % del límite de Betz es la rugosidad del suelo. Dicha rugosidad se ve influida por la presencia de vegetación o edificaciones en el suelo, que disminuyen la velocidad del viento y aumentan las turbulencias del aire. Por ello, una mayor altura del rotor y la instalación en el mar («eólica marina») contribuyen a un mejor aprovechamiento de la energía del aire.
Control de potencia
En general, los aerogeneradores modernos de eje horizontal se diseñan para trabajar con velocidades del viento que varían entre 3 y 25 m/s de promedio. La primera es la llamada velocidad de conexión y la segunda la velocidad de corte. Básicamente, el aerogenerador comienza produciendo energía eléctrica cuando la velocidad del viento supera la velocidad de conexión y, a medida que la velocidad del viento aumenta, la potencia generada es mayor, siguiendo la llamada curva de potencia.
Las aspas disponen de un sistema de control de forma que su ángulo de ataque varía en función de la velocidad del viento. Esto permite controlar la velocidad de rotación para conseguir una velocidad de rotación fija con distintas condiciones de viento.
Asimismo, es necesario un sistema de control de las velocidades de rotación para que, en caso de vientos excesivamente fuertes, que podrían poner en peligro la instalación, haga girar el rotor de tal forma que las palas presenten la mínima oposición al viento, con lo que la máquina se detendría.
Para aerogeneradores de gran potencia, algunos tipos de sistemas pasivos, utilizan características aerodinámicas de las aspas que hacen que aún en condiciones de vientos muy fuertes el rotor se detenga. Esto se debe a que él mismo entra en un régimen llamado "pérdida aerodinámica".
Impacto sobre el medio
Este tipo de generadores se ha popularizado rápidamente al ser considerados una fuente limpia de energía, ya que no requieren, para la producción de energía, una combustión que produzca residuos contaminantes o gases implicados en el efecto invernadero. Sin embargo, su uso no está exento de impacto ambiental. Su localización —frecuentemente lugares apartados de elevado valor ecológico, como las cumbres montañosas, que por no encontrarse habitadas conservan su riqueza paisajística y faunística— puede provocar efectos perniciosos, como el impacto visual en la línea del horizonte, la gran superficie que ocupan debido a la separación necesaria entre ellos —entre tres[7] y diez[8] diámetros de rotor— o el intenso ruido generado por las palas, además de los efectos causados por las infraestructuras que es necesario construir para el transporte de la energía eléctrica hasta los puntos de consumo. Pese a que se investiga para minimizarlos, se siguen produciendo muertes de aves por su causa,[9] además de que se ven afectadas las poblaciones de quirópteros.[10] En algunas centrales eólicas, mueren cada año cerca de 14 aves y 40 murciélagos por cada MW instalado.[11] Más recientemente, se ha propuesto la posibilidad de que su uso generalizado podría incluso contribuir al calentamiento global al bloquear las corrientes de aire.[12]
Por otro lado, teniendo en cuenta los gases de efecto invernadero que sí se producen por las tareas derivadas de construcción, transporte y mantenimiento del aerogenerador, la energía eólica terrestre, con 12 g de CO2 por cada kWh, es la segunda energía menos contaminante,[13] tras la energía hidroeléctrica (con 4 g de CO2 por cada kWh); le siguen la energía nuclear (con 16 g de CO2 por cada kWh), y la energía solar térmica, (con 22 g de CO2 por cada kWh). A esto hay que sumar el problema de las palas, que dejan de ser útiles tras unos 20 años de uso, y que suelen terminar en vertederos (denominados «cementerios de palas») ante la complejidad de su reciclaje.[14]
Aerogeneradores de eje vertical


Son aquellos en los que el eje de rotación se encuentra perpendicular al suelo. También se denominan VAWT (del inglés, Vertical Axis Wind Turbine), en contraposición a los de eje horizontal o HAWT.[15] Un ejemplo es el rotor Savonius.
En general, las ventajas de los VAWT son:[16]
- Se pueden situar más cerca unos de otros, debido a que no producen el efecto de frenado de aire propio de los HAWT, por lo que no ocupan tanta superficie.
- No necesitan un mecanismo de orientación respecto al viento, puesto que sus palas son omnidireccionales.
- Se pueden colocar más cerca del suelo, debido a que son capaces de funcionar con una menor velocidad del viento, por lo que las tareas de mantenimiento son más sencillas.
- Mucho más silenciosos que los HAWT.
- Mucho más recomendables para instalaciones pequeñas (de menos de 10 kW) debido a la facilidad de instalación, la disminución del ruido y el menor tamaño.
Sus desventajas son:
- Al estar cerca del suelo la velocidad del viento es baja y no se aprovechan las corrientes de aire de mayor altura.
- Baja eficiencia.
- Mayor gasto en materiales por metro cuadrado de superficie ocupada que las aeroturbinas de eje horizontal.
- No son de arranque automático, requieren conexión a la red para poder arrancar utilizando el generador como motor.
- Tienen menor estabilidad y mayores problemas de fiabilidad que los HAWT. Las palas del rotor tienen tendencia a doblarse o romperse con fuertes vientos.
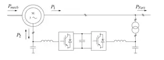
Generadores doblemente alimentados
Existen diferentes tipos de generadores eólicos. La parte eléctrica se puede diseñar tanto con generadores síncronos como asíncronos, y con varias formas de conexión del generador, directa o indirecta, a la red. La conexión directa a red significa que el generador está conectado directamente a la red de corriente alterna (generalmente trifásica). La conexión indirecta a red significa que la corriente que viene del alternador pasa a través de una serie de dispositivos que ajustan la corriente para igualarla a la de la red (en generadores asíncronos esto ocurre de forma automática).
La máquina doblemente alimentada (DFIM por sus siglas en inglés), también conocida generador doblemente alimentado (DFIG), es un tipo de generador eléctrico en el que los terminales de los bobinados del rotor son accesibles. Se caracteriza también porque la velocidad de giro del rotor es ligeramente diferente de la velocidad de sincronismo. Es importante destacar la gran utilidad de los generadores asíncronos doblemente alimentados en configuraciones de generación eólica.
Su principal característica es la incorporación de un convertidor de frecuencia conectado al rotor que permite el control de las tensiones e intensidades del mismo. Gracias al control sobre estos parámetros, conseguimos que la máquina permanezca constantemente sincronizada con la red aunque varíen las velocidades de revolución.
Esta característica es extremadamente útil en configuraciones de velocidad variable como es la generación eólica. El control que nos da el convertidor de frecuencia permite a la máquina una mayor estabilidad, así como capacidad de reacción frente a posibles faltas. Por otro lado, en comparación con otras configuraciones, las máquinas doblemente alimentadas no son extremadamente caras, ya que su componente más costosa, la electrónica, es decir, el convertidor de frecuencia, no trabajará a una potencia elevada (el 20 % de la nominal del generador aproximadamente).
El principio básico de funcionamiento puede definirse como la conversión de la potencia capturada por la aeroturbina en potencia eléctrica, gracias al generador de inducción y su posterior transmisión a la red mediante el estátor y los devanados del rotor.
El sistema de conversión está compuesto por dos convertidores trifásicos. El primero, denominado convertidor lado máquina, será el que esté conectado al rotor, mientras que el convertidor lado red será el conectado a la red. Así pues, este sistema interconecta el rotor y la red permitiendo el flujo de potencia entre ambos.
Un generador asíncrono doblemente alimentado unifica las ventajas de los generadores asíncronos y de los generadores síncronos.
- Ventajas
- Permite el funcionamiento a velocidades variables.
- Regulación independiente de la potencia activa y reactiva.
- Pérdidas menores que con otras configuraciones.
- Inconvenientes
- Son necesarios anillos de deslizamiento.
- Sensible frente a inestabilidades de la red.
Micro y minieólica
Microeólica
Son aerogeneradores que se utilizan para uso personal. Los hay que producen desde 50 W hasta unos pocos kilovatios. Suelen ser hechos por el propietario. La configuración ideal de un aerogenerador es sobre un mástil sin necesidad de cables de anclaje y en un lugar expuesto al viento. Muchos de los diseños convencionales de aeroturbinas no se recomiendan para su montaje en edificios. Sin embargo, si el único sitio disponible es el tejado de un edificio, instalar un pequeño sistema eólico puede ser factible si está lo suficientemente alto como para minimizar la turbulencia, o si el régimen del viento en ese emplazamiento en particular es favorable.[17]
La mayoría de los sistemas de energía eólica[18] disponibles necesitan la intervención del dueño durante el funcionamiento. Muchos fabricantes ofrecen servicio de mantenimiento para las aeroturbinas que ellos instalan. El fabricante debe, en cualquier caso, proporcionar información detallada acerca de los procedimientos de mantenimiento.
Junto con los costes de inversión, se debe llevar a cabo una evaluación económica que incluya los siguientes aspectos:
- Reducción de los costes anuales de electricidad como resultado de la producción de la misma por el sistema de energía eólica. Debe tener en cuenta expectativas futuras del precio de la electricidad.
- Posibles programas de apoyo por parte del Gobierno, por ejemplo, subvenciones o incentivos fiscales para fomentar el uso de los sistemas de energía eólica.
- Costes asociados a la emisión de CO2 (materias primas, construcción y mantenimiento).
Además de las ventajas propias de la energía eólica, la microeólica es más eficiente si se genera la electricidad cerca del lugar donde se consume, puesto que se minimizan las pérdidas en el transporte. También es posible, en estos casos, almacenar la energía en baterías para su uso en ausencia de viento.
En España, hay fabricantes de microeólica, como Bornay Aerogeneradores.[19]
Minieólica
No existe una frontera definida entre la microeólica y la minieólica. Generalmente, se puede considerar que la microeólica comprende un único aerogenerador, mientras que la frontera superior de la minieólica se define por potencia, y no debe superar los 100 kW.[20] Se denominan también aerogeneradores domésticos o de pequeña potencia.[21][22]
Aplicaciones:[23]
- Zonas aisladas: los miniaerogeneradores se utilizan en zonas aisladas donde existe un gran coste o dificultad para llevar la energía de la red eléctrica. Aquí estarían no solo las viviendas o cabañas aisladas, también granjas, torres de telecomunicación, bombeo de agua, etc. En estos casos el aerogenerador suele ir acompañado de paneles solares fotovoltaicos que garantizan el óptimo funcionamiento del sistema.
- Instalaciones con un alto índice de consumo eléctrico: fábricas, desalinizadoras y otras infraestructuras que consumen una gran cantidad de energía pueden recurrir a la instalación de aerogeneradores para reducir el consumo eléctrico de la red.
- Conexión a la red: Los particulares y empresas que dispongan de un aerogenerador de minieólica pueden consumir la energía que necesitan y vender el sobrante a la red.
Dónde colocar un aerogenerador de pequeña potencia:[24] hay que conocer los vientos dominantes que existen en la zona y la forma en que pueden variar a lo largo del año. Por lo general el punto más elevado del terreno es el que recibe más viento, aunque esta regla puede verse alterada por la presencia de ríos, valles o zonas boscosas, así como los obstáculos que existan alrededor como edificios o árboles. Estos pueden variar tanto la velocidad, como la dirección del viento.
Se recomienda instalar el aerogenerador de pequeña potencia al menos 10 metros por encima de cualquier obstáculo y al doble de altura que esta.
Auge de la microeólica y la minieólica
La Asociación Mundial de Energía Eólica,[25][26] en el del Informe Mundial sobre Minieólica,[27] ha publicado que a finales de 2011 la minieólica alcanzó los 576 MW, lo que supone un 27 % más de potencia instalada que el año anterior. Más de 330 fabricantes de pequeñas aeroturbinas operan en 40 países de todo el mundo.[28]
Véase también
Referencias
- ↑ Real Academia Española. «aerogenerador». Diccionario de la lengua española (23.ª edición).
- ↑ «aerogenerador». Real Academia de Ingeniería.
- ↑ «Razones por las cuales un aerogenerador puede estar parado».
- ↑ a b http://www.thewindpower.net/windfarm_en_11213_Belgium.php
- ↑ Componentes de Turbinas Eólicas Archivado el 11 de enero de 2014 en Wayback Machine.
- ↑ «Copia archivada». Archivado desde el original el 29 de marzo de 2017. Consultado el 11 de enero de 2014.
- ↑ Atlas eólico de España Archivado el 25 de noviembre de 2013 en Wayback Machine. - Instituto para la Diversificación y Ahorro de la Energía
- ↑ http://www.ucsusa.org/clean_energy/our-energy-choices/renewable-energy/environmental-impacts-wind-power.html (en inglés)
- ↑ «Asden denuncia mortandad de aves por culpa de los aerogeneradores». 22 de enero de 2010. Consultado el 23 de enero de 2011. (enlace roto disponible en Internet Archive; véase el historial, la primera versión y la última).
- ↑ Rodrigues, Luisa; Bach, Lothar; Dubourg-Savage, Marie-Jo; Goodwind, Jane; Harbusch, Christine (2008). Guidelines for consideration of bats in wind farm projects (en inglés). Eurobats. Consultado el 23 de enero de 2011.
- ↑ https://web.archive.org/web/20131207034200/https://www.nationalwind.org/assets/publications/Birds_and_Bats_Fact_Sheet_.pdf - Estudio sobre los efectos de la energía eólica sobre los animales, especialmente los pájaros (en inglés).
- ↑ Wang, C.; Prinn, R. (2010). «Potential Climatic Impacts and Reliability of Very Large-Scale Wind Farms». Atmospheric Chemistry and Physics 10 (4). Archivado desde el original el 9 de junio de 2010.
- ↑ Moomaw, W., P. Burgherr, G. Heath, M. Lenzen, J. Nyboer, A. Verbruggen, 2011: Annex II: Methodology. In IPCC: Special Report on Renewable Energy Sources and Climate Change Mitigation. (En inglés, referencia en página 10.)
- ↑ Montojo, Marta. «Cómo las palas de aerogeneradores terminan en el vertedero en España». eldiario.es. Consultado el 5 de junio de 2020.
- ↑ «www.windpower.org». Archivado desde el original el 21 de febrero de 2010.
- ↑ Comparativa entre HAWT y VAWT (en inglés)
- ↑ Manual de instalaciones eólicas domésticas.
- ↑ «Repertorio de fabricantes europeos de mini-generadores eólicos». Archivado desde el original el 13 de agosto de 2018. Consultado el 30 de enero de 2010.
- ↑ Bornay Aerogeneradores
- ↑ «Copia archivada». Archivado desde el original el 1 de noviembre de 2013. Consultado el 3 de diciembre de 2013.
- ↑ Esquema interactivo minieólica. url=http://www.lawea.org/documentos/mini-eolica.swf Archivado el 16 de enero de 2013 en Wayback Machine.
- ↑ ¿Qué es la energía minieólica?
- ↑ Aplicaciones aerogeneradores de minieólica. [url=https://web.archive.org/web/20110803042928/http://www.enair.es/aplicaciones/conexion_a_red]
- ↑ Dónde colocar un aerogenerador de minieólica. url=«Copia archivada». Archivado desde el original el 26 de septiembre de 2011. Consultado el 11 de agosto de 2011.
- ↑ World Wind Energy Association
- ↑ Small Wind Platform
- ↑ «Small Wind World Report Update». Archivado desde el original el 10 de mayo de 2013. Consultado el 1 de abril de 2013.
- ↑ [1]
Enlaces externos
Wikimedia Commons alberga una categoría multimedia sobre aerogeneradores.- Aerogenerador en OpenEI.
- Energía eólica en Solarpedia
- Cámara Argentina de Generadores Eólicos (CADEGE)
- Granjas eólicas, sistemas eólicos pequeños para generación de electricidad.
- Endesa Educa. Información y recursos multimedia sobre aerogeneradores.
- Manual y método de cálculo de instalaciones mini-eólicas
- Introducción a la tecnología eólica. Conversión de la energía mecánica del viento en energía eléctrica.
- Manual práctico para hacer un aerogenerador casero
- Aerogenerador con rueda de bicicleta en YouTube.
- Palas de PVC en YouTube.
- Palas de botellas de plástico en YouTube.
- Generador Eólico Casero (muy fácil) en YouTube.