Akelarre (cifrado)
| Akelarre | ||
|---|---|---|
![]() Procedimiento de encriptación del algoritmo Akelarre | ||
| General | ||
| Diseñador(es) | G. Álvarez • D. de la Guía • F. Montoya • A. Peinado | |
| 1ª publicación | 1996 | |
| Antecesor | IDEA / RC5 | |
| Detalle de cifrado | ||
| Longitud de la clave | múltiple de 64 bits (recomendado - 128 bits) | |
| Longitud de bloque | 128 bits | |
| Estructura | Lai–Massey scheme | |
| Rounds | cualquiera (recomendado - 4) | |
| Mejor criptoanálisis público | ||
| Susceptible de un ataque ciphertext-only | ||
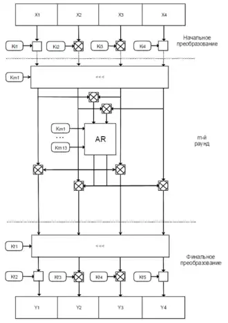
Akelarre es el nombre de un cifrador por bloques propuesto en 1996 que combinaba desarrollos de IDEA y RC5. Se demostró que era susceptible a un ataque incluso sólo con texto cifrado en el 2000 (Knudsen y Rijmen). Akelarre cifra en bloques de 128 bits de longitud con un tamaño variable de clave, que debe ser múltiplo de 64 bits. El número de rondas es variable, pero 4 son las sugeridas. Las operaciones en las rondas es similar a la usada en IDEA.
Bibliografía
- Lars Knudsen y Vincent Rijmen, Ciphertext-only Attack on Akelarre, Cryptologia, Vol. 24(2), April 2000, pp135–147. (en inglés)
- G. Álvarez, A. Fúster, D. Guía, F. Montoya, A. Peinado, "Akelarre: nuevo algoritmo de cifrado en bloque", in J. Tena, F. Blanco, editor, IV Reunión española sobre Criptología, vol. 0 of, 93-100, Universidad de Valladolid, Valladolid, septiembre de 1996. [1] (enlace roto disponible en Internet Archive; véase el historial, la primera versión y la última).
- Niels Ferguson and Bruce Schneier «Cryptanalysis of Akelarre» [Fourth Annual Workshop on Selected Areas in Cryptography] (en inglés). 23 de julio de 1997. pp. 01—12. Archivado desde el original el 23 de julio de 2004.
