Alternador del motor






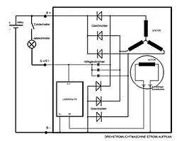
Un alternador del motor es una máquina eléctrica capaz de generar energía eléctrica a partir de energía mecánica, generalmente obtenida por un mecanismo de arrastre desde un motor de combustión interna, tanto alternativo, como turbina de gas o Wankel. La corriente eléctrica producida es corriente alterna, no necesita sistema de regulación de la intensidad o disyuntor como la dinamo. Sin embargo sí necesita un dispositivo de regulación del voltaje y de rectificación, ya que la corriente usada por los sistemas es normalmente continua y obtenida desde una batería o acumulador. Los alternadores que se utilizan para suministrar energía a la red mantienen su velocidad de rotación constante y por lo tanto también la frecuencia.
Donde f representa la frecuencia en Hz o c/s, n velocidad en r. p. m. y p el número de pares de polos.
Esto no es así en los alternadores de automóvil, porque la velocidad de giro del motor varía constantemente. No tiene consecuencias sobre el sistema, ya que se utiliza un sistema de rectificación trifásico para obtener una corriente continua con leves pulsaciones.
Función
Recarga y mantenimiento del voltaje de la batería, normalmente de 6 Voltios (pequeños motores y vehículos de 2 ruedas), 12 voltios (automóviles, motocicletas, marina, transporte ligero y aviación deportiva), 24 voltios (transporte por carretera y aviación comercial). El sistema de generación de corriente alterna, previo a la rectificación, es normalmente trifásico, aunque en aplicaciones de pequeños motores de 2T han existido y existen sistemas monofásicos, llamados volantes magnéticos.
Aplicaciones
Cualquier tipo de motor de combustión interna, móvil o estacionario, ya sea alternativo, turbina de gas (motor de reacción) o Wankel, diésel o ciclo Otto, dos o cuatro tiempos (2T y 4T) .
Historia
El alternador sucedió a la dinamo de modo paulatino a partir de los años 1970, cuando los costos de fabricación y el desarrollo de los componentes electrónicos de rectificación y regulación permitieron sustituir a los componentes electromagnéticos. La eficiencia de un alternador de automóvil es muy superior a la de la dínamo clásica.
Véase también
Referencias bibliográficas
- Manual de la técnica del automóvil - BOSCH. ISBN 3-934854-82-9
- Circuitos electrotécnicos básicos - E. Serrano. Editorial EDITEX. ISBN 978 -84-9771-205-7