BiCMOS

BiCMOS (contracción de Bipolar-CMOS) es el nombre de una tecnología de fabricación de circuitos integrados que combina las ventajas de las tecnologías bipolar y CMOS integrándolas juntas en un mismo wafer.
Se usa en analógica para la fabricación de amplificadores y en digital para algunos componentes discretos.
Historia
Hasta hace poco la integración de transistores MOS y bipolares en un mismo componente era difícil y poco viable económicamente. Por esta razón la mayor parte de los circuitos integrados elegían usar una u otra tecnología en función de los criterios de diseño. Los transistores bipolares ofrecían alta velocidad, alta ganancia y baja resistencia de salida mientras que los CMOS presentaban alta resistencia de entrada que se traducía en puertas lógicas sencillas y de bajo consumo.
A finales de los 90 las técnicas modernas de fabricación empezaron a hacer posible los circuitos BiCMOS. Esta tecnología fue rápidamente adoptada en la fabricación de amplificadores y mostró así mismo algunas ventajas en circuitos digitales. Si bien no se ha aún alcanzado el alto nivel de integración permitido por la tecnología CMOS, lo que restringe el uso de la BiCMOS en circuitos lógicos a escalas de baja y media integración.
Ventajas
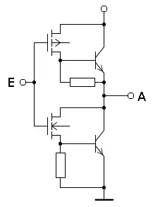
Consideremos como ejemplo de circuito BiCMOS un amplificador de dos etapas (la primera con un transistor MOS y la segunda con un BJT). Está claro que la primera etapa aporta una elevada impedancia de entrada y la segunda una baja resistencia de salida. Pero además para determinadas configuraciones, sobre todo en cascada, presenta también la característica de una baja capacitancia (casi tanto como en el caso de un solo BJT). Lo que se traduce en amplificadores con un alto ancho de banda y circuitos lógicos con alta velocidad de conmutación.
Desventajas
El principal inconveniente de esta tecnología reside en ajustar por separado las características de los componentes BJT y MOS. Esto aumenta el número de etapas del proceso de fabricación y en consecuencia su coste.
Adicionalmente, si atendemos a criterios de rendimiento la tecnología BiCMOS nunca puede ofrecer los bajos niveles de consumo de la tecnología CMOS.
Sobre todo se desconfiguran o en los peores casos explotan con la estática del cuerpo humano, se debe usar protección anti-estática.