Convertidor reductor-elevador

Un convertidor reductor-elevador[1][2] o convertidor buck–boost (del inglés buck-boost converter) es un tipo de convertidor DC-DC que tiene una magnitud de voltaje de salida que puede ser mayor o menor que la magnitud del voltaje de entrada. Esta es fuente de alimentación conmutada con una forma parecida a la del convertidor elevador y el convertidor reductor.
Hay dos topologías distintas a las que se llaman reductoras-elevadoras. Ambas pueden producir un gran rango de voltajes de salida, desde grandes magnitudes hasta casi cero.
- La forma inversora: el voltaje de salida es de signo inverso al de entrada.
- Un convertidor reductor seguido de un elevador: el voltaje de salida tiene la misma polaridad que la entrada, y puede ser mayor o menor que el de entrada. Un convertidor reductor-elevador no inversor puede utilizar un único inductor que es usado para el inductor reductor y el inductor elevador.[3][4]
El voltaje de salida es ajustable variando el ciclo de trabajo del transistor de conmutación. Un posible inconveniente de este convertidor es que el interruptor no tiene un terminal conectado a tierra; esto complica el circuito. Además, la polaridad del voltaje de salida es opuesta al voltaje de entrada. Ninguno de los anteriores inconvenientes tiene consecuencias si la fuente de suministro está aislada del circuito de carga. (si, por ejemplo, la fuente es una batería) ya que la polaridad de la fuente y el diodo pueden simplemente cambiarse. El interruptor puede colocarse tanto en el lado de la tierra como en el lado de la fuente.
Principio de funcionamiento


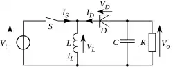
El principio básico de funcionamiento del convertidor reductor-elevador es muy sencillo (ver figura 2):
- durante el estado On, la fuente de entrada de voltaje está directamente conectada al inductor (L). Por lo que se almacena la energía en L. En este paso, el condensador proporciona corriente a la carga de salida;
- durante el estado Off, el inductor está conectado a la carga de salida y el condensador, por lo que la energía es transferida de L a C y R.
Comparado a los convertidores reductor y elevador, las características del convertidor reductor-elevador son principalmente:
- la polaridad del voltaje de salida es inverso al de entrada;
- el voltaje de salida puede variar linealmente desde 0 a (para un convertidor ideal). Los rangos de voltaje de salida para un convertidor reductor y elevador son respectivamente 0 a y hasta .
Modo continuo

Si la corriente a través del inductor L nunca cae hasta cero durante un ciclo de conmutación, diremos que el convertidor trabaja en modo continuo. Las formas de onda de la corriente y el voltaje en un convertidor ideal pueden observarse en al Figura 3.
Desde hasta , el convertidor está en estado On, por lo que el interruptor S está cerrado. La tasa de cambio en la corriente del inductor (IL) viene dada por
Al final del estado On, el incremento de IL es por consiguiente:
D es el ciclo de trabajo. Representa la fracción del periodo T de conmutación durante el cual el interruptor está conduciendo o en estado On. Por lo tanto D va desde 0 (S siempre está abierto) hasta 1 (S siempre está cerrado).
Durante el estado Off, el interruptor S está abierto, por lo que la corriente del inductor fluye a través de la carga. Si asumimos que la caída de voltaje en el inductor es nula, y el condensador es suficientemente grande para que no haya variaciones de voltaje, la evolución de IL es:
Por consiguiente, la variación de IL durante el periodo Off:
Como consideramos que el convertidor trabaja en régimen permanente, la cantidad de energía almacenada en cada uno de los componentes tiene que ser igual al principio y al final del ciclo de conmutación. Como la energía en una bobina viene dada por:
es obvio que el valor de IL al final del estado Off tiene que ser igual que el valor de IL en el principio del estado On, i.e. la suma de las variaciones de IL durante los estados On y Off tiene que ser cero:
Substituyendo y por sus expresiones correspondientes:
Esto puede ser escrito como:
Esto lleva a:
De la anterior expresión puede observarse que la polaridad del voltaje de salida es siempre negativo (mientas el ciclo de trabajo esté entre 0 y 1), y que sus valores absolutos incrementan con D, teóricamente hasta menos infinito mientras "D" se acerca a 1. Aparte de la polaridad, este convertidor puede ser tanto elevador (como un convertidor boost) o reductor (como un convertidor buck). Es por eso que nos referimos a él como un convertidor buck–boost.
Véase también
Referencias
- ↑ «IMPLEMENTACIÓN DE UN CONVERTIDOR REDUCTOR-ELEVADOR BIDIRECCIONAL PARA VEHÍCULOS ELÉCTRICOS». Universidad Nacional de Río Cuarto.
- ↑ «Análisis de un convertidor DC-DC destinado al almacenamiento híbrido de energía». Universidad Politécnica de Madrid.
- ↑ ST AN2389: "An MCU-based low cost non-inverting buck-boost converter for battery chargers"
- ↑ National Semiconductor "Buck-Boost Regulator" (figure 22)
Para más información
- Daniel W. Hart, "Introduction to Power Electronics", Prentice Hall, Upper Saddle River, New Jersey USA, 1997 ISBN 0-02-351182-6
- Christophe Basso, Switch-Mode Power Supplies: SPICE Simulations and Practical Designs. McGraw-Hill. ISBN 0-07-150858-9.
Wikimedia Commons alberga una categoría multimedia sobre Convertidor reductor-elevador.