Enterocito
| Enterocito | ||
|---|---|---|
![]() | ||
| Nombre y clasificación | ||
| Latín | [TA]: enterocytus | |
| TA | A05.0.00.000 | |
| TH | H3.04.03.0.00006 | |
| TH | H3.04.03.0.00006 | |
| Información anatómica | ||
| Sistema | Digestivo | |
|
| ||
Los enterocitos son células epiteliales del intestino encargadas de realizar la absorción de diversos nutrientes esenciales, el transporte de agua y electrolitos al interior del organismo y la secreción de proteína en la luz intestinal. Poseen abundante número de microvellosidades en su polo apical, que incrementan el área tanto para la digestión como para el transporte intestinal.
Los enterocitos cumplen con la función fundamental de formar la barrera intestinal, que presenta características biomecánicas, bioquímicas e inmunológicas.
Se originan en las criptas de Lieberkühn y migran hacia las vellosidades intestinales, de cuyo extremo se desprenden, luego de cinco a siete días, cuando terminan su ciclo vital.
Estructura
Los enterocitos son las células absortivas del intestino, tienen dimensiones de 20-25 µm de altura y 7-8 µm de ancho y se caracterizan por su chapa estriada apical. [1]
Polarización

Los enterocitos tienen una polarización celular muy marcada; se distingue un polo apical absortivo y digestivo, orientado hacia la luz (lumen) en contacto con el contenido intestinal y un polo basal secretorio, que está en contacto con el tejido conjuntivo, los vasos linfáticos y los capilares de la capa mucosa de cada vellosidad.
Anatomía microscópica

Microscopía Óptica El enterocito es una célula de forma prismática, alargada con su eje mayor apical-basal.
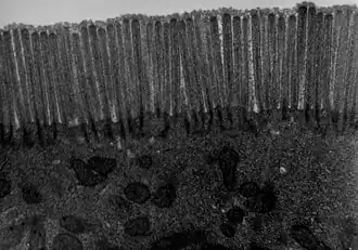
Su borde apical presenta una estructura continua refringente llamada ribete o borde en cepillo.
El núcleo es grande y ovalado, está localizado en los dos tercios inferiores y ocupa casi todo el diámetro de la célula. El aspecto de la cromatina es claro y posee uno o dos nucléolos muy visibles.
Tinciones químicas
Los colorantes son necesarios para resaltar las estructuras, ya que reaccionan en diferentes sectores de las células y revelan áreas específicas que pueden ser observadas con microscopios de luz.
Con la tinción HyE el enterocito se ve en dos colores: el núcleo azul oscuro (basófilo), y el citoplasma se ve rosado (débilmente acidófilo). El ribete en cepillo es visible en forma de banda delgada refringente en los cortes tratados con hematoxilina y eosina.
Con la tinción con PAS el borde en cepillo se ve rojo debido a la presencia de mucopolisacáridos y mucus en el glucocálix.
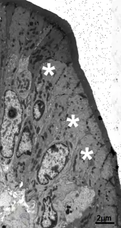
Microscopia Electrónica La ultraestructura del enterocito muestra orgánulos densamente empacados: numerosas mitocondrias, un retículo endoplasmático extenso, un aparato de Golgi grande y abundantes vacuolas y vesículas.
El borde en cepillo del polo apical está formado por microvellosidades, que son claramente visibles solo con grandes aumentos. Las microvellosidades son especializaciones de la membrana apical del enterocito.[2]

Con el microscopio electrónico las microvellosidades se observan como cilindros paralelos de 1 a 2 micrómetros (µm) de altura y 0,1µm de ancho;[1]
Por su eje central pasa un haz de filamentos que forman su esqueleto.
Las microvellosidades proyectan desde la superficie de su membrana celular, una estructura molecular filamentosa, llamada glucocáliz, que desempeña varias funciones. Esta estructura extracelular muestra una gran actividad enzimática, de hidrolasas específicas destinadas a la digestión terminal de nutrientes.[3]
El citoplasma bajo la superficie luminal del enterocito, contiene un velo filamentoso terminal, llamado red terminal o trama terminal en donde se insertan los filamentos del esqueleto microvellositario.
El citoplasma apical contiene numerosas cisternas del retículo endoplásmico liso (REL), el cual es necesario para la síntesis de triglicéridos. El retículo endoplásmico rugoso (RER) es extenso y se sitúa a mayor profundidad dentro de la célula. El complejo de Golgi es grande, muestra una posición supranuclear en estrecha relación con el RER. Las vesículas de pinocitosis y las vacuolas son muy abundantes debajo de la membrana apical y de la membrana basolateral.
Función

Los enterocitos son el tipo de célula principal y más numerosa del epitelio intestinal y tapizan toda la superficie interna del intestino. Cumplen funciones de barrera biomecánica, bioquímica e inmunológica en simbiosis con la microbiota normal que los limitan por su polo apical, situado en la luz intestinal.
Estas células forman una barrera física que unida a las secreciones mucosas, forman la primera defensa del organismo frente a la invasión de agentes que podrían ser patógenos.
Barrera biomecánica
Los enterocitos forman una barrera semipermeable que permite el paso selectivo a ciertas sustancias, mientras que evita el acceso de otras.
Barrera bioquímica
Los enterocitos son fábricas bioquímicas, que incretan y secretan gran número de sustancias.
Barrera inmunológica
Los enterocitos impiden el paso de antígenos microbianos, mantienen el sistema inmunitario y facilitan la adquisición de tolerancia a los antígenos de los alimentos y a la microbiota intestinal.[4]
Polarización y dominios

Las células epiteliales manifiestan una polaridad, que puede relacionarse con dominios morfológicos, bioquímicos y funcionales definidos también en el enterocito.[5] Como consecuencia de su diferenciación celular, se describen dos regiones o dominios en el enterocito.
Dominio apical
Está limitado anatómicamente al extremo del enterocito en contacto con el contenido de la luz intestinal. Comprende las microvellosidades y el glucocalix, el velo apical estructural citoplasmático y las uniones oclusivas intercelulares.
Dominio basolateral
Posee límites anatómicamente más amplios y difusos en la mitad inferior del enterocito. Este dominio está en contacto con la membrana basal, y a través de esta con los miofibroblastos, los fibroblastos con su matriz extracelular y los capilares sanguíneos.
Renovación
Los enterocitos que forman la monocapa del epitelio son muy especializados y por tanto incapaces de reproducirse. Tienen una vida corta, ya que mueren luego de tres a cinco días de vida y se desprenden del extremo de la vellosidad hacia la luz del intestino.[6]
La renovación fisiológica completa del epitelio intestinal se produce en aproximadamente una semana y es impulsada por un grupo de Células Madre Intestinales (IESC en inglés) en la base de cada cripta intestinal. Esta impresionante tasa de renovación está estrechamente controlada en la homeostasis.[7]
Referencias
- ↑ a b Welsch, Ulrich; Sobotta, Johannes (2009). «Capítulo 10: Aparato digestivo». Histología (2ª edición). Panamericana. pp. 370-371.
- ↑
- ↑ Histología Humana. Facultad de Medicina, Universidad de Salamanca. Consultado el 5 de noviembre de 2015.
- ↑ Salvo-Romero, Eloísa; Alonso-Cotoner, Carmen; Pardo-Camacho, Cristina; Casado-Bedmar, Maite; Vicario, María (2015). «The intestinal barrier function and its involvement in digestive disease.». Rev. esp. enferm. dig (Madrid). vol.107 (no.11).
- ↑ Solís Recéndez, María Guadalupe (2009). «Epitelio y Glándulas». Epitelio cilíndrico. México: Universidad autónoma de Zacatecas. p. 78. Archivado desde el original el 12 de noviembre de 2016. Consultado el 12 de noviembre de 2016.
- ↑ Salvo-Romero, Eloísa; Alonso-Cotoner, Carmen; Pardo-Camacho, Cristina; Casado-Bedmar, Maite; Vicario, María (2015). «The intestinal barrier function and its involvement in digestive disease». Rev. esp. enferm. dig. 107 (no.11). ISSN 1130-0108.
- ↑ Gonzalez LM, Williamson I, Piedrahita JA, Blikslager AT, Magness ST (2013). «Cell Lineage Identification and Stem Cell Culture in a Porcine Model for the Study of Intestinal Epithelial Regeneration.». PLoS ONE 8 (6): e66465. doi:10.1371/journal.pone.0066465.