Espinterómetro

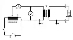
Diagrama de un espinterómetro.

El espinterómetro es un aparato que sirve para medir la rigidez dieléctrica de un material, la cual se mide por la cantidad de voltios que producen la perforación del material.

Para ello se coloca el material en estudio entre las armaduras de un condensador, y se aplica una diferencia de potencial conocida entre ellas.

Para ello se utiliza el espinterómetro, que es una máquina productora de altas diferencias de potencial, para lo que suele usarse corriente alterna con un transformador elevador de tensión, con un regulador de dicha tensión. Los extremos terminan cada uno en una bola metálica. Es lo que se denomina como descargador.