Fly-by-wire

Fly-by-wire (FBW), traducido del inglés como «pilotaje por cable» o «pilotaje por mandos electrónicos»,[1] es un sistema que reemplaza los controles de vuelo manuales convencionales de un aeronave con una interfaz electrónica.
Los movimientos de los mandos de vuelo del piloto son convertidos en señales electrónicas que se transmiten por cables —de ahí el término fly-by-wire— y las computadoras de control de vuelo determinan como se debe mover el actuador de cada una de las superficie de control para proporcionar la respuesta ordenada.[2][3]
El sistema fly-by-wire también permite el envío automático de señales por parte de las computadoras de la aeronave para realizar ciertas funciones sin que intervenga el piloto, como ayudar automáticamente a estabilizar la aeronave.[4] El desarrollo del concepto del fly-by-wire ha ido ligado al del abandono del enfoque clásico en el diseño de los aviones, en los que se buscaba una configuración que fuese estable desde el punto de vista aerodinámico sin necesidad de actuar sobre las superficies de control.
En los aviones más modernos, el diseño ya no es estable por sí, sino intrínsecamente inestable, y la estabilidad en vuelo se obtiene mediante la acción constante de las superficies de control, continuamente adaptada a las circunstancias del vuelo.
Historia


La señalización eléctrica de las superficies de control fue probada por primera vez en los años 1930, en el avión soviético Tupolev ANT-20.[5] Las conexiones eléctricas reemplazaban largos recorridos de conexiones hidráulicas y mecánicas.
El primer avión no experimental que voló (en 1958) con un sistema de control de vuelo fly-by-wire fue el interceptor Avro Canada CF-105 Arrow desarrollado en Canadá.[6][7]El avión fue cancelado menos de un año después de su primer vuelo.[8]
En 1969, el Concorde fue el primer avión de pasajeros en introducir los controles fly-by-wire, aunque era analógica en lugar de digital.[7][9][10]
El primer avión controlado mediante fly-by-wire digital sin sistema mecánico de reserva que voló (en 1972) fue un F-8 Crusader modificado electrónicamente por la NASA como avión de pruebas. Este avión fue un heredero del proyecto Migmar a partir del cual se desarrolló el fly-by-wire tal y como lo conocemos actualmente.[11][12]
Utilidad
La principal ventaja de este sistema es que es muy ligero. Además, posee mayor fiabilidad y tolerancia al daño. También proporciona mayor control a las aeronaves en las que se necesita mucha maniobrabilidad (aeronaves militares, principalmente).[13]
Como las aeronaves militares necesitan ser muy ágiles, siendo por tanto muy inestables, el sistema FBW proporciona la habilidad para soportar los aumentos no intencionados del ángulo de ataque, ya que los detecta y, rápida y automáticamente, desvía la aeronave en la dirección opuesta mientras el problema sea pequeño.[13]
El sistema FBW también proporciona sistemas de protección muy fiables de la envolvente de vuelo que, mientras que el sistema FBW funcione normalmente, aumenta considerablemente la seguridad.[13]
El primer avión comercial en incorporar este sistema fue el Airbus A320, que realizó su primer vuelo en 1988.

Funcionamiento
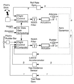
El principio usado para el funcionamiento de este sistema, es la detección constante del error de la superficie de control, la señal de salida, y se "retroalimenta" al ordenador de los mandos de vuelo (Flight Control Computer, FCC, en inglés). Cuando el piloto o el piloto automático haga alguna operación, que será la señal de entrada, se analiza la diferencia de la posición de la superficie de control tomada. Así, se manda una señal eléctrica, suficiente para compensar la variación. El FCC regula el sistema, comparando la señal de entrada y la de salida. Cualquier error entre estas dos señales, hace que se envíe una señal correctiva hasta que se igualen entre sí.[13]

Una ventaja de este sistema de feedback es que el sistema de control de vuelo (Flight Control System, FCS) se puede utilizar para reducir la sensibilidad de los cambios en la estabilidad de las aeronaves básicas o frente a perturbaciones externas.[13]
Redundancia
En lugar de proporcionar un sistema de control de vuelo convencional como refuerzo, las aeronaves comerciales están normalmente controladas en su totalidad por sistemas FBW, instalando más de uno en ellas.
La aviación civil utiliza normalmente este sistema por triplicado, como es el caso de las aeronaves Boeing 777 y Airbus A340, que tienen limitados sistemas de respaldo para asegurar su "supervivencia" en vuelo de crucero si existieran problemas eléctricos. Todos los sistemas FBW deben tener un sistema completo de respaldo mecánico por esta razón.[13]

Protección en la envolvente de vuelo
El control de la velocidad, del número de Mach, de la altitud y del ángulo de ataque pueden usarse para asegurar que los aviones con sistema FBW permanecen dentro de la envolvente de vuelo para la que se han certificado. Para conseguir esto, se han usado dos estrategias: la primera, propuesta por Airbus, es de límites estrictos, donde las leyes de control tienen la total autoridad de control a no ser que el piloto seleccione una Orden Directa. La segunda, propuesta por Boeing, es de límites flexibles, en la que el piloto puede superar a la envolvente de vuelo y mantener el total control en la operación de la aeronave.[13]
Véase también
Referencias
- ↑ García de la Cuesta, 2003.
- ↑ «Fly-By-Wire | SKYbrary Aviation Safety». skybrary.aero. Consultado el 1 de enero de 2025.
- ↑ «What is Fly-By-Wire Technology - AviationHunt» (en inglés estadounidense). 24 de junio de 2020. Consultado el 1 de enero de 2025.
- ↑ Crane, 1997, p. 224.
- ↑ «АНТ-20 (МАКСИМ ГОРЬКИЙ)» (en ruso). Archivado desde el original el 24 de julio de 2016. Consultado el 24 de noviembre de 2015.
- ↑ Organ, Richard (2004, publicado originalmente en 1980). Avro Arrow: the story of the Avro Arrow from its evolution to its extinction (en inglés). Erin, Ontario, Canadá: Boston Mills Press. pp. 83-85. ISBN 1-55046-047-1.
- ↑ a b Whitcomb, Randall L. (2008). Cold War Tech War: The Politics of America's Air Defense (en inglés). Burlington, Ontario, Canadá: Apogee Books. pp. 134, 163. ISBN 978-1-894959-77-3.
- ↑ Suciu, Peter (18 de noviembre de 2023). «CF-105 Arrow: The Amazing Jet Designed to Fight Russia (Not from America)». The National Interest (en inglés). Consultado el 1 de enero de 2025.
- ↑ «CONCORDE SST : FLIGHT SYSTEMS». www.concordesst.com. Consultado el 1 de enero de 2025.
- ↑ «Concorde Fly by Wire». heritage-concorde (en inglés). Consultado el 1 de enero de 2025.
- ↑ «Fly-by-wire for combat aircraft» (en inglés). Flight International. 23 de agosto de 1973. p. 353. Consultado el 24 de noviembre de 2015.
- ↑ «NASA Armstrong Fact Sheet: F-8 Digital Fly-By-Wire Aircraft» (en inglés). NASA. 28 de febrero de 2014. Archivado desde el original el 26 de marzo de 2019. Consultado el 24 de noviembre de 2015.
- ↑ a b c d e f g «Fly-By-Wire, SKYbrary». Consultado el 3 de mayo de 2018.
Bibliografía
- García de la Cuesta, Jorge (2003). Aviation Terminology: Terminología Aeronáutica (en inglés / español). Ediciones Díaz de Santos. ISBN 8479785799.
- Crane, Dale (1997). Dictionary of Aeronautical Terms (en inglés) (tercera edición). Aviation Supplies & Academics. p. 224. ISBN 1-56027-287-2.
Enlaces externos
Wikimedia Commons alberga una categoría multimedia sobre Fly-by-wire.