Jan Ernst Matzeliger

Jan Ernst Matzeliger (15 de septiembre de 1852 – 24 de agosto de 1889) fue un inventor nacido en Surinam, que revolucionó la industria del calzado.
Biografía
Jan nació en la Guayana Neerlandesa (actualmente Surinam). Su padre era un ingeniero neerlandés y su madre una esclava negra de Surinam. Si bien en su país de origen mostró algún interés por la mecánica, sus esfuerzos por inventar una máquina para armar zapatos comenzaron cuando se mudó a Estados Unidos y allí trabajó en un taller de maquinaria. A los 19 años se radicó en la ciudad de Filadelfia, en el estado de Pensilvania, tras haber trabajado como marino. En 1877 ya dominaba el inglés, y se había mudado al estado de Massachusetts. En 1883, después de cinco años de trabajo, patentó su invento.[1]
Su máquina permitía aumentar en forma considerable la producción de zapatos. Anteriormente, trabajando a mano, un operario podía producir cincuenta zapatos en un día de trabajo, pero su máquina permitía producir entre 150 a 700 pares de zapatos por día. Su máquina de armado de zapatos permitió reducir en un cincuenta por ciento el precio de los zapatos en los Estados Unidos. A pesar de ello, y a causa de su muerte prematura en Lynn, Massachusetts de tuberculosis y otros factores, él nunca pudo disfrutar de las ganancias de su invención.
Reconocimiento
Como reconocimiento por su aporte, se le dedicó una estampilla del servicio postal de Estados Unidos el 15 de septiembre de 1991.[2]
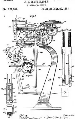
Patentes

- 274,207, 3/20/1883, Método automático para armar zapatos.
- 421,954, 2/25/1890, Máquina de clavar.
- 423,937, 3/25/1890, Mecanismo de separación y distribución de tachuelas.
- 459,899, 9/22/1891, Máquina de armado.
- 415,726, 11/26/1899, Mecanismo para distribuir tachuelas, clavos, etc.
Referencias
Enlaces externos
- Encyclopedia Britannica's Guide to Black History
- Profile of Jan Matzeliger - The Black Inventor Online Museum