Lógica resistencia-transistor

La lógica de resistencia-transistor RTL es una clase de circuitos digitales construido utilizando resistencias como la red de entrada y la salida de transistores bipolares (BJTs) como dispositivos de conmutación. RTL es la primera clase de lógica digital transistorizado circuito utilizado; otras clases incluyen lógica diodo-transistor DTL y lógica transistor-transistor TTL.

Función

Transistor de componentes en los circuitos de IBM nos informa, "La lógica de función se realiza por la entrada de resistencia de las redes y de invertir la función es realizada por el emisor del transistor de configuración comunes."

dos entradas RTL y puerta NOR.
RTL y puerta NOR.

Ventajas

La principal ventaja de la tecnología RTL fue que se trataba de un número mínimo de transistores, que fue una consideración importante antes de la tecnología de circuito integrado (es decir, en circuitos utilizando componentes discretos), como los transistores fueron el componente más costoso de producir. Principios de la lógica de producción de CI (como Fairchild en 1961) utilizan el mismo enfoque brevemente, pero rápidamente la transición a un mayor rendimiento, como los circuitos de transistores, diodos y transistores lógica transistor-lógica (a partir de 1963 en Sylvania), desde diodos y transistores no más caro que las resistencias en el CI.

Desventajas

La evidente desventaja de RTL actual es su alta dispersión cuando el transistor conduce a la salida superdirecta sesgar resistencia. Esto requiere que ser más actual y el calor suministrado a ser retirados de los circuitos RTL. En contraste, los circuitos TTL minimizar estos dos requisitos.

Lancaster dice que el circuito integrado RTL NI puertas (que tienen un transistor por entrada) puede ser construido con "cualquier número razonable" de la lógica de los insumos, y da un ejemplo de un 8-NI puerta de entrada [4].

Un circuito integrado RTL NI puerta puede manejar hasta 3 puertas de otros similares. Por otra parte, tiene suficiente para conducir la salida de hasta 2 estándar de circuito integrado RTL "topes", cada uno de los que puede manejar hasta 25 RTL otra norma NI puerta

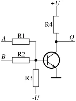
RTL puerta NOR NPN

Tecnología resistencia-Transistor

Constituyeron un paso adelante en la concepción de los circuitos digitales electrónicos. Consistieron en encapsular juntos los componentes de la puerta NO-O NOR,constituyendo de esta forma un bloque que el diseñador de sistemas digitales podía utilizar como tal. En esta tecnología se realizaron además circuitos temporizadores junto con la secuencia de evolución en el tiempo de sus señales.

El primer circuito que se utilizó representaba una puerta NO-O NOR en lógica negativa realizada con resistencia y un transistor bipolar de germanio. El principal inconveniente de este circuito es la necesidad de utilizar una alimentación auxiliar para polarizar inversamente la base del transistor cuando todas las entradas del mismo se encuentran en estado cero a fin de reducir la corriente de pérdidas del colector.Este inconveniente se evitó posteriormente mediante la utilización de transistores de silicio.

Bibliografía

  • Mandado, Enrique (1991). Sistemas Electrónicos digitales 7ºedición. Marcombo boixareu editors Barcelona-México. ISBN [[Special:BookSources/84-267-0804-8
  • Wikipedia Rusa e Inglesa|84-267-0804-8

* Wikipedia Rusa e Inglesa]] |isbn= incorrecto (ayuda).