El aumento, seguido de: El arte de abordar a su jefe de servicio para pedirle un aumento
| El aumento seguido de: El arte de abordar a su jefe de servicio para pedirle un aumento | |||||
|---|---|---|---|---|---|
| de Georges Perec | |||||
| Género | obra de teatro, narrativo | ||||
| Subgénero | análisis del discurso | ||||
| Edición original en francés | |||||
| Título original |
L'Augmentation, L'art et la manière d'aborder son chef de service pour lui demander une augmentation | ||||
| Tipo de publicación | Dos libros separados | ||||
| Editorial | Hachette Littératures | ||||
| Ciudad | París | ||||
| País | Francia | ||||
| Fecha de publicación |
1981 (L'Augmentation)[1] 2008 (L'art et la manière...)[2] | ||||
| Formato | 13.1 × 20 cm (L'Augmentation)[3] | ||||
| Páginas |
132 (L'Augmentation)[1] 104 (L'art et la manière...)[3] | ||||
| Edición traducida al español | |||||
| Traducido por | Pablo Moíño Sánchez[4] | ||||
| Tipo de publicación | Libro | ||||
| Editorial | Ediciones La uÑa RoTa[4] | ||||
| Ciudad | Segovia | ||||
| País | España | ||||
| Fecha de publicación | noviembre de 2009[5] | ||||
| Páginas | 160[4] | ||||
| Libros de Georges Perec | |||||
| |||||
El aumento seguido de: El arte de abordar a su jefe de servicio para pedirle un aumento es un libro póstumo del escritor francés Georges Perec (1936-1982), publicado en español en noviembre de 2009 a partir de la traducción de Pablo Moíño Sánchez para la colección Libros Robados de Ediciones La uÑa RoTa.[5]
El libro traduce y reúne por primera vez la obra de teatro titulada L'Augmentation y el texto en prosa L'art et la manière d'aborder son chef de service pour lui demander une augmentation, ambas basadas en la misma idea: las penurias burocráticas por las que debe pasar un funcionario en una oficina para pedir un aumento de trabajo. La obra de teatro El aumento está dedicada a Marcel Cuvelier y Thérèse Quentin.[7]
Historia editorial
El texto en prosa L'art et la manière d'aborder son chef de service pour lui demander une augmentation fue escrito por Perec en 1967, se publicó por primera vez en diciembre de 1968 en la revista Enseignement programmé de Hachette/Dunod,[8][9] y luego en 1973 en una versión ligeramente abreviada para la revista Communications et langages.[10] Un ejemplar de la publicación de 1967 fue encontrado por Pablo Moíño Sánchez en la Association Georges Perec en noviembre de 2007, mientras trabajaba desde octubre de 2006[11] en la traducción al español de la obra de teatro L'Augmentation, basada en el texto en prosa.[12] De este proyecto de Perec surgió además una pieza radiofónica traducida al alemán por Eugen Helmlé como Wucherungen y difundida por la Saarländischer Rundfunk el 12 de noviembre de 1969, en la que sería una primera aproximación a lo que más tarde se convertiría en la obra de teatro.[13][nota 1] Gracias a este hallazgo de Moíño Sánchez, el texto pudo ser republicado en su idioma original, esta vez como libro,[12] por Hachette Littératures en noviembre de 2008.[2]
Por su parte, la obra de teatro L'Augmentation se publicó inicialmente en la colección «P.O.L.» de la editorial Hachette en 1981, junto a la obra de teatro La Poche Parmentier, en el libro Théâtre I. La Poche Parmentier précédé de l'Augmentation.[1] Más tarde fue reeditada en 2001.[3]
El primero en traducir algunos fragmentos de L'Augmentation al español fue el escritor Antonio Altarriba, bajo el título El aumento de sueldo, para el suplemento de la revista Anthropos dedicado a Georges Perec y publicado bajo la dirección de Jesús Camarero en el número 134-135 de 1992. El texto volvió a ser traducido en otras ocasiones para realizar su montaje teatral.[13] La primera publicación de ambos textos en español y en formato de libro se llevó a cabo en 2009 para Ediciones La uÑa RoTa, bajo la traducción de Pablo Moíño Sánchez. Dicha edición, en cuya solapa delantera se incluye la información del autor en forma de crucigrama, cuyas soluciones aparecen en la solapa trasera,[16] inicia con una «Nota del editor» referida a la historia editorial del libro[12] y continúa con una breve «Nota del traductor», correspondiente a una nota de agradecimientos.[11] El libro finaliza con un texto titulado «Para simplificar», escrito también por el traductor, que se refiere a una historia editorial de Perec en español.[13]
La Poche Parmentier
Esta obra de teatro ya estaba escrita en 1971 y fue puesta en escena en el Teatro de Niza el 12 de febrero de 1974.[17] Luego fue traducida al alemán por Eugen Helmle como Der Kartoffelkessel; fue presentada como radioteatro en las estaciones SR, SWF y SDR el 15 de octubre de 1987,[15] y estrenada en el Stadttheater Luzern en noviembre de 1988.[18] Perec y el músico Philippe Drogoz crearon además una pieza de música experimental titulada La Fosse d'orchestre relacionada con esta obra, la cual fue inicialmente emitida en A.R.C. en 1978.[18]
Estructura
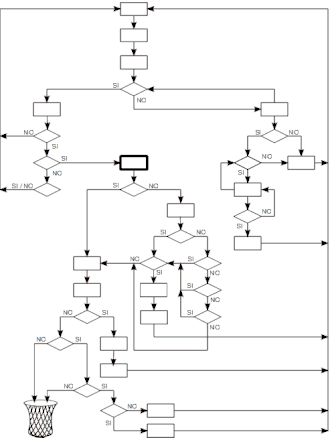
De acuerdo con el lenguaje utilizado por el grupo Oulipo, la estructura de estos textos, basada en la descripción exhaustiva de todos los caminos posibles de un diagrama de flujo y casi sin progresión en los sucesos, corresponde a una «anti-arborescencia», contraria a los «relatos arborescentes» que, basados en la teoría de grafos, buscan bifurcar al máximo los sucesos, a partir de las consecuencias generadas por las múltiples alternativas posibles.[19] Un ejemplo de relatos arborescentes independientes de Oulipo son los libros de la serie Elige tu propia aventura.[13]
Una estructura similar a esta también fue utilizada por Perec en otros textos, tales como «81 recetas de cocina para principiantes» (Pensar/Clasificar), «Doscientas cuarenta y tres postales de colores auténticos» (Lo infraordinario) o «Exemple d'anagramme saturé» (Atlas de littérature potentielle).[13]
El aumento

Esta obra de teatro, cuyo nombre completo es El aumento (o cómo, sean cuales fueren las condiciones sanitarias, psicológicas, climáticas, económicas o de otra índole, poner de su lado el máximo de oportunidades cuando usted le pide a su jefe de servicio un reajuste de salario)[7]—en francés: L'Augmentation (ou Comment, quelles que soient les conditions sanitaires, psychologiques, climatiques, économiques ou autres, mettre le maximum de chances de son [sic] côte en demandant à votre chef de service un réajustement de votre salaire)—[17] corresponde a la descripción exhaustiva de un diagrama de flujo que retrata distintos obstáculos por los que debe pasar el empleado de una empresa a la que ha servido por muchos años, para poder entrevistarse con su jefe de servicio y poder así pedirle infructuosamente un aumento de su salario.[20]
Los personajes de la obra no son los individuos sobre los que se habla, como el empleado, su jefe y la secretaria de este último, sino los distintos componentes del diagrama, vale decir:[7]
- La proposición (representada por un rectángulo)
- La alternativa (representada por un rombo)
- La hipótesis positiva (lo que podría pasar si se escoge la flecha con la alternativa «sí»)
- La hipótesis negativa (lo que podría pasar si se escoge la flecha con la alternativa «no»)
- La elección (la flecha escogida con la alternativa «sí» o «no»)
- La conclusión (el rectángulo o el rombo al que se llega a partir de la elección anterior)
Adicionalmente aparece el personaje «La rubéola», que representa justamente esta enfermedad, que aparece mencionada en ciertas partes del diagrama.[20]
El diagrama que estructura la obra corresponde a una simplificación del que aparece dibujado en el libro y que es el que describe el segundo texto, El arte de abordar a su jefe de servicio para pedirle un aumento.[6]
Montajes teatrales

Esta obra se estrenó por primera vez el 26 de febrero de 1970 en el Théâtre de la Gaîté-Montparnasse de París, bajo la dirección de Marcel Cuvelier. El elenco fue el siguiente:[13]
- Marcel Cuvelier: La proposición
- Oliver Lebeaut: La alternativa
- Monique Saintey: La hipótesis positiva
- Frédérique Villedent: La hipótesis negativa
- Yves Peneau: La elección
- Thérèse Quentin: La conclusión
El personaje de la rubéola fue reemplazado por una voz en off,[19][21] interpretada por Danielle Lebrun.[13] Una grabación de estas funciones se emitió en la radio France Culture el 5 de marzo de 1972 con el título AudioPerec, junto con otros trabajos radiofónicos del escritor.[18]
La crítica del estreno fue discreta, pero consiguió mayor éxito en su reestreno de enero de 1981, en el Théâtre de la Comédie de Saint-Étienne,[13] y durante una temporada de tres meses desde febrero de 1982 en el Teatro de la Huchette de París.[18] Desde entonces distintas compañías teatrales han montado la obra, tanto en Francia como en otros países.[19]
En alemán fue dirigida por Annette Spola bajo el nombre de Die Gehaltserhöhung, y estrenada en el Theater am Sozialamt de Múnich en noviembre de 1972. Luego fue presentada en Münster, Wiesbaden y otras ciudades entre febrero y junio de 1973.[18]
En abril de 1988, el dramaturgo Sergi Belbel tradujo y montó una versión en catalán,[13] con una puesta en escena minimalista[22] que fue presentada con el título L'augment en el Instituto del Teatro de Barcelona.[13]
Dos años después, Enrico Groppali la tradujo al italiano como L'Aumento, y bajo la dirección de Alessandro Marinuzzi se presentó en Údine y Trieste en 1990, y en Milán en mayo de 1991. Entre octubre y diciembre de 1991, se presentó en Estocolmo la versión sueca Löneförhöjningen de Magnus Hedlund, bajo la dirección de Carl Duner.[18]
Alrededor del año 2000, Jesús Díez volvió a montar la obra en catalán, pero esta vez utilizando una estética barroca, brechtiana y con juegos de farsa y clown. El montaje fue presentado en Teatreneu, y contó con la actuación, entre otros, del actor Pep Anton Muñoz y Carles Sales, este último interpretando a La Conclusión y al mismo Perec.[22]
La obra fue traducida al español por Carlos Mathus en 2001, y con el título El aumento de sueldo, la dirigió y llevó a escena ese mismo año en el Teatro Empire de Buenos Aires.[13] Unos años después, la obra fue montada en Chile por la directora Carolina Sagredo. La adaptación consistió en un monólogo interpretado por el actor José Soza y musicalizado por Andrés Núñez, gracias al financiamiento de un Fondart. Luego de más de un año de preparación, se estrenó con catorce funciones, entre el 18 de marzo y el 10 de abril de 2016, en el Centro Cultural Matucana 100.[23]
El arte de abordar a su jefe de servicio para pedirle un aumento

Este texto, escrito antes que el primero, sigue el mismo argumento de la obra de teatro, pero describe un esquema más extenso. No está escrito como una obra de teatro, sino como un extenso texto sin ningún signo de puntuación. No obstante, se mantiene la misma idea de describir primero una proposición, luego las posibles dos alternativas, la hipótesis positiva y negativa, para acabar con la elección y su correspondiente conclusión, recomenzando así con una nueva proposición del esquema.[24]
A lo largo del texto se intercalan once dibujos que tienen que ver con el argumento, algunos de ellos repetidos: una mujer, un reloj, un pez, unas niñas, un huevo, un hombre, una mujer, un huevo, un hombre, un pez y un reloj.[24]
Análisis de las obras
Jesús Camarero describió estos textos como un «drama combinatorio».[13] La burocracia existente en las grandes empresas, y en particular las dificultades por las que debe pasar un empleado para conseguir entrevistarse con su jefe y poder solicitarle un reajuste salarial no son exclusivos de estas dos obras del autor. Perec también trata este tema en la historia de la familia de Los Réol, en su novela La vida instrucciones de uso.[13] Por su temática, estos textos han sido también asociados al artículo «Vuelva usted mañana», escrito en el siglo XIX por Mariano José de Larra. Eric Libiot, para L'Express Livres, destaca la capacidad de Perec de elevar el tema de un aumento de sueldo al nivel de un acto político-artístico.[25]
Marcel Cuvelier, director y actor en la primera puesta en escena de El aumento, sostiene que los distintos actores de la obra constituyen una «máquina» que acaba siendo desbaratada por la desesperanza o la resignación humanas. En este sentido, Cuvelier relaciona el enfrentamiento con el poder presente en estos textos con la obra de Franz Kafka y sus juegos matemáticos sin una finalidad práctica, con los textos de Lewis Carroll. Las vacilaciones que no permiten nunca llegar al objetivo planteado, así como el «humor despiadado», por su parte, los emparentan con Antón Chéjov.[13]
La noción de «aumento», que aparece en los títulos de ambos textos, se desarrolla de tres maneras diferentes: desde un punto de vista financiero (aumento salarial), retórico (agrupación de argumentos para llegar a una consecuencia) y matemático (recursividad combinatorial).[19][13]
Notas
- ↑ De esta pieza radiofónica se tiene constancia también a través de una carta escrita por Georges Perec a Maurice Nadeau, la cual fue publicada póstumamente en Nací: textos de la memoria y el olvido (1990).[14] La pieza se transmitió nuevamente por SR los días 9 de septiembre de 1970, 16 de octubre de 1983 y posiblemente más adelante. También se transmitió por la radio Westdeutscher Rundfunk los días 27 de enero de 1970 y 18 de junio de 1981.[15]
Referencias
- ↑ a b c IberLibro.com. «Théâtre I - La Poche Parmentier, précédé de l'Augmentation» (en francés). Consultado el 18 de mayo de 2014.
- ↑ a b WorldCat. «L'art et la manière d´aborder son chef de service pour lui demander une augmentation» (en francés). Consultado el 8 de noviembre de 2017.
- ↑ a b c Decitre.fr. «Théâtre 1. La poche Parmentier précédé de L'augmentation» (en francés). Consultado el 18 de mayo de 2014.
- ↑ a b c La uÑa RoTa Ediciones. «El aumento, seguido de El arte de abordar a su jefe de servicio para pedirle un aumento». Consultado el 18 de mayo de 2014.
- ↑ a b Perec, 2009, p. 6.
- ↑ a b c Perec, 2009.
- ↑ a b c Perec, 2009, p. 13.
- ↑ Perec, Georges (diciembre de 1968). «L'Art et la manière d'aborder son chef de service pour lui demander une augmentation». Enseignement programmé (en francés) (4).
- ↑ Perec, 2009, p. 94.
- ↑ Perec, Georges (1973). «L'Art et la manière d'aborder son chef de service pour lui demander une augmentation». Communications et langages (en francés) (17): 41-56.
- ↑ a b Perec, 2009, «Nota del traductor», p. 11.
- ↑ a b c Perec, 2009, «Nota del editor», pp. 9-10.
- ↑ a b c d e f g h i j k l m n ñ Perec, 2009, «Para simplificar», pp. 139-156.
- ↑ Perec, 2008, «Carta a Maurice Nadeau», pp. 49-65.
- ↑ a b Bellos, 1993, «Appendix: RadioPerec», pp. 386-387.
- ↑ Perec, 2009, Solapa.
- ↑ a b Varios autores, 1992, «Documentación. Bibliografía de y sobre Georges Perec», pp. 116-124.
- ↑ a b c d e f Bellos, 1993, «The Works of Georges Perec», pp. 717-750.
- ↑ a b c d Macho Stadler, Marta (1 de diciembre de 2008). «L’augmentation (El aumento de sueldo)». DivulgaMAT. Real Sociedad Matemática Española. Consultado el 8 de julio de 2014.
- ↑ a b Perec, 2009, «El aumento».
- ↑ Macho Stadler, Marta (24 de marzo de 2017). «El aumento». DivulgaMAT. Real Sociedad Matemática Española. Consultado el 23 de septiembre de 2024.
- ↑ a b Ordóñez, Marcos (17 de abril de 2000). «Magia y potagia». El País. Consultado el 8 de julio de 2014.
- ↑ Mondaca, Karina (9 de marzo de 2016). «José Soza y su primer monólogo: "Me aterroriza, pero me fascina"». Fundación Teatro a Mil. Consultado el 22 de marzo de 2016.
- ↑ a b Perec, 2009, «El arte de abordar a su jefe de servicio para pedirle un aumento».
- ↑ Perec, 2009, Contraportada.
Bibliografía
- Bellos, David (1993). Georges Perec. A life in words (en inglés). Londres: Harvill/HarperCollins.
- Perec, Georges (2008) [2006]. Nací: textos de la memoria y el olvido (II edición). Madrid: Abada Editores. p. 120. ISBN 978-84-96258-81-5.
- Perec, Georges (2009). El aumento seguido de: El arte de abordar a su jefe de servicio para pedirle un aumento (I edición). Segovia: La uÑa RoTa. p. 160. ISBN 978-84-95291-14-1.
- Varios autores (1992). Georges Perec: Poética narrativa y teoría literaria (selección de textos). La experimentación oulipiana (34). Barcelona: Anthropos, «Antologías temáticas». ISSN 1130-2089.