Lester Allan Pelton
| Lester Allan Pelton | ||
|---|---|---|
![]() | ||
| Información personal | ||
| Nacimiento |
5 de septiembre de 1829 Vermilion, Ohio | |
| Fallecimiento |
14 de marzo de 1908 Oakland, California | |
| Nacionalidad | Estadounidense | |
| Información profesional | ||
| Ocupación | Inventor | |
| Distinciones |
| |
Lester Allan Pelton (Vermilion, Ohio, 5 de septiembre de 1829 – Oakland, California, 14 de marzo de 1908) fue uno de los más importantes inventores de finales del siglo XIX y principios del siglo XX. Vivió la gran fiebre del oro de California, en 1850 al comenzar la explotación de los filones de Comstock y otras minas de oro y plata en Nevada. Sin tener grandes éxitos en su labor como minero, pudo así comprender de mejor manera el funcionamiento de las minas, fabricando luego con sus propios medios instrumentos que facilitaban el trabajo de explotación de oro. En 2006 fue incluido en el National Inventors Hall of Fame.[1]
.png)
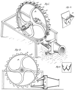
Participó en un concurso de la Universidad de California de ruedas hidráulicas donde obtuvo el primer puesto. Sus estudios se orientaron hacia saltos de agua relativamente elevados, llegando al tipo de rueda de cangilones, con acción e inyección parcial por tobera que lleva su nombre, la turbina Pelton.
Su invento básicamente se originó debido al gran inconveniente que presentaba el movimiento de su trituradora mineral al carecer de carbón para tal propósito, por lo que tuvo que idearse una rueda hidráulica que transformara en energía eléctrica la fuerza hidráulica de un salto de agua cercano a su mina. Este fue el primer método práctico para obtener fuerza hidráulica en Norteamérica.
Referencias
- ↑ «Lester Allen Pelton». Hall of Fame / Inventor Profile. National Inventors Hall of Fame. Archivado desde el original el 19 de diciembre de 2012. Consultado el 5 de noviembre de 2012.
