Mecanismo de percusión del piano

El mecanismo de percusión del piano es un complejo conjunto de palancas cuyo principal objetivo es controlar el golpe del macillo a la cuerda y ofrecer la posibilidad de que el pianista pueda modular a su gusto la expresión del sonido del instrumento.
Partes del piano
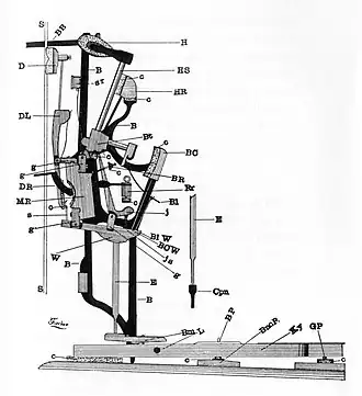
El mecanismo de un piano está compuesto fundamentalmente por cuatro piezas: el martillo, la tecla, la báscula y el apagador.
Martillo

El martillo es un elemento muy importante en la generación del sonido del piano, ya que su función es percutir la cuerda, producir el sonido y modular su intensidad y timbre. Los primeros pianos tenían martillos compuestos por un núcleo de madera recubierto de varias capas de piel cuya dureza disminuía progresivamente desde el interior, con pieles duras como el cuero, al exterior, con pieles finas y delicadas. Los martillos del piano moderno están fabricados con lana prensada sobre un núcleo de madera. La forma en la que está prensada la lana del martillo influye directamente en la calidad tímbrica del instrumento. Un martillo blando permanece más tiempo en contacto con la cuerda al percutirla que un martillo duro, que rebota más rápidamente. Este hecho hace que la producción de los armónicos varíe por parte de la cuerda y afecte a la brillantez del sonido.[1]
El conjunto del martillo está formado por la cabeza del martillo, fabricada con lana prensada y encolada sobre un núcleo de madera. Dicha cabeza está situada sobre un mango que recibe la fuerza ejercida por el mecanismo a través de un rodillo de piel llamado nuez.[2]
Tecla
La tecla es la palanca principal del mecanismo de percusión. Su brazo frontal de esta palanca es la parte visible del teclado y sobre la que el pianista ejerce la presión. Al ser presionada la parte frontal, la tecla pivota sobre el balancín, lo que hace que se ponga en funcionamiento el mecanismo a través del pilotín situado en la parte posterior de la misma. En los pianos de cola, la parte posterior de la tecla también tiene como objetivo elevar el apagador y sirve para ubicar la grapa o atrape. Esta pieza regula la caída del martillo y en los pianos verticales esta función se realiza en la báscula.[2]
Báscula
El conjunto de piezas que comunican la tecla con el martillo reciben el nombre de báscula. La pieza clave de la báscula es el escape y en los pianos de cola también alberga al doble escape.[2]
Apagador
El apagador tiene como misión silenciar el sonido producido por la cuerda. Puede ser activado de tres maneras diferentes: cada vez que se pulsa una tecla el apagador se retira de la cuerda antes que el martillo la golpee; al presionar el pedal derecho que hace que se eleven todos los apagadores a la vez; o bien mediante el pedal central de los pianos de cola, también denominado sostenuto, que, al ser presionado mantiene la posición elevada únicamente de los apagadores que están levantados en ese momento.[2]
Funcionamiento
El funcionamiento básico del mecanismo de un piano es el siguiente: cuando una tecla es pulsada, la palanca que está situada en el extremo opuesto se eleva y el martillo asociado a ella se pone en movimiento en dirección a la cuerda que es liberada por el apagador justo antes de la percusión. Tras el golpe del martillo a la cuerda, se produce el sonido y acto seguido este cae hasta ser recogido por el atrape a una distancia aproximada de 1,5 centímetros. Al levantar lentamente la tecla, ésta libera el conjunto de palancas del escape y el martillo vuelve a estar disponible para volver a tocar la cuerda. Si retiramos la presión por completo, todo el sistema vuelve a su estado inicial de reposo en el que el apagador tiene la misión primordial de interrumpir el sonido.[3]
Se pueden distinguir dos fases en el funcionamiento del mecanismo de percusión del piano: la fase de impulso del martillo y la fase de caída.
Impulso
El escape es la pieza clave del mecanismo de percusión del piano, ya que es el encargado de unir la tecla al martillo. Se encuentra situado dentro de la báscula, a la que se encuentra unido en su trayectoria ascendente. El extremo del escape ejerce presión sobre el martillo por su nuez correspondiente hasta que el martillo se encuentra situado a unos 2 o 3 milímetros de la cuerda. En este momento, el escape se retira de la nuez y deja de ejercer presión sobre el martillo, pero este continúa su trayectoria por inercia.[4]
Caídas
Después de la percusión de la cuerda por parte del martillo, el mecanismo es el encargado de controlar la caída de este. Básicamente se pueden producir tres tipos de situaciones: ataque normal, ataque normal manteniendo la tecla hundida bajo la presión del dedo o ataque en pianísimo manteniendo la tecla hundida.
El ataque normal es cuando el intérprete abandona la tecla después del ataque, lo que provoca que el martillo rebote contra la cuerda y vuelva a su posición inicial de reposo.
En el ataque normal manteniendo la tecla hundida bajo la presión del dedo, el martillo rebota pero es retenido por el atrape. Simultáneamente, la caída del martillo provoca la bajada de la palanca del doble escape, con lo que el muelle se comprime. En dicha posición, cuando el pianista disminuye la presión ejercida sobre la tecla, al ser liberado el martillo del atrape, en lugar de caer, no solamente queda suspendido sino que rebota ligeramente hacia arriba, empujado por la fuerza del muelle. Con esto se solucionan de manera eficaz todos los problemas ocasionados en las repeticiones rápidas, trinos, etc.
En el ataque en pianísimo manteniendo la tecla hundida, el martillo es retenido por la palanca del doble escape y permanece preparado para nuevas repeticiones.
El control eficaz de la caída del martillo, gracias al doble escape, fue la gran mejora introducida por Sébastien Érard a principios del siglo XIX.[4]
Dinámica

La mecánica del piano es bastante particular ya que no emplea el mecanismo habitual de una palanca para reducir el esfuerzo necesario para levantar un peso, sino que utiliza el peso del teclado para controlar la velocidad del macillo en el ataque contra la cuerda. El objetivo del conjunto de palancas del mecanismo es permitir una gran variedad de sonidos en función del control del impulso del macillo.
Las proporciones de los brazos de palanca del mecanismo de percusión del piano son de 2:3, 3:4 o 4:5 según el tipo de instrumento para el teclado, con el brazo largo siempre a favor del pianista; 1:1 para la báscula y para el macillo una proporción de 6:1, es decir, que el peso real del macillo se incrementa en 6 veces a cambio de velocidad.[5]
La fuerza ejercida sobre la tecla y la velocidad con la que se pulsa la misma (conocido en física como momento) tiene una equivalencia directa en el otro extremo del mecanismo, donde un macillo relativamente ligero viaja con una gran aceleración.
El macillo de un piano moderno pesa entre 2 y 5 gramos. Sin embargo, el peso mínimo que es necesario aplicar sobre el teclado del instrumento para mantener en equilibrio la tecla y el macillo, en la mayoría de pianos, de 50 gramos. Por tanto, el mecanismo del piano no está ideado para ahorrar esfuerzo aunque no toda la fuerza que se ejerce sobre el teclado la consume la dinámica del macillo, ya que también es necesario vencer la resistencia de fricción entre las distintas piezas. La suma de todas las fricciones es de 17 a 22 gramos en un piano perfectamente ajustado.[5]
Para corregir las diferencias de peso entre unas teclas y otras, el fabricante de pianos debe regularlas de manera uniforme, añadiendo en los lugares convenientes de la tecla, unos pequeños cilindros de plomo. En los pianos de cola, estos cilindros de plomo se colocan en la parte frontal para corregir el exceso de peso del mecanismo. Sin embargo, en los pianos verticales se colocan en la parte trasera de la tecla para incrementar su peso, ya que el mecanismo es demasiado ligero.
Es necesario tener en cuenta que el peso de un teclado no es independiente del sonido del instrumento ya que cuando se ejerce una fuerza concreta sobre el teclado, se espera también una respuesta concreta en el sonido. Si este es demasiado duro y metálico, se tiene una sensación de poco peso. Por el contrario, un sonido demasiado débil, produce una sensación de cansancio. La energía aplicada a la tecla es transmitida de forma encadenada por todas las piezas del mecanismo hasta que el macillo realiza la percusión de la cuerda, la cual recoge dicha energía, convirtiéndola en sonido. Cuanto más eficaz sea esta transmisión, mayor es la sensación de control y de firmeza en el tacto del piano. Por esto, es preciso que todo el mecanismo esté bien calculado, ajustado y regulado.
La fuerza ejercida y el resultado sonoro obtenido dependen de la eficacia del mecanismo del instrumento, y por tanto, de su diseño. El mecanismo del piano, como cualquier máquina, tiene un rendimiento. Este es distinto según la región de volumen sonoro en la que se trabaja y se mide como relación entre el trabajo aplicado sobre el teclado y el trabajo realizado por el macillo. En términos generales, el rendimiento es bajo en la región de pianissimos, óptimo en la región de piano a mezzoforte y muy bajo en los fortissimos. Por tanto, hay un mayor control y variedad sonora en la región de sonidos medios. Al aumentar el peso del teclado, sitúa al instrumento en una zona de peor rendimiento y de más difícil control.[5]
Mecanismo de piano de cola moderno
|
Apagador(15)
|
|
(10) Macillo
|
Referencias
- ↑ «El martillo». Archivado desde el original el 7 de enero de 2009. Consultado el 19 de noviembre de 2008.
- ↑ a b c d «Mecanismo del piano: Las piezas». Archivado desde el original el 28 de agosto de 2008. Consultado el 21 de noviembre de 2008.
- ↑ «Mecanismo actual de un piano». Archivado desde el original el 14 de octubre de 2008. Consultado el 13 de octubre de 2008.
- ↑ a b «Funcionamiento del mecanismo del piano». 2008. Archivado desde el original el 19 de noviembre de 2008. Consultado el 29 de noviembre.
- ↑ a b c «Dinámica del mecanismo del piano». 2008. Archivado desde el original el 2 de abril de 2009. Consultado el 29 de noviembre.
Véase también
Enlaces externos
Wikimedia Commons alberga una categoría multimedia sobre Mecanismo de percusión del piano.
