Monoestable
El monoestable es un circuito multivibrador que realiza una función secuencial consistente en que al recibir una excitación exterior, cambia de estado y se mantiene en él durante un periodo que viene determinado por una constante de tiempo. Transcurrido dicho período, la salida del monoestable vuelve a su estado original. Por tanto, tiene un estado estable (de aquí su nombre) y un estado casi estable.
Funcionamiento

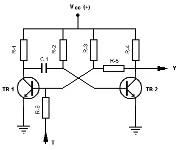
En la Figura 1 se representa el esquema de un circuito multivibrador monoestable, realizado con componentes discretos, cuyo funcionamiento es el siguiente:
Al aplicar la tensión de alimentación (Vcc), los dos transistores iniciarán la conducción, ya que sus bases reciben un potencial positivo a través de las resistencias R-2 y R-3, pero como los transistores no serán exactamente idénticos, por el propio proceso de fabricación y el grado de impurezas del material semiconductor, uno conducirá antes o más rápido que el otro.
Supongamos que es TR-2 el que conduce primero. El voltaje en su colector estará próximo a 0 voltios (salida Y a nivel bajo), por lo que la tensión aplicada a la base de TR-1 a través del divisor formado por R-3, R-5 , será insuficiente para que conduzca TR-1. En estas condiciones TR-1 permanecería bloqueado indefinidamente.
Pero si ahora aplicamos un impulso de disparo de nivel alto por la entrada T, el transistor TR-1 conducirá y su tensión de colector se hará próxima a 0 V, con lo que C-1, que estaba cargado a través de R-1 y la unión base-emisor de TR-2, se descargará a través de TR-1 y R-2 aplicando un potencial negativo a la base de TR-2 que lo llevará al corte (salida Y a nivel alto) . En esta condición la tensión aplicada a la base de TR-1 es suficiente para mantenerlo en conducción aunque haya desaparecido el impulso de disparo en T.
Seguidamente se inicia la carga de C-1 a través de R-2 y TR-1 hasta que la tensión en el punto de unión de C-1 y R-2 (base de TR-2) sea suficiente para que TR-2 vuelva a conducir y TR-1 quede bloqueado. La duración del periodo cuasi estable viene definido por los valores de C-1 y R-2.
Monoestables integrados
Se encuentran monoestables integrados en varias familias lógicas, tanto TTL (9601, 74121 y otros) como CMOS (4047, 4528, ...). Son circuitos que comprenden parte analógica, que es la generación del pulso, y parte digital, que proporciona varias funciones lógicas entre las entradas y las salidas digitales.
La precisión de la temporización depende de la parte analógica, que suele consistir en un generador de corriente que carga un condensador C (externo) y un comparador de tensión. Muchas veces el generador de corriente sólo es una resistencia R (externa o interna) conectada a Vcc. La duración del pulso es función de R·C, aunque la dependencia exacta depende del modelo. Entonces, las tolerancias de R y C aparecen directamente como errores en la duración del pulso, así como sus variaciones con la temperatura. Además es la parte más sensible al ruido.
La parte digital les añade distintas prestaciones, produciendo diversos tipos de monoestables:
- Restaurable o resetable: Una entrada de reset permite interrumpir el pulso en cualquier momento, dejando el dispositivo preparado para un nuevo disparo.
- Redisparable (retriggerable): Permite reiniciar el pulso con un nuevo disparo antes de completar la temporización. Digamos que se tiene un temporizador de 4 ms, pero a los 2 ms de iniciado el pulso se realiza un nuevo disparo; la duración que se obtiene es de 2 + 4 = 6 ms. Los monoestables no redisparables sólo permiten el disparo cuando no existe ninguna temporización en curso. Es decir, en el ejemplo anterior ignoraría el segundo disparo y se obtendría un pulso de 4 ms solamente.
- Monoestable-Multivibrador: Son monoestables dobles (Dos, normalmente independientes) en la misma cápsula que permiten su conexión de forma que el fin del pulso generado por uno de ellos dispara al otro. Permiten el control preciso e independiente de los tiempos alto y bajo de la señal de salida.
- Para temporizaciones largas, se añaden contadores a un multivibrador que prolongan la duración del pulso. Por ejemplo, el ICM7242.
El uso de monoestables en circuitos digitales está fuertemente desaconsejado, ya que añaden imprecisiones debidas a los componentes analógicos, mayor sensibilidad al ruido y a fuertes golpes , y aumentan el consumo en niveles altísimos y el tamaño es demasiado grande. En su lugar se utilizarán contadores digitales que generen las temporizaciones a partir de un reloj de referencia.
Otros Monoestables
Además de los circuitos anteriores, existen circuitos con una parte digital muy reducida, que se pueden utilizar bien como monoestables o como multivibradores y existen tanto en tecnología bipolar como cmos. El NE555 es el paradigma de este tipo de circuitos.
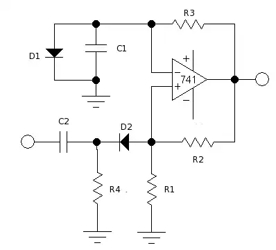
Multivibrador monoestable con amplificador operacional

El circuito de la figura 2 corresponde a un multivibrador astable ampliado con una etapa de disparo y un diodo fijador de voltaje en el condensador C1.
Debe escogerse un valor de R4 mucho mayor a R1 para que, cuando el diodo D2 conduzca, sólo pase una pequeña corriente por él, permitiendo que el terminal V+ se aproxime al divisor entre R2 y R1.
Inicialmente el operacional, por sus propias imperfecciones físicas, generará aleatoriamente una pequeña diferencia entre sus terminales, la cual rápidamente se regenerará a través de la realimentación del operacional, haciendo que éste entre en saturación alcanzando un estado estable indefinidamente.
Si se inyecta una señal cuadrada a la entrada del disparador, compuesto por R4, C2 y D2, se producirá un impulso negativo en el terminal no inversor.
Si inicialmente el circuito se encontraba en modo de saturación positiva el pulso establecerá una diferencia entre los terminales suficiente para cambiar el modo a saturación negativa, a partir de este momento el multivibrador entra en un estado "cuasi estable". El condensador C1, fijado a la tensión del diodo D1, comenzará una descarga tratando de alcanzar el voltaje de saturación negativa, pero al superar negativamente el valor del divisor de tensión entre R1 y R2, conmutará nuevamente a saturación positiva. El condensador volverá a cargarse con una constante de tiempo C1*R3 buscando el voltaje de saturación positiva hasta encontrar el voltaje del diodo D1, permaneciendo estacionado en ese valor hasta la generación de un nuevo pulso.
Es importante resaltar dos intervalos de tiempo: el tiempo de modo "cuasi estable" y el tiempo de recuperación del condensador. La generación de un nuevo pulso debe respetar la suma de estos dos intervalos, de lo contrario podría no obtenerse los resultados esperados.
- Tiempo en que el circuito se encuentra "cuasi estable":
- Tiempo de recuperación:
: Voltaje de alimentación del operacional menos el voltaje de Swing (Vswing aprox. 2V a 3V )
: Voltaje del diodo D1
El tiempo entre pulsos no debe ser menor a:
De esta forma se requiere que la señal de entrada posea una frecuencia menor a:
Enlaces externos
Referencias