Open Graphics Project

El Open Graphics Project (OGP) (proyecto de gráficos abierto) está dirigido a diseñar un hardware libre / de arquitectura abierta y estándares para tarjetas gráficas primariamente teniendo como objetivo sistemas operativos de software libre. El proyecto primero realizará un desarrollo programable y tarjetas prototipo, pero apunta a producir en algún momento una tarjeta gráfica para el usuario final con todas las características y competitiva.
OGD1
La primera meta a corto plazo es implementar un prototipo de una tarjeta gráfica PCI apodada OGD1 usando un chip FPGA. Aunque esta tarjeta no estará capacitada para competir con el desempeño o la funcionalidad de las tarjetas gráficas existentes en el mercado, será útil como una herramienta para hacer prototipos de la primera tarjeta de Circuito Integrado para Aplicaciones Específicas (ASIC), como también para otros profesionales que necesiten tarjetas gráficas programables o tarjetas prototipo basadas en FPGA. Se espera que este prototipo atraerá suficiente interés para ganar un cierto beneficio y atraer a los inversionistas para la siguiente tarjeta, puesto que se espera que cueste alrededor de 2 millones de dólares el comienzo de la producción de un diseño especializado ASIC. Seguirán variaciones posteriores para AGP y PCI Express. Los prototipos iniciales del OGD1 están disponibles desde enero de 2007[1].
Las especificaciones completas serán publicadas y los controladores de dispositivo de código fuente abiertos estarán disponibles. Todo el RTL será publicado. El código abierto de los controladores del dispositivo y el BIOS serán liberados bajo la licencia Licencia MIT y la Licencia BSD. El RTL (en Verilog) usado para el FPGA y el RTL usado para el ASIC están planeados para ser liberados bajo la Licencia pública general de GNU (GPL).
Tendrá 256 MiB de memoria RAM DDR, enfriado pasivamente y siguiendo los estándares VESA: DDC, EDID, DPMS y VBE. También está planeada una salida de TV (TV-out).
Esquema de versiones
El esquema de versiones para el OGD1 será como sigue:
{Número raíz} – {Memoria de video}{Interfaces de salida de video}{Opciones especiales, ej: A1 OGA firmware installed}
| Campo | Valor de ejemplo | Descripción de ejemplo |
|---|---|---|
| Número raíz | OGD1P- | Tarjeta OGD1 con Bus PCI |
| Memoria de video | 256 | 256 MiB |
| Salidas de video, en orden, se salta cualquiera que no esté instalada | ||
| Primera interface | D | Dual Link DVI |
| Segunda interface | D | Dual Link DVI |
| Tercera interface | A | Video análogo, 75 ohmios, compatible con VGA |
| Cuarta interface | V | Video de TV |
| Opciones especiales, en orden alfabético, cada una precedida por una raya (dash) | ||
| firmware de factoría-RTL | A1 | Firmware OGA1 |
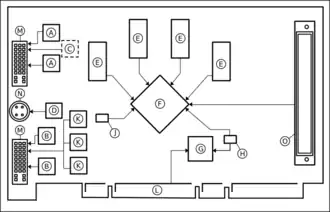
Componentes

Los principales componentes de la tarjeta gráfica OGD1 (mostrada en el esquema)[1]
- A) Par de transmisión A del DVI
- B) Par de transmisión B del DVI
- C) Triple DAC de 10 bits de 330 MHz (atrás)
- D) Chip de TV
- E) DDR SDRAM 2x4 de 256 megabits (frente, atrás)
- F) FPGA Xilinx 3S4000 (chip principal)
- G) Lattice XP10 FPGA (interface host)
- H) PROM SPI de 1 Mbit
- J) PROM SPI de 16 Mbit
- K) 3 x DAC de 500MHz (opcional)
- L) Conector de borde de 64 bits del PCI-X
- M) Connector A y connector B de DVI-I
- N) Conector S-Video
- O) Conector del bus de expansión de 100 pines
Divisiones/términos relacionados al OGP
- Open Graphics Project (OGP)
- El grupo de personas desarrollando el OGA, su documentación escrita y sus productos.
- Open Graphics Architecture (OGA)
- La marca registrada para las arquitecturas gráficas abiertas especificadas por el Open Graphics Project.
- Open Graphics Development (OGD)
- La tarjeta de experimentación inicial basada en FPGA usada como plataforma de prueba para los ASIC TRV.
- Traversal Technology (TRV)
- El nombre comercial para los primeros productos ASIC, basados en la Open Graphics Architecture.
- Open Graphics Card (OGC)
- Tarjetas gráficas basadas en los chips TRV.
- Open Hardware Foundation (OHF)
- Una corporación sin fines de lucro cuya carta de principios??? es promover el diseño y la producción de hardware libre y documentación abierta.
Véase también
- Project VGA - Un proyecto más simple con menos hardware exigente
- Hardware libre
- Sistema abierto
- OpenBook Project
Referencias
- ↑ «OGD1 map guide». Open Graphics wiki. Archivado desde el original el 27 de septiembre de 2007. Consultado el 4 de septiembre de 2006.
Enlaces externos
- Sitio web del proyecto (en inglés)
- Especificaciones (PDF) (en inglés)
- Interview de Timothy Miller del 25 de enero de 2005 en kerneltrap.org (en inglés)