Principio de Millman

El teorema o principio de Millman (llamado así en honor al electrónico ruso Jacob Millman) es utilizado para obtener directamente la diferencia de potencial entre los extremos de un circuito eléctrico. Resulta indicado cuando se tiene sólo dos nodos, o lo que es lo mismo, varias ramas en paralelo.

En concreto, establece que:

En un circuito eléctrico de ramas en paralelo, cada una compuesta por una fuente de tensión ideal en serie con un elemento lineal, la tensión en los terminales de las ramas es igual a la suma de las fuerzas electromotrices multiplicadas por la admitancia de la rama dividido por la suma de las admitancias.


Jacob Millman

Esto mismo, formalmente:

Donde F es la fuente de tensión o de corriente según sea el caso y G, es la conductancia.

Observación: Para propósitos del cálculo, el valor de la fuente de tensión o de corriente es igual a cero en una rama que consiste en nada más que una resistencia.

Demostración del Principio de Millman

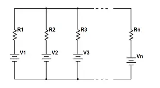
Considerando el esquema del circuito que aparece en la figura:

Como las ramas (Zk; Ek) están en paralelo, se trabaja con las admitancias y las transformaciones Thévenin -> Norton : (convención generador)

Para cada rama (fuente de tensión e impedancia), se obtiene, a partir de la Ley de Ohm:

A continuación, a partir de la Ley de Kirchhoff, tenemos:

Y desarrollando...

Normas prácticas para aplicar Millman

  • Se señalan dos nodos A y B, por ejemplo la parte superior e inferior.
  • Se asigna un sentido arbitrario a la tensión Vab, si el resultado final es positivo, la polaridad adoptada es cierta, si es negativo hay que cambiar la polaridad.
  • Se calculan las corrientes parciales de cada una de las ramas producidas por los generadores de cada rama actuando independientemente. Si una rama no tiene generadores, se supone la corriente de esa rama igual a cero.
  • Las corrientes parciales que se dirigen hacia el nodo que se ha considerado positivo se toman con el signo +. Las corrientes que se alejan se consideran -.
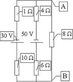
Imagen referida en el ejemplo práctico
  • La tensión total Vab viene dada por la expresión general:

(donde se conoce también como conductancia)


Ejemplo práctico

El signo - indica que la polaridad real de la tensión va de B(+) a A(-) por lo que VBA = 24.46V.

Véase también