Proceso Manhès-David

El proceso Manhès-David es un procedimiento de afinado de matas de cobre inventado en 1880 por el industrial francés Pierre Manhès y su ingeniero Paul David. Inspirado en el proceso de Bessemer, consiste en el uso de un convertidor para oxidar con aire los elementos químicos indeseables (esencialmente hierro y azufre) contenidos en la mata para transformarla en cobre.
La cantidad de elementos a oxidar, así como el bajo calor de la reacción, impusieron modificaciones al convertidor. Manhès y David le dieron forma de cilindro, con toberas alineadas de un extremo al otro. Unos años más tarde, los estadounidenses William H. Peirce y Elias A. C. Smith utilizaron un revestimiento refractario básico, mucho más duradero que el utilizado por los inventores franceses. Si bien esta mejora no modificó los principios del proceso, facilitó su uso a gran escala, acelerando el paso de la primacía de la producción de cobre del Reino Unido a los Estados Unidos.
Al inicio del siglo XXI, el convertidor Peirce-Smith aseguraba el refinado del 90% de las matas de cobre e intervenía en el 60% del níquel extraído. Este convertidor, como la adición de oxígeno puro, la automatización del proceso, el tratamiento de los humos y el tamaño cada vez mayor de las instalaciones han asegurado la durabilidad del proceso Manhès-David, aunque las herramientas modernas ya no tienen mucha relación con sus antecesoras. .
Génesis del proceso
Origen en el proceso Bessemer
Así como el arrabio producido por un alto horno es hierro aleado con otros elementos químicos para formar fundición, el cobre extraído del mineral está en forma de una aleación con azufre, hierro y otros elementos, llamada mata. Por lo tanto, aplicar los mismos procesos a estos dos metales es un paso lógico. Así, se propuso trasladar la idea del convertidor Bessemer a la metalurgia del cobre, y el principio fue validado en 1866 (diez años después de la invención de Henry Bessemer) por el ingeniero ruso Semenikow.[L 1] Sin embargo, su aplicación práctica resultó más compleja de lo previsto:
Las analogías entre estas dos producciones son realmente muy grandes. Así como en el alto horno el mineral es reducido en estado de fundición para producir una combinación de hierro y carbono, así el mineral de cobre se transforma […] en un compuesto sulfuroso, formado por cobre, hierro y azufre. En estas dos operaciones se separan los metales de la ganga y se obtienen productos principales similares; por un lado, es un carburo y un siliciuro de hierro y manganeso; por el otro, un sulfuro de hierro y cobre. Por la simple acción del aire insuflado, durante la operación Bessemer, se eliminan silicio, manganeso y carbono; del mismo modo se quita de la mata su azufre y su hierro, que son ambos más oxidables que el cobre. Pero las dificultades encontradas en el tratamiento de las matas son mucho mayores que las del tratamiento del arrabio, donde los elementos a oxidar no superan del 9 al 10% del peso del metal; [en] la mata, por el contrario, […] hay que eliminar el 80% de los materiales tratados por oxidación. Los elementos extraños del hierro fundido, el silicio y el carbono, reaccionan generando una cantidad considerable de calor[…]. El azufre y el hierro, por otro lado, producen solo una [fracción de este calor][1]…P. L. Weiss; Le Cuivre
De hecho, las mediciones muestran que el afinado del hierro fundido en el convertidor es posible porque la combustión de los elementos indeseables es muy exotérmica: la oxidación del silicio y del carbono produce allí respectivamente 32,8 y 10,3 kilojulios por kilogramo.[2] Por el contrario, si una mata de cobre contiene una gran cantidad de hierro y azufre, estos elementos primero deben disociarse, lo que consume 6,8 kilojulios por kilogramo de FeS, antes de que su oxidación, que produce respectivamente solo 5,9 kJ/kg, pueda comenzar.[H 1][1]
Primeras pruebas
Los primeros refinados de mata de cobre utilizando un convertidor se realizaron desde 1866 hasta 1875 en Ducktown (Tennessee), donde A. Raht[nota 1] consiguió solamente obtener un refinado parcial. En 1867, los rusos Jossa y Latelin intentaron validar experimentalmente los estudios de Semenikow, pero en 1870 detuvieron sus experimentos después de solo lograr aumentar el contenido de cobre de su mata del 31% al 72-80%.[H 2]
En Inglaterra, John Hollway profundizó estos ensayos hasta 1878.[nota 2] Al igual que sus antecesores, observó que si el soplado se inicia de forma satisfactoria, éste se vuelve cada vez más intermitente a medida que avanza el refinado. Los obstáculos identificados eran numerosos:[L 2]
- El peso de las escorias producidas es igual al del cobre, y su volumen mucho mayor que el del metal en el horno. Por lo tanto, era necesario drenarla con regularidad
- La densidad del metal fundido cambia significativamente (el cobre tiene una densidad triple que las piritas de las que se deriva)
- La duración del soplado, que alcanza las 2 horas, provoca importantes pérdidas de calor
- El revestimiento refractario silíceo es absorbido por la escoria[nota 3] de la que sirve como fundente.[nota 4]
Todas las dificultades encontradas no podían resolverse fácilmente: el balance de calor de la reacción de refinado del cobre con aire no es tan favorable como para el hierro, y la mata se solidifica en la punta de las boquillas antes de ser afinada.[1] Incluso modificado, un convertidor Bessemer solo es capaz, en el mejor de los casos, de eliminar el hierro y parte del azufre.[6] Hollway no tuvo éxito, pero al publicar todos los detalles de sus experiencias, identificó los principales problemas del proceso.[7]
Boquillas laterales
En la década de 1870, el industrial francés Pierre Manhès comenzó las pruebas con un convertidor Bessemer ordinario pequeño (de 50 kg de capacidad) en su fábrica de Vedène y después en las fábricas de Éguilles, cerca de Aviñón.[1] Buscaba refinar una mata a 25 a 30% de cobre previamente fundido en un crisol. Pero al igual que Hollway, no logró refinarla completamente. La oxidación de elementos indeseables se producía como se esperaba, pero la operación se interrumpe rápidamente por la aparición de cobre metálico.[8] En efecto, la mata, que es un compuesto iónico, es inmiscible con la escoria, pero también con el metal fundido. Este último, más denso (ρcobre ≈ 9), desciende al fondo del convertidor[9] y obstruye las boquillas:
Al inicio de la operación, el baño conservó su fluidez, gracias a la liberación de calor producido por la oxidación del hierro y el azufre. Pero cuando se purificó una cantidad notable de cobre, este metal más denso se acumuló en el fondo, y no tardó en solidificarse obstruyendo las boquillas, mientras que en la superficie la reacción se hizo tumultuosa, provocando proyecciones de escoria. El metal, en consecuencia, estaba obligado a hundirse antes de su completa purificación, con el consiguiente peligro de solidificación del baño de cobre.H. Moissan et L. Ouvrard; Le Nickel/MÉTALLURGIE DU NICKEL (Le Nickel)[8]
Pierre Manhès patentó más adelante el uso de aditivos[nota 5] cuya oxidación liberaría suficiente calor para evitar cualquier solidificación del metal. Finalmente, fue el francés Paul David, entonces ingeniero de la fábrica de Manhès, quien en 1880 sugirió la solución. Propuso disponer unas boquillas horizontales, colocadas a una distancia suficiente del fondo del convertidor, para que el cobre pueda quedar debajo de ellas, y la corriente de aire sople constantemente sobre la mata.[6] En 1881, su convertidor era técnicamente operativo y rentable.[L 3]
Durante el otoño de 1884, el proceso fue adoptado en Estados Unidos, por la Parrot Silver and Copper Company, de Butte (Montana).[P 1] En 1885, A. J. Schumacher logró realizar allí un refinado completo en la misma retorta. Su método fue perfeccionado más tarde por C. O. Parsons y F. Klepetco en Great Falls (Montana). Finalmente, Franklin Farrel, aún en Parrot Works, sistematizó el destape de boquillas gracias a su anillado. La forma de la retorta se perfeccionó allí, convirtiéndose en el estándar hasta la aparición del convertidor cilíndrico.[7]

![]() |
![]() |
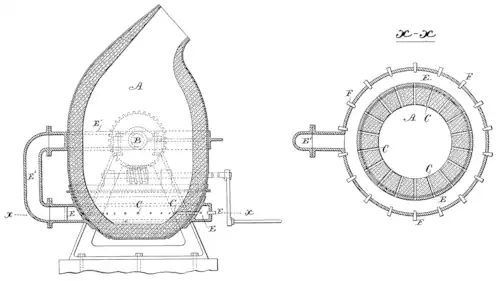
La forma cilíndrica
Alrededor de 1883-1884, cuando se adoptó el proceso en los Estados Unidos, los dos inventores franceses estudiaron un cambio en la forma del convertidor, que se convirtió en un cilindro con un eje horizontal.[L 3] La alineación de las toberas sobre una generatriz del cilindro hace que estén todas situadas con la misma inmersión.[6] La forma también permite limitar la altura del baño, lo que simplifica la realización del proceso porque la presión necesaria para soplar el aire es menor y la capa de cobre que se deposita en el fondo es más delgada. Además, es fácil corregir la profundidad de inmersión de las boquillas girando más o menos el convertidor. También es posible verter la mata por una abertura situada en un extremo, cerca del eje de giro, y vaciar la escoria por otra abertura lateral, diametralmente opuesta a las boquillas.[nota 6][L 4]
El convertidor cilíndrico se generalizó progresivamente,[nota 7] aunque sin eliminar rápidamente los convertidores verticales en forma de retorta.[12][nota 8] Ambos tipos de convertidores fueron cada vez más grandes, pasando de una capacidad de 1 tm a 8 tm en 1912,[L 3] e incluso alcanzando las 15 tm los convertidores cilíndricos en 1920.[6]
![]() |
![]() |
![]() |
Convertidor mejorado de Peirce y Smith


Como la escoria se enriquece en óxido de hierro durante el soplado, se convierte en básica y se combina con el revestimiento refractario silíceo, que es muy ácido.[L 3] Un revestimiento básico no sería atacado y por lo tanto reduciría el coste de producción. Hollway sugirió la adopción de un recubrimiento inspirado en el desarrollado por Sidney Thomas y Percy Gilchrist en 1877[14] durante sus últimas pruebas a principios de 1800.[L 3] Pero la idea no estaba probada, siendo entonces más prioritarios los problemas fundamentales relacionados con el soplado que la optimización del refractario.[1]
En 1890, se probó un revestimiento refractario básico en uno de los convertidores Manhès-David de Parrot Smelter, en Butte, bajo la dirección de Herman A. Keller. Las pruebas no condujeron a la obtención de un recubrimiento compatible con el rendimiento industrial exigible al proceso.[L 6] Entonces, después de muchos ensayos, Ralph Baggaley que todavía estaba en Montana, logró industrializar en 1906 un convertidor con revestimiento básico en Pittsmont Smelter[nota 9]... que se abandonó en 1908 cuando se cerró la fábrica.[7] Sin embargo, el noruego Knudsen consiguió en 1903 utilizar un revestimiento básico mientras trabajaba para la compañía de las Minas de Sulitjelma: realizaba dos soplados sucesivos, primero en un pequeño convertidor con revestimiento básico, y luego en un segundo convertidor clásico, con revestimiento ácido.[L 6]
Finalmente, en 1909,[11][16] en la Baltimore Copper Company's Smelter, los estadounidenses William H. Peirce y Elias A. C. Smith lograron hacer frente a los principales inconvenientes de los refractarios básicos, que son más frágiles y, sobre todo, se expanden y disipan más calor que los refractarios ácidos.[L 7] Para ello, desarrollaron una mampostería adaptada al convertidor cilíndrico y aumentando la cantidad de metal cargado, resolvieron los últimos problemas del proceso.[L 8][nota 10]
El convertidor Peirce-Smith resultó mucho más ventajoso que el de Manhès y David. El refractario básico, que no reacciona con la escoria, dura mucho más. Esta mejora reduce el mantenimiento del refractario de los convertidores, reduce la construcción de instalaciones para producir ladrillos refractarios[L 9] y la necesidad de acumular material de repuesto (dos equipos de producción de ladrillos por cada convertidor en servicio en 1897 en Anaconda Copper),[13] y limita los riesgos de rotura por un mal control del desgaste del refractario.[P 3] La capa refractaria puede entonces ser más delgada, lo que aumenta la capacidad del convertidor, cuyo funcionamiento ya no depende del desgaste del refractario, lo que a su vez simplifica la gestión de los flujos de metal fundido en la planta.[L 10]
Si el material utilizado para preparar el refractario ácido contiene cobre, o incluso oro o plata (frecuentemente asociados con el cobre en el cuarzo aurífero)[17] estos metales se unen a la mata a medida que se elimina el recubrimiento. En vista de su rápida destrucción, la ventaja económica de un refractario ácido solo es concebible si su consumo aporta valor al proceso.[L 11] Sin embargo, esta situación es bastante rara e, incluso en este contexto, una sílice rica en metales preciosos puede rentabilizarse por otros medios. Así, en 1921, el refractario básico se consideraba como el principal elemento de reducción de costos en la pirometalurgia de minerales del cobre.[15]
En algunos casos, el costo de conversión descendió de 15−20 dólares a 4−5 dólares.[18]

El proceso
Mata
El proceso solo justifica su interés económico con calidades precisas de mata, a veces llamada “mata de bronce".[6] En efecto, si la oxidación de los elementos indeseables (esencialmente el hierro) es exotérmica, es necesario aportar una proporción de sílice para limitar la viscosidad de la escoria. Sin embargo, la sílice se carga en frío y la escoria no tiene valor[nota 11], conteniendo además estas escorias siempre un poco (0,5% al principio del siglo XXI)[9] de cobre.[L 12]
Para un revestimiento ácido, la mata contiene comúnmente del 40 al 50 % de cobre (o del 32 al 22 % de hierro respectivamente), aunque es posible, en ciertos casos, bajar al 32 % de cobre sin dejar de ser rentable.[L 12] Pero en este supuesto, el contenido de hierro no debe ser demasiado alto, para evitar un consumo demasiado rápido del refractario.[L 11]
Si al principio del siglo XX en los Estados Unidos se decía que una mata es pobre cuando contiene del 45 al 50 % de cobre,[P 4] en Europa las matas que contienen del 15 al 35% de cobre se refinan de manera rentable en convertidor,[P 5] aunque esto complique las operaciones. El soplado es entonces mucho más largo y la operación tiene lugar en varias etapas. Un revestimiento ácido, en estas condiciones solo dura de 7 a 10 procesos de soplado.[P 5] Un recubrimiento básico resulta mucho más adecuado: al no ser atacado por la escoria, puede afinar matas muy pobres y se puede optimizar el soplado para reducir el contenido en cobre de la escoria.[19] Desde el final del siglo XX, la conversión de una mata de 50 a 60% de cobre con un convertidor Peirce-Smith básico ha sido algo común.[9]
También es posible refinar cobre negro, que contiene más del 70% de cobre, hierro y un poco de azufre.[9] Este material proviene del reciclaje de residuos de cobre o del procesamiento directo del mineral.[20] Tal compuesto metálico se puede usar puro o mezclado con la mata en varias etapas del soplado.[21]
El convertidor
Los convertidores para procesar matas de cobre presentan algunas diferencias dependiendo de si el revestimiento refractario es ácido (sílice unida con arcilla)[L 11] o básico (basado en magnesita).[L 13][L 4]
Al comienzo del siglo XX, un convertidor con una capacidad de 7 tm requería 16 tm de refractario ácido, que duraba de 6 a 9 procesos de soplado. El diseño del convertidor tenía en cuenta las frecuentes intervenciones de mantenimiento: se podía abrir en dos mitades (parte inferior y parte superior) para que la reparación de la capa de refractario desgastado, con arena compactada, durase solo una hora y media.[L 14]
Al mismo tiempo, el revestimiento básico, mucho más eficiente, permitió producir convertidores de unas cuarenta toneladas de capacidad, cuyo revestimiento de ladrillos magnésicos soportaba hasta 75 ciclos.[nota 9] Este refractario, que no reacciona con la escoria, no genera un fundente ácido: si no se combina con la sílice, la escoria se convierte en una masa infusible de óxidos de hierro,[L 8] Manhès[1] Baggaley[22] y otros, que habían intentado introducir arena por las boquillas, habían fracasado porque no tenía tiempo de reaccionar con la escoria.[7][nota 4] Esta dificultad se salvó colocando en el convertidor unas pocas toneladas de arena[L 8] antes de introducir la mata fundida.
| Ácido[L 15][17] (inicio del siglo XX) |
Básico[L 14][H 4] (inicio del siglo XX) |
Básico[E 3][11] (inicio del siglo XXI) | |
|---|---|---|---|
| Capacidad (tm de mata) | 7 (media) | 35 a 45 | 220 |
| Número de toberas | 14 | 27 | 60 |
| Espesor del refractario (cm) | 55 a 70 | 25 | 50 |
| Duración del refractario (toneladas de mata) |
42 a 63 | 2000 a 3000 | 60 000 a 90 000 (solo boquillas) |
Inadecuado para la producción en masa, el recubrimiento ácido desapareció gradualmente al comienzo del siglo XX. En 1912, en los Estados Unidos, el 80% de la refinación del cobre se realizaba en convertidores revestidos con refractario básico, muchos de los cuales estaban diseñados para refractario ácido.[7] En 1925 desapareció el revestimiento ácido: cada libra de cobre refinado en el mundo se refina en un convertidor revestido con material refractario básico.[23]
Al comienzo de siglo XXI, una fábrica moderna tiene de 2 a 5 convertidores, con una capacidad unitaria de 100 a 250 tm,[E 4] cada uno de los cuales transforma 600 a 1000 tm de mata en 500 a 900 tm de cobre por día.[E 5] La vida útil de un convertidor Peirce-Smith moderno está entre 50 000 y 90 000 tm (es decir, en 1984, entre 100 y 200 días).[11] La sustitución del refractario dura una semana. Los refractarios más eficientes son los ladrillos de magnesia tratados con cromo.[E 6] En 2010, con 250 convertidores operativos en todo el mundo, los convertidores cilíndricos de Peirce-Smith proporcionaron el 90 % del refinado de matas de cobre.[E 7]
Secuencia de trabajo
El principio fundamental del convertidor Manhès-David se basa en el de Bessemer. Consiste en deshacerse de todos los elementos indeseables más oxidables que el cobre. El soplado oxida sucesivamente el hierro y el azufre, y debe detenerse cuando se hayan oxidado todos los elementos indeseables.[L 16]
Las reacciones de oxidación deben ser lo suficientemente exotérmicas[nota 12] para que la temperatura permanezca más alta que la del metal fundido. Pero también es necesario que la escoria sea suficientemente fluida. Para ello, debe combinarse con un fundente, la sílice. Este material lo proporciona o bien el revestimiento refractario del convertidor (refractario ácido),[L 3] o bien una carga previa de arena cuyo peso alcanza aproximadamente el 10% del peso de la mata (cuando se utiliza un refractario básico).[L 17]

La mata a afinar se vierte entre 900 °C[H 3] y 1200 °C.[E 5] Luego sigue una breve etapa, caracterizada por una llama roja con una espesa columna de humo blanco, donde se oxidan los constituyentes secundarios (carbono, arsénico y otros elementos en menor proporción).[L 18]
Cuando la llama se vuelve verde, la oxidación afecta solo al sulfuro de hierro (FeS)[nota 14], que continúa hasta que se agota el hierro. Mientras que el hierro se oxida a óxido de hierro(II) (FeO) y pasa a la escoria, el azufre se oxida a dióxido de azufre (SO
2), que sale del reactor en forma gaseosa:[L 18]
- FeS + 3 O → FeO + SO
2
La oxidación del hierro genera la mayor parte del calor y la escoria producidos durante el refinado.[L 18] Durante todo este tiempo, la temperatura debe permanecer por encima de 1208 °C[nota 15] para que la sílice pueda combinarse con el FeO:[H 3]
Cuando todo el hierro se ha oxidado, la llama se vuelve blanca con un tinte azul: corresponde a la oxidación del cobre en presencia de escoria. De hecho, a alta temperatura, la oxidación produce esencialmente silicatos de cobre (Cu
4SiO
4)[H 7] en lugar de reaccionar con el azufre. Por lo tanto, se vacía la escoria y se añade una carga de residuos de cobre a reciclar para enfriar la carga.[L 18] En este punto, el metal ha alcanzado un contenido de cobre de alrededor del 80%. Ya no contiene hierro, pero sigue siendo rico en azufre y en elementos difíciles de oxidar: esta aleación intermedia se denomina "metal blanco"[9] o "mata blanca".[26]
Luego se reanuda el soplado para oxidar el resto del azufre:[H 7]
Durante esta última fase, la llama se vuelve más pequeña, más clara y menos luminosa, con un tinte rojizo. Como el final del soplado no produce una modificación de la llama, se controla mediante muestreo.[L 18] Sin embargo, la oxidación del cobre al final del soplado es significativa: mientras que la escoria escurrida al final del primer soplado solo contiene un 2% de cobre, la escoria final puede contener más del 20%. Incluso si luego se reciclan ventajosamente para refinarse de nuevo, es mejor limitar su cantidad multiplicando, si es necesario, los vaciados[L 19][H 8] o buscando una cantidad máxima de cobre al final del soplado mediante recargas periódicas de mata.[L 17]
En el soplado, el convertidor se inclina cada vez más para alejar del fondo las boquillas, que tienen tendencia a obstruirse igualmente, por lo que es necesario desatascarlas regularmente utilizando una barra de acero.[L 18] El soplado es por tanto una operación exigente y, si se está trabajando con un refractario ácido, a la del metal fundido se suma la gestión del recubrimiento:
Quizás ninguna operación metalúrgica requiera personal más experimentado y una supervisión más cuidadosa y completa que el proceso de conversión.[P 6]
El metal del convertidor contiene más del 99% de cobre.[L 20] Se denomina "blister"[9] (que en inglés significa "ampolla"), debido a las burbujas de SO
2 disuelto que se forman en él cuando se solidifica.[E 4]·[P 7]
Evoluciones
Soplado de aire enriquecido con oxígeno
En 1895, Carl von Linde logró la licuefacción del aire. Independientemente de este planteamiento, Georges Claude puso en servicio en 1905 un proceso industrial para la licuefacción del aire. Sus patentes permiten la producción industrial, y sobre todo económica, de grandes cantidades de oxígeno y de nitrógeno líquido. Nacieron rápidamente empresas dedicadas a esta actividad (Claude fundó Air Liquide, mientras que von Linde creó The Linde Group y Praxair). En la década de 1920, las siderúrgicas experimentaron con el enriquecimiento de oxígeno del aire insuflado en los convertidores. Después de la Segunda Guerra Mundial, el método se generalizó, hasta el desarrollo del convertidor con oxígeno, que rápidamente suplantó al convertidor Thomas y al horno Martin-Siemens.[27]
El enriquecimiento con oxígeno en un convertidor Pierce-Smith se intentó más tarde, por primera vez en 1966 en la Fundición Saganoseki, en Japón. La adición de oxígeno facilita el bucle energético del soplado y flexibiliza el proceso. La práctica se extendió a principios de la década de 1970. Sin embargo, a diferencia de la industria del acero, no se desarrolló ningún convertidor de oxígeno puro,[28] de forma que el contenido de oxígeno puede alcanzar excepcionalmente el 60 %.[29] De hecho, niveles muy altos de enriquecimiento generalmente son contraproducentes: más allá del 25%, la vida útil de los refractarios puede disminuir.[E 6] En este caso, una inyección periférica de nitrógeno a las boquillas permite prolongar su vida útil.[K 1] De hecho, un alto enriquecimiento solo se justifica al comienzo del soplado, cuando el uso de oxígeno es máximo (las boquillas entonces están colocadas profundamente y la abundancia de elementos oxidables protege el cobre). En 2010, el contenido de O
2 alcanzaba el 30 % [E 8] y la mitad de los convertidores funcionaron a más del 29 % de O
2.[E 9]
La inyección de oxígeno acelera significativamente las reacciones químicas. Al comienzo del soplado, el uso de aire enriquecido con un 25-30 % de O
2 ahorra tiempo entre un 15 y un 30 %. Hacia la mitad de la colada, el enriquecimiento se detiene gradualmente. En la operación, el calor se disipa menos y es posible fundir cobre añadido (escorias de hornos anódicos, escorias de conversión, desechos de cobre y otros residuos). Según su calidad, se incorporan al proceso de 3 a 8 tm de adiciones en frío por cada tonelada de oxígeno añadido.[30] Para evitar el sobrecalentamiento en la punta de las boquillas, también se inyectan minerales de cobre concentrados en forma de polvo[H 9][9] a través de las propias boquillas. En 2010, del 10 al 15 % del metal provenía de adiciones en frío.[9]
Finalmente, el enriquecimiento del aire da como resultado humos menos abundantes y más ricos en SO
2, lo que facilita su tratamiento. Con un 25,1 % de oxígeno, el contenido de SO
2 de los humos de un convertidor con captura de humo de tipo Hoboken pasa del 8 al 10 %.[30]
Extensión a la pirometalurgia del níquel
Las piritas de cobre a menudo contienen níquel.[31] Los procesos de extracción son similares a los del cobre, y permiten obtener una mata que contiene aproximadamente un 20% de cobre y un 25% de níquel.[32] En consecuencia,
El Sr. Manhès inmediatamente buscó aplicar su proceso al tratamiento de sulfuros y minerales de arsénico de níquel, y logró obtener buenos resultados, por medio de algunas modificaciones.[33]

De hecho, al comienzo del soplado, una mata que contiene níquel se oxida como una mata de cobre. Pero cuando queda menos de 1 a 0.5% de hierro en la mata, el níquel comienza a oxidarse vigorosamente, tan rápido como el azufre[nota 16] Además, al ser la oxidación del níquel poco exotérmica, no es posible terminar el soplado. Por lo tanto, se interrumpe en la etapa de mata blanca, que casi ya no contiene hierro, pero sigue siendo rica en azufre. Si el refinado de una mata de níquel no puede ser tan completo como el de una mata de cobre, el convertidor sigue siendo relevante: en 1896, Henri Moissan señalaba que permite "en una sola operación, pasar de una mata cruda con un 16% de níquel a una mata rica con un 70%, y esto en pocas horas, evitando toda una serie de tostados seguidos de fusiones, tan largas y tan caras". La mata es fácil de procesar y la escoria, que acaba conteniendo un 5% de níquel, son ventajosamente reciclados.[33]
Al comienzo del siglo XXI, la eficiencia del convertidor Peirce-Smith lo hizo universalmente adoptado en la refinación de mata de minerales de níquel sulfuroso (pentlandita). El contenido de níquel de la mata cruda varía según el proceso: alrededor del 30 % para las matas de horno eléctrico, y un 40 % para las producidas por fusión flash.[K 2] El convertidor se inclina, o se inyecta nitrógeno, tan pronto como el hierro se oxida lo suficiente. Generalmente, la mata refinada contiene de un 40 a un 70 % de níquel y un 20 % de azufre. El contenido final de hierro depende de los procesos posteriores: de 1 a 4 % si se trata con lixiviación, 0,5 % si se trata con solidificación lenta o electrólisis. La escoria procedente del convertidor es enviada casi sistemáticamente a un horno eléctrico que la mantiene fundida, para decantar todas las gotas de metal fundido que contiene debido a que la considerable agitación del baño en el convertidor no permite una perfecta separación entre escoria y mata.[K 3] La escoria solo se recicla si contiene más del 0,6 % de níquel.[K 4]
La temperatura de trabajo, 1400 °C, es superior a la del cobre.[K 4] El níquel se combina con la sílice para formar una escoria muy pastosa, que obstruye las boquillas. Por lo tanto, nunca se debe interrumpir su limpieza, pues de lo contrario, todo se bloquea en menos de un minuto.[35] En 2011 se generalizó la inyección de oxígeno por las mismas razones que con la producción de cobre.[K 5]
En 2011, el proceso Manhès-David, al participar en el tratamiento de minerales sulfurosos de níquel, participó en el 60% de la extracción de níquel.[K 6] Algunos procesos incluso consisten en agregar azufre al ferroníquel crudo de las lateritas, para hacer una mata compatible con el proceso Manhès-David.[K 7] Pero, respecto al cobre, el convertidor se ve penalizado por sus emisiones de humos contaminantes.[K 8] Por lo tanto, se han desarrollado procesos alternativos de refinado de níquel. Por ejemplo, una fusión instantánea suficientemente oxidativa puede producir directamente una mata blanca. El refinado continuo también es menos contaminante que el realizado en un convertidor.[K 3]
Condicionantes generales
Impacto ambiental


Incluso antes de la invención del proceso Manhès-David, las poblaciones cercanas a las instalaciones dedicadas a la obtención de cobre sufrían las consecuencias de la lluvia ácida provocada por el tratamiento de minerales de cobre ricos en azufre: los industriales estadounidenses describieron entonces como smoke farming ("agricultura del humo"), la actividad de los agricultores para demandarlos.[nota 17] El tratamiento de los gases de combustión apenas se practicó: "En lugar de sufrir tal restricción, a los fundidores les resultó más económico comprar las granjas vecinas, o cultivarlas ellos mismos, o alquilarlas protegiéndose con una «cláusula de humo».[19]
Al comienzo del siglo XX, la aparición de grandes complejos metalúrgicos hizo necesario y económicamente posible el tratamiento de los gases de combustión. El proceso Manhès-David es tan contaminante como los procesos de tostado y fusión del mineral de cobre, que generan los mismos humos sulfurosos[37] cargados de óxidos y sulfato de zinc, plomo o arsénico. Todos los humos antes de ser lanzados a la atmósfera se recogen y se hacen circular por conductos, a veces de varios kilómetros de largo, en los que se depositan las partículas. Las chimeneas de las fábricas a veces alcanzan alturas récord. Cuando estos procesos todavía resultan insuficientes, se instalan filtros de mangas y electrofiltros a escala industrial.[19]
Las restricciones ambientales se fueron endureciendo a lo largo del siglo XX. En consecuencia, las industrias debieron realizar inversiones significativas tanto para cumplir con los estándares como para seguir siendo competitivas. En los Estados Unidos, entre 1975 y 1987, la capacidad de fundición se redujo en un 36%. En Europa, en 2001, se reprocesó el 99% del azufre.[37] La obtención de tal resultado representa una cuarta parte de los costos de transformación del mineral en cobre.[38] Entre las herramientas utilizadas, "el convertidor sigue siendo el principal problema ambiental en las fundiciones de cobre". De hecho, es difícil de sellar y su funcionamiento intermitente perturba las instalaciones de tratamiento de gases de combustión.[E 10]
El tratamiento de los humos del convertidor generalmente consiste en la eliminación del polvo que contiene y luego en la transformación del dióxido de azufre en ácido sulfúrico. Los pasos de procesamiento entonces consisten sucesivamente en:[E 11]
- Eliminación del polvo, utilizando electrofiltros
- Enfriamiento, mediante recuperación de calor en una caldera de recuperación
- Un lavado por aspersión con una neblina de agua, que absorbe tanto el polvo fino como los gases solubles (fluoruros, cloruros y otros compuestos)
- Un recalentamiento que precede a una oxidación catalítica de SO
2 en SO
3 - La producción de ácido sulfúrico H
2SO
4, por hidratación de SO
3
Una planta produce, dependiendo del contenido de azufre de la mata, de 2,5 a 4 tm de ácido sulfúrico por tonelada de cobre producida.[9] Para un tratamiento[nota 18] económico, el humo capturado debe ser lo más rico posible en SO
2.[nota 19][39] En general, el proceso se maneja para que la concentración de SO
2 en el humo enviado a la unidad de producción de ácido nunca sea inferior al 3 %[9] (la concentración de SO
2 está entre el 8 y el 12% dentro de un convertidor Peirce-Smith moderno). La extracción de humos es un punto delicado: demasiado potente, diluye el humo y lo enfría, lo que genera condensados corrosivos que pueden dañar las instalaciones de tratamiento.[E 13]
La restricción ambiental motivó muchas mejoras del convertidor. Por ejemplo, el convertidor Hoboken, desarrollado en la década de 1930,[39] dispone de un sistema de succión fijo, y por lo tanto está sellado. El contenido de SO
2 de los humos supera entonces el 12 %.[E 12] Con la captura de humo, realizar el proceso observando las llamas se convierte en una práctica completamente obsoleta: la composición química del humo es analizada continuamente por sensores. Más allá de estas mejoras, algunos procesos alternativos combinan fusión y refinado en un mismo reactor, lo cual está directamente inspirado en el convertidor, como en los procesos Noranda y Mitsubishi, desarrollados a partir de la década de 1980.[nota 20] El objetivo es tener un proceso continuo y evitar que la mata fundida se deba trasladar fuera del reactor.[39] Pero el reemplazo es lento debido a la excelente eficiencia química y de proceso del convertidor Peirce-Smith.[E 10]
![]() |
![]() |
![]() |
![]() |
Contexto tecnoeconómico

Al final del siglo XVI, Gran Bretaña producía el 75% del cobre del mundo,[40] procedente principalmente de las minas de Cornualles.[L 21] Alrededor de 1870, según Paul Louis Weiss, todavía producía más de la mitad, con minerales importados de todas partes del mundo, principalmente de Chile, España y Alemania. De hecho, los procesos desarrollados, como el horno de reverbero o la flotación por espuma, se mantenían en secreto y permitían consolidar el monopolio británico.[40] Pero a partir de esa fecha, la rápida expansión de la minería del cobre en América del Norte privó a los metalúrgicos británicos de su preponderancia. En 1873, los norteamericanos se convirtieron en los primeros productores de cobre del mundo.[41] En 1881, la llegada del ferrocarril al enorme yacimiento de Butte otorgó a las empresas estadounidenses el dominio mundial en la producción de cobre.[40]
El proceso Manhès-David no formaba parte de las mejoras británicas en tostado y fundición. Además, se completó con una serie de innovaciones que no se implantaron en Gran Bretaña, como el tostado en hornos giratorios o la electrólisis, acelerando el auge de la producción en el Nuevo Mundo:[L 22]
Habría sido imposible satisfacer la enorme demanda actual de metal con métodos antiguos y hornos tradicionales. El estímulo más fuerte para la adopción de estos procesos nuevos o modificados ha sido el desplazamiento de los principales centros de producción, desde los más antiguos y conservadores hacia los nuevos centros emergentes en Occidente, donde [alimentados] por un flujo cada vez mayor (y casi ilimitado) de la oferta de mineral disponible, y liberados de la necesidad de tener en cuenta las inversiones ya realizadas en antiguas fábricas, los hombres […] supieron desarrollar sus ideas con originalidad y energía.[L 23]Donald M. Levy; (Modern copper smelting)
Este cambio en los volúmenes de producción fue acompañado de un cambio similar en los precios, que contribuyó a acabar definitivamente con los antiguos procesos. De hecho, el siglo XIX estuvo marcado por una rebaja continua del precio del cobre: 160 £ por tonelada durante la primera década, luego 130 £, 101 £, 94 £ y 88 £ durante el período 1841-1850.[42] Aunque los secretos del método galés acababan de ser expuestos por la química moderna,[nota 12] los fundidores galeses se las arreglaron para llevarse bien y mantener los precios en este nivel hasta principios de la década de 1870. De 1885 a 1887, el precio del cobre alcanzó un mínimo histórico, por debajo de 50 £ por tonelada, a pesar de la fuerte demanda impulsada por los avances en la electricidad y la telefonía.[L 24] El progreso técnico generalizado en los Estados Unidos (sector de altos hornos - convertidores - refinado por electrólisis) permitió a los nuevos mineros estadounidenses, canadienses y australianos[nota 21] mantener sus ganancias, incluso a estos precios.[L 22]
La primacía estadounidense también se desarrolló en detrimento de Chile, que sin embargo disponía de unos depósitos de mineral de cobre formidables. De hecho, la producción de cobre cayó a la mitad durante la guerra del Pacífico, antes de detenerse casi por completo durante la guerra civil chilena de 1891,[41] cuando las mineras chilenas no pudieron continuar con sus inversiones. En Europa, la creatividad de los industriales,[nota 7] incluido Pierre Manhès, no pudo compensar la escasez del mineral. Finalmente, tras la quiebra generada por el intento de acaparamiento del cobre de 1887, los industriales estadounidenses montarán varios carteles que, al generar una serie de movimientos especulativos, desconectarán los precios del cobre de los costes de producción.[43]·[L 24]
Generalización y modernización del convertidor Peirce-Smith

La denominación Manhès-David desapareció a mediados de la década de 1920, al mismo tiempo que el convertidor de proceso ácido.[23] Sin embargo, el convertidor Peirce-Smith que lo reemplazó no presentaba ninguna diferencia notable en el proceso,[nota 10] pero representó tal progreso para los trabajadores de las fundiciones estadounidenses comprometidas en el crecimiento de la capacidad, que se perdió la referencia a Manhès y David. Además, aunque se reconocía de buena gana la paternidad del invento a los dos franceses,[44] no se mostró interés en las posteriores mejoras propuestas por David, como el selector. La adopción de la denominación Peirce-Smith ilustra el desarrollo de un sector típicamente estadounidense, basado en nuevos procesos y adaptado a la producción en masa a partir de minerales más pobres.[6][H 10]
Pero, a diferencia de la siderurgia, que abandonó los procesos Bessemer y Thomas durante la segunda mitad del siglo XX, el convertidor Peirce-Smith no fue reemplazado por un proceso más eficiente: en 2010, todavía representaba el 90% de la refinación de las matas de cobre.[E 7] De hecho, la industria siderúrgica tuvo acceso a yacimientos cada vez más ricos durante el siglo XX, con contenidos de hierro superiores al 50 %.[45] Por el contrario, la metalurgia del cobre comenzó a explotar yacimientos cada vez más pobres, de forma que el contenido promedio de cobre del mineral cayó del 3 % al comienzo del siglo XX,[46] al 0,6 % al comienzo del siglo XXI.[47][48] Con estos minerales, la pirometalurgia ahora representa solo el 10 % de la energía necesaria para toda la extracción de cobre.[49] En consecuencia, el esfuerzo de investigación se centró en las etapas anteriores del pretratamiento del mineral.
Sin embargo, el convertidor Peirce-Smith ha evolucionado. En la segunda mitad del siglo XX se realizaron investigaciones para apoyar al operador en la realización del soplado.[9] Desde entonces, ya no se trata de confiar únicamente en el color de la llama para determinar el progreso del soplado. La composición del humo se analiza constantemente, la temperatura se controla mediante un pirómetro óptico, instalado en una boquilla.[K 8] Además, sistemas automáticos desatascan las toberas.[E 14]
Aunque los convertidores ahora son dispositivos gigantescos, que a menudo refinan más 200 tm de mata en cada ciclo, la modernización de sus sistemas de control los ha hecho mucho más flexibles. Por ejemplo, la sílice incrustada se puede reemplazar por mineral de cobre concentrado, en cantidades que varían desde unas pocas decenas hasta varios cientos de kilogramos por tonelada de mata. Al modular con precisión el contenido de oxígeno del aire y al controlar la relación FeO/SiO
2 de la escoria, es posible mejorar aún más el rendimiento de la operación y limitar los costos de tratamiento de humos y escoria. Así, al comienzo del siglo XXI, como muchos procesos pirometalúrgicos, los convertidores Peirce-Smith evolucionan esencialmente para perfeccionar el proceso inventado por Pierre Manhès y Paul David.[9]
Véase también
Notas
- ↑ También existe una patente de 1866 de William L. Raht relativa al uso de un convertidor Bessemer para eliminar azufre, arsénico y antimonio presentes en diversas matas,[3]
- ↑ Patentes Británicas Este artículo trata sobre el año Proceso Manhès-David. Para otros usos de ese número, véase 1131.del 21 de marzo de 1878 yEste artículo trata sobre el año Proceso Manhès-David. Para otros usos de ese número, véase 4549.del 9 de noviembre de 1878.[4][P 1]
- ↑ La sílice (SiO
2) del revestimiento refractario es fuertemente ácida, por lo que es absorbida por el óxido de hierro(II) (FeO), que es básico.[5][P 2] Hollway propuso sortear esta dificultad añadiendo una carga adicional de sílice al mismo tiempo que el metal. También propuso adoptar un refractario básico.[L 3] - ↑ a b c El punto de fusión del FeO es 1377 °C. Si el FeO no se combina inmediatamente con sílice para formar fayalita (Fe
2SiO
4),[H 3] cuyo punto de fusión es 1208 °C, continúa su oxidación y se convierte en Fe
3O
4. Pero el punto de fusión del Fe
3O
4 es de 1597 °C. Pero a continuación el Fe
3O
4 se aglomera en una masa sólida que evita el soplado y no se puede evacuar del convertidor,[E 1] excepto mediante el uso de flujos reductores, como hierro de espejo[H 4].
Otra razón para combinar FeO con SiO
2 es que las escorias ricas en óxidos de hierro pueden oxidar el Cu
2S siguiendo la reacción siguiente: FeO
(escorias)+ Cu
2S
(mata)→ FeS
(mata)+ Cu
2O
(escorias) Tal reacción es indeseable porque hace que el cobre migre de la mata a la escoria. Por esta razón, los metalúrgicos evitan producir matas con más del 60% de cobre, aunque las ventajas de procesar una mata rica son obvias.[E 2] - ↑ Pierre Manhès evoca el carbón vegetal como combustible, pero recomienda azufre en polvo inyectado con el aire.[10]
- ↑ En la industria siderúrgica, el acero se separa de la escoria (llamada lechada) al final del soplado: esto se hace fácilmente a través de un orificio de grifo lateral o inclinando la retorta, para extraer el baño de metal fundido. Primero fluye el acero, y luego la escoria que flota sobre el metal. Por el contrario, en la refinación del cobre, la escoria debe drenarse regularmente antes que el metal: por lo tanto, es preferible una piquera ubicada en la parte superior del baño.
- ↑ a b El primer convertidor cilíndrico se probó en Livorno, en Italia, y se industrializó en 1891 en Lanteira, en España, luego llegó a América del Norte, primero en la Planta Vivian de Gran Sudbury en Canadá, luego en la Copper Queen Company en los Estados Unidos.[11][H 5].
- ↑ El modelo vertical tiene la ventaja de que el aire reacciona mejor con el baño fundido, dada la mayor altura de líquido atravesado: la oxidación es más rápida. Las formas cóncavas del reactor permiten un mejor mantenimiento del revestimiento refractario, que también se desgasta más lentamente y de manera más uniforme. Por otro lado, la presión del aire soplado debe ser alta, lo que complica el control de la reacción,[L 5] haciéndose necesario, con mata con menos del 25% de cobre, dos operaciones sucesivas.[6].
- ↑ a b El primer recubrimiento básico de R. Baggaley funcionó desde el 7 de octubre de 1905 hasta el 31 de enero de 1906, produciendo 480 toneladas de cobre antes de tener que ser reparado.[7] En 1921, W. A. Mueller cita una vida útil récord para un refractario básico de 3228 puffs, o 85 578 tm de mata refinada durante 2 años y medio de funcionameiento.[15]
- ↑ a b El perfeccionamiento del proceso siguió la misma evolución que la metalurgia del hierro: el convertidor Thomas, inventado en 1877, es también un convertidor Bessemer equipado con un revestimiento refractario básico. Pero, mientras que las reacciones químicas en el convertidor Thomas difieren significativamente de las obtenidas en un convertidor Bessemer, no hay diferencias notables entre la química de un convertidor Manhès-Davis y la de un Peirce-Smith: ambos operan en un medio ácido.
- ↑ Para matas muy impuras, la cantidad de metal obtenido es tan pequeña que después de haberse vaciado la escoria a la mitad del soplado, se vuelve a rellenar con la mata bruta y se reanuda el soplado. Esta práctica también se utiliza para convertidores construidos con un revestimiento ácido: cuando todavía están ligeramente desgastados, su volumen interno es insuficiente para almacenar el calor necesario para completar el soplado.[L 10]
- ↑ a b Los procesos anteriores de refinación del cobre, basados en sucesivos tostados en hornos de reverbero, son más largos y requieren varias etapas, dispersando así el calor desprendido por la oxidación. Es la rapidez de las reacciones, combinada con la cantidad de metal, lo que permite conservar el calor en el reactor químico.[L 5] Así, la extracción de cobre por el método galés, que permitió a Gran Bretaña adquirir una posición preponderante en la producción de cobre, consta de 6 pasadas por el horno de reverbero. El procesamiento del mineral requiere entre 10 y 15 días y consume 15 toneladas de carbón, mientras que la fundición y soplado de la mata se lleva a cabo en 4 horas y solo requiere 500 kg de coque.[24]
- ↑ Aquí, los contenidos de azufre, hierro y arsénico se han dividido por el contenido de cobre, lo que explica por qué ∑ Elementos ≥ 100 %. Es por tanto la cantidad relativa de estos elementos en comparación con el cobre: por ejemplo, 50% de hierro significa que el peso del hierro es igual a la mitad del peso del cobre. Esta representación permite visualizar mejor la oxidación. Para el análisis químico de masa exacto, consúltese aquí, para el análisis molar, aquí[25][H 6].
- ↑ La oxidación también puede ocurrir en el Cu
2S, generando los mismos productos:[H 3]- Cu
2S + 3 O → Cu
2O + SO
2 - Cu
2O + FeS → Cu
2S + FeO
2+ FeO - Cu
- ↑ En 1914, Heinrich Oscar Hofman recomendó una temperatura superior a 1270 °C.[H 3] A principios del siglo XXI, para reducir el desgaste del refractario básico, generalmente se evita superar los 1250 °C. Los convertidores modernos pueden reciclar desechos de cobre o soplar aire enriquecido con oxígeno para enfriar o calentar el baño de elementos fundidos.[E 5].
- ↑ Para bajar al 5% de azufre en la mata, hay que oxidar el 80% del níquel.[35]
- ↑ Durante el invierno de 1904-1905, los daños causados por las emisiones de dióxido de azufre decidieron a los agricultores del valle del Lago Salado a unirse para presentar una denuncia ante el Tribunal Federal de Distrito de Utah. La sentencia emitida prohibió todas las fundiciones locales que procesaran minerales que contuvieran más del 10% de azufre, "prohibiendo liberar dicho azufre a la atmósfera, ya fuese en forma ácida o de otra forma, y dejar de liberar arsénico, en cualquier forma", lo que provocaría el cierre inmediato de las tres fundiciones de cobre demandadas.[36].
- ↑ El ácido sulfúrico es un subproducto poco rentable: en 2002, por una tonelada de cobre vendida aproximadamente a 1100 dólares, una fundición vendía 2,7 tm de ácido a unos 40 dólares.[9]
- ↑ El humo del horno de reverbero, un proceso que compite con los convertidores, tiene un contenido de SO
2 más bajo. Esta baja concentración complica su recuperación, y actualmente es uno de los principales motivos de su paulatino abandono.[E 12]. - ↑ El horno de reverbero siguió la misma evolución, con el desarrollo de los procesos flash Outokumpu e INCO.
- ↑ En 1885, en Australia todavía solo se conocía el método galés. La riqueza de los minerales y las pequeñas cantidades extraídas retrasaron la adopción del proceso Manhès-David. No obstante, se reconoció que el nuevo proceso era muy superior al antiguo.[24]
Referencias
- Levy, Donald M. (1912). C. Griffin & company, limited, ed. Modern Copper Smelting (en inglés). (voir dans la bibliographie)
- ↑ p.192
- ↑ p.192-193
- ↑ a b c d e f g p.193
- ↑ a b p.197
- ↑ a b p.195
- ↑ a b p.193-194
- ↑ p.198 ; 202
- ↑ a b c p.200-203
- ↑ p.214
- ↑ a b p.212
- ↑ a b c p.200-202
- ↑ a b p.203-204
- ↑ p.198
- ↑ a b p.202
- ↑ p.197-198; 201
- ↑ p.194
- ↑ a b p.212-213
- ↑ a b c d e f p.205-210
- ↑ p.211
- ↑ p.206
- ↑ p.5
- ↑ a b p.10
- ↑ p.11
- ↑ a b p.11-13
- Schlesinger, Marc E.; King, Matthew J.; Sole, Kathryn C.; Davenport, William G. I. (2011). Extractive Metallurgy of Copper (en inglés). (voir dans la bibliographie)
- Peters, Edward Dyer (1905). The Engineering and Mining Journal, ed. Modern Copper Smelting (en inglés) (7 edición).
- Hofman, Heinrich Oscar (1914). MacGraw Hill Book Company, ed. Metallurgy of Copper (en inglés).
- Krundwell, Frank K.; Moats, Michael S.; Ramachandran, Venkoba; Robinson, Timothy G.; Davenport, William G. (2011). Elsevier, ed. Extractive Metallurgy of Nickel, Cobalt and Platinum Group Metals (en inglés). p. 610. ISBN 978-0-08-096809-4.
- Otras referencias
- ↑ a b c d e f Weiss, 1894, p. 191-193
- ↑ Ledebur, Adolf (1895). «472». En Librairie polytechnique Baudry et Cie éditeur, ed. Manuel théorique et pratique de la métallurgie du fer, Tome I et Tome II (Barbary de Langlade, revu et annoté par F. Valton, trad.) (en francés) 2.
- ↑ Raht, William L. (21 août 1866). USPTO, ed. «Improvement in treating metalliferous ores (patent US 57376 A)» (en inglés).
- ↑ Hollway, John (27 mars 1879). USPTO, ed. «Production of sulphur, copper matte, etc. from pyrites (patent US 234129 A)» (en inglés).
- ↑ MacFarlane, Walter (1917). «93». En Longmans, Green, and Co, ed. The principles and practice of iron and steel manufacture (en inglés) (5 edición).
- ↑ a b c d e f g Jannettaz, Douglas y David, 1920
- ↑ a b c d e f Southwick, 2008
- ↑ a b Moissan y Ouvrard, 1896, p. 71-73
- ↑ a b c d e f g h i j k l m Blazy, Pierre; Jdid, El-Aid. «Pyrométallurgie et électroraffinage du cuivre - Pyrométallurgie». En Éditions techniques de l'ingénieur, ed. Techniques de l'ingénieur (en francés).
- ↑ Manhès, Pierre (8 mars 1892). USPTO, ed. «Process of treating copper matte (patent US 470384 A)» (en inglés).
- ↑ a b c d Bustos, Alejandro Alberto (1984). «Injection phenomena and heat transfer in copper converters» (pdf) (en inglés). Archivado desde el original el 7 de febrero de 2015. Consultado el 7 de abril de 2022.
- ↑ a b Lossin, Adalbert (2005). 32. En Wiley-VCH, ed. «Copper». Ullmann's Encyclopedia of Industrial Chemistry (en inglés). doi:10.1002/14356007.a07_471.
- ↑ a b standard Publishing Co., ed. (1897). Catalogue no. 1, presented by the Anaconda Copper Mining Co., foundry department, manufacturers of mining, milling, concentrating and smelting machinery (en inglés). Archivado desde el original el 16 de octubre de 2017. Consultado el 7 de abril de 2022.
- ↑ Wedding, Hermann (1891). «21-22 ; 30-32». En New York Scientific Publishing Company, ed. Wedding's basic Bessemer process (de l'allemand par William B. Phillips et Ernst Prochaska, trad.) (en inglés). Basische Bessemer - oder Thomas-Process. p. 224.
- ↑ a b W. A. Mueller (novembre 1921). Ohio State University, College of Engineering, ed. «Progressive Steps In the Metallurgy of Copper» (en inglés).
- ↑ a b Peirce, William H.; Smith, Elias A. Cappelen. «Method of and converter vessel for bessemerizing copper matte (patent US 942346 A)» (en inglés).
- ↑ a b Western Oregon University, ed. (1997). «Analysis of Jawbone Flats Mine Dump Samples» (en inglés).
- ↑ Bjork, Kenneth O. (1847). «249-250». En Norwegian-American Historical Association, ed. Saga in Steel and Concrete (en inglés). p. 504.
- ↑ a b c Dennis, William Herbert (2010). «66-70». Metallurgy - 1863-1963 (en inglés). p. 342. ISBN 978-0-202-36361-5.
- ↑ Merriam-Webster, ed. (2017). «Black copper definition» (en inglés).
- ↑ Metallurgie Hoboken-Overpelt (27 octobre 1981). Office européen des brevets, ed. «Procédé pour extraire des métaux non-ferreux de déchets ferrés (Brevet EP 0 053 406 A1)».
- ↑ Baggaley, Ralph (12 mars 1907). USPTO, ed. «Copper-refining furnace (patent US 846891 A)» (en inglés).
- ↑ a b Circuit Court of Appeals, Third Circuit., ed. (29 de juin de 1925). «United Verde Copper Co. v. Peirce-Smith Converter Co.» (en inglés).
- ↑ a b Van de Velde, Clement (10 de décembre de 1885). 21-26. En Gustav Fischer, ed. «The treatment of copper ores by the Manhès Process». Minutes of proceedings of the engineering society of New South Wales (en inglés) 1.
- ↑ Mathewson, 1907
- ↑ Burthe, M. P. L. (1898). 621-643. En Mines ParisTech, ed. «Notice sur le sélecteur Paul David». Annales des Mines. 9 13.
- ↑ Olivier C. A. Bisanti (15 janvier 2003). Soleil d'acier, ed. «Un siècle d'oxygène en sidérurgie».
- ↑ Kachaniwsky, George; Newman, Chris (1987). «25». En Pergamon Press, ed. Proceedings of the International Symposium on the Impact of Oxygen on the Productivity of non-ferrous metallurgical processes (en inglés) 2. Proceedings of the Metallurgical Society of the Canadian Institute of Mining and Metallurgy. ISBN 0-08-035767-9.
- ↑ Air Liquide, ed. (2012). «Injection d'Oxygène dans les convertisseurs Cu/Ni».
- ↑ a b Baukal, Jr., Charles E. (1998). «210». Oxygen-Enhanced Combustion (en inglés). ISBN 0-8493-1695-2.
- ↑ Moissan y Ouvrard, 1896, p. 65
- ↑ Moissan y Ouvrard, 1896, p. 69
- ↑ a b Moissan y Ouvrard, 1896, p. 74
- ↑ Coleman, Arthur Philemon (1913). «143-144». En Ottawa Government Printing Bureau, ed. The nickel industry; with special reference to the Sudbury region, Ontario (en inglés).
- ↑ a b Hixon, Hiram W. (1908). «102-110». En Hill Publishing Company, ed. Notes on lead and copper smelting and copper converting (en inglés).
- ↑ Arrington, Leonard J.; Hansen, Gary B. (octobre 1963). «19» (Pdf). En King Hendricks, ed. The Richest Hole on Earth [The history of the Bingham copper mine] (en inglés).
- ↑ a b Commission européenne, ed. (décembre de 2001). «Document de référence sur les meilleures techniques disponibles» [Transformation des métaux ferreux] (Pdf). Archivado desde el original el 29 de abril de 2016. Consultado el 7 de abril de 2022.
- ↑ Blazy, Pierre; Jdid, El-Aid. § Pyrométallurgie. En Éditions techniques de l'ingénieur, ed. «Cuivre : ressources, procédés et produits». Techniques de l'ingénieur (en francés).
- ↑ a b c U.S. Congress, Office of Technology Assessment (septembre de 1988). «8». Copper (Environmental Aspects of Copper Production) [Technology & Competitiveness] (en inglés). Prefacio: John H. Gibbons.
- ↑ a b c Congress of the United States, ed. (septembre de 1988). «6» (Pdf). Copper [Technology and competitiveness] (en inglés). Copper Production Technology. p. 104.
- ↑ a b Weiss, 1894, p. 8
- ↑ Bain, Harry Foster; Read, Thomas Thornton (1934). «217». En Arno Press, ed. Ores and Industry in South America (en inglés). p. 381.
- ↑ Hobart, Frederick (8 de janvier de 1916). 47. En Hill Publishing Company, ed. «Gold and Silver». The Engineering and Mining Journal (en inglés) 101 (2).
- ↑ Douglas, 1920, p. 558
- ↑ Mudd, Gavin M. (2010). 4th International Conference on Sustainability Engineering & Science: Transitions to Sustainability, ed. «The “Limits to Growth” and ‘Finite’ Mineral Resources» [Re-visiting the Assumptions and Drinking From That Half-Capacity Glass] (en inglés). Auckland, New Zealand. p. 5.
- ↑ Lederman, Daniel; Maloney, William F. (2006). «190». En World Bank Publications, ed. Natural Resources, Neither Curse nor Destiny (en inglés). isbn2: 978-0-8213-6545-8. ISBN 0-8213-6545-2.
- ↑ Bowker, Lindsay Newland; Chambers, David M. (21). «The risk, public liability, & economics of tailings storage facility failures» (en inglés). p. 5.
- ↑ Drezet, Éric (11 de mars de 2014). EcoInfo (CNRS), ed. «Épuisement des ressources naturelles». Archivado desde el original el 13 de abril de 2014. Consultado el 7 de abril de 2022.
- ↑ Drezet, Éric (3 de septembre de 2014). EcoInfo (CNRS), ed. «L’énergie des métaux». Archivado desde el original el 26 de septiembre de 2015. Consultado el 7 de abril de 2022.
Bibliografía
- Levy, Donald M. (1912). C. Griffin & company, limited, ed. Modern Copper Smelting (en inglés). ref_Levy.
- Schlesinger, Marc E.; King, Matthew J.; Sole, Kathryn C.; Davenport, William G. I. (2011). Elsevier, ed. Extractive Metallurgy of Copper (en inglés) (5 edición). p. 455. ISBN 978-0-08-096789-9. ref_Schlesinger.
- Weiss, Paul Louis (1894). J.-B. Baillière et fils, ed. Le Cuivre [Origine - Gisements - Propriétés - Métallurgie - Applications - Alliages]. asin: B0019TU3SK. p. 344. ref_Weiss.
- Douglas, (prénom inconnu) (1920). 558-560. «L'aluminium et les produits nouveaux obtenus par le moyen de l'électricité». Bulletin de la Société de l'Industrie Minérale. 3 XV.
- Jannettaz, Paul; Douglas, (prénom inconnu); David, Paul (1920). 560-573. «La bessemérisation des mattes cuivreuses». Bulletin de la Société de l'Industrie Minérale. 3 XV.
- Southwick, Larry M. (2008). «William Peirce and E.A. Cappelen Smith and Their Amazing Copper Converting Machine». En The Mineral, Metals & Materials Society (TMS), ed. JOM (en inglés) 60 (10). ref_Southwick.
- Blazy, Pierre; Jdid, El-Aid (10 de décembre de 2001). «Pyrométallurgie et électroraffinage du cuivre - Pyrométallurgie». En Éditions techniques de l'ingénieur, ed. Techniques de l'ingénieur (en francés). ref_Blazy.
- Mathewson, E. P. (1907). 154-161. «Relative Elimination of Iron, Sulphur and Arsenic in Bessemerizing Copper-Mattes». Transactions of the American Institute of Mining Engineers (en inglés).
- Moissan, Henri; Ouvrard, Léon Victor René (1896). Gauthier-Villars et fils, Masson et Cie, ed. Le Nickel.
Enlaces externos
Wikimedia Commons alberga una categoría multimedia sobre Convertidores Manhès-David.








