Rechazo al modo común

El factor de rechazo al modo común (o CMRR, de las siglas en inglés Common Mode Rejection Ratio) es uno de los parámetros de un amplificador operacional u opamp, (en inglés Operational Amplifier).
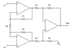
En un conjunto de opamp's configurados como amplificador de instrumentación, cuando el voltaje 1 () y el voltaje 2 () son iguales, existe una pequeña señal de salida, cuando lo ideal sería que esta fuera cero. La CMRR es una medida del rechazo que ofrece la configuración a la entrada de voltaje común.
El CMRR es positivo y se mide en decibelios. Se define por la siguiente ecuación:
donde es la ganancia diferencial
y es la ganancia en el modo común