Super-8 SMPTE
La Sociedad de Ingenieros de Cine y Televisión (Society of Motion Picture and Television Engineers o SMPTE) fue fundada en 1916 en Nueva York, como Sociedad de Ingenieros Cinematográficos o SMPE, se encarga de crear los estándares de la industria audiovisual. Para ello crea comisiones que dictaminan los estándares más adecuados. Esta es una asociación profesional, a nivel global, de ingenieros, tecnólogos y ejecutivos que trabajan en la industria de los medios de comunicación y el entretenimiento. Y también se encarga de publicarlos y de difundirlos.
La SMPTE, es una organización de regulación reconocida internacionalmente, ha publicado más de 800 normas técnicas y documentos relacionados con la radiodifusión, la cinematografía, el cine digital, la grabación de audio, la tecnología de la información y la imagen médica. La SMPTE también publica la revista SMPTE Motion Imaging Journal, produce conferencias y exposiciones académicas y realiza otras funciones relacionadas con la industria.
El formato cinematográfico de Super-8 es definido por la SMPTE como formato "8-mm Type S". La letra "S" hace referencia al tipo de perforación, por contraposición a la letra "R" que haría referencia a la perforación del formato del Doble 8 u 8 normal.
Dimensiones según SMPTE

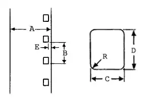
- SMPTE 164-1999:
A, ancho de película = 7,976 mm, +/- 0,038 mm
B, distancia entre perforaciones = 4,234 mm, +/- 0,010 mm
L, 100 distancias entre perforaciones = 423,42 mm, +/- 0,43 mm
C, ancho de perforación = 0,914 mm, +/- 0,010 mm
D, alto de perforación = 1,143 mm, +/- 0,010 mm
E, eje de perforación = 0,51 mm, +/- 0,050 mm
R, radio de perforación = 0,013 mm, +/- 0,030 mm
Muescas del cartucho de Súper 8
En el cartucho puede haber hasta 4 muescas. Estas tienen la utilidad de transmitir información a la cámara de manera mecánica. Y de esta manera, automatizar tareas que antes, con el Doble 8, se realizaban de manera manual.

Muesca superior o de sensibilidad de película
Esta muesca puede ser variable. Sirve para indicar a la cámara la sensibilidad de la película. Está situada en la parte superior del cartucho. El tamaño de las muescas está indicado en el estándar SMPTE 166. Este estándar indica la distancia entre la base inferior de la muesca y el eje longitudinal del cartucho, marcado con una muesca para insertarlo en el compartimento de la cámara.
- SMPTE 166-1994:
luz de día/tunsteno, 10/16 ASA = 1.000 pulgadas
luz de día/tunsteno, 16/25 ASA = 0.900 pulgadas
luz de día/tunsteno, 25/40 ASA = 0.800 pulgadas
luz de día/tunsteno, 40/64 ASA = 0.700 pulgadas
luz de día/tunsteno, 64/100 ASA = 0.600 pulgadas
luz de día/tunsteno, 100/160 ASA = 0.500 pulgadas
luz de día/tunsteno, 160/250 ASA = 0.400 pulgadas
luz de día/tunsteno, 250/400 ASA = 0.300 pulgadas
luz de día/tunsteno, 400/640 ASA = 0.200 pulgadas
Película de luz de día: tipo D/Película de tungsteno: tipo B y tipo A
Muesca de inserción
Esta muesca es fija. Forma una cavidad pensada para que el usuario coloque correctamente el cartucho en el compartimento de la cámara. Está situada en el centro longitudinal del cartucho.

Muesca de tipo de proceso de revelado
Esta muesca no se usa en la actualidad. Está en la parte inferior del cartucho, justo debajo de la muesca de inserción del cartucho. Era variable e indicaba al laboratorio fotográfico el tipo de proceso de revelado.
Muesca de filtro de luz de día
Esta muesca está sólo en los cartuchos con película para interior. La muesca permite que el filtro de luz de día, tipo WRATTEN 85A, esté activado. Si está activado, quiere decir que el filtro está interpuesto entre el objetivo y la película. La cámara estará, entonces, preparada para filmar en exteriores. Cuando se quiera filmar en interiores, se tendrá que desactivar el filtro. Para sacarlo de su posición entre el objetivo y la película, se procederá a poner la llave de filtro en la parte superior de la cámara. Esta llave de filtro puede ser de tipo Kodak (plana) o de tipo rosca (de 1/4 de pulgada como la rosca para ammarrar la cámara al trípode).
El cartucho de Single 8
Aunque el cartucho del sistema de Single 8 es superior, técnicamente no tenía la complejidad del de Súper 8. Para ver una comparación de ambos cartuchos, véase el artículo sobre Single 8
Estándares de la SMPTE sobre Súper 8
Estándares sobre 8-mm Type S
- SMPTE 149 - Motion-Picture Film (8-mm Type S) - Perforated 1R
- SMPTE 151 - Motion-Picture Film (8-mm Type S) - 16 mm Film Perforated 8-mm Type S, (1-3)
- SMPTE 153 - Motion-Picture Film (8-mm Type S) - 16 mm Film Perforated 8-mm Type S, (1-4)- Printed Areas
- SMPTE 154 - Motion-Picture Film (8-mm Type S) - Projectable Image Area and Projector Usage
- SMPTE 157 - Motion-Picture Film (8-mm Type S) - Camera Aperture Image and Usage
- SMPTE 159.1 - Motion-Picture Film (8-mm Type S) - Model 1 Camera Cartridge - Cartridge-Camera Interface and Take-up Core Drive
- SMPTE 159.2 - Motion-Picture Film (8-mm Type S) - Model 1 Camera Cartridge - Aperture, Profile, Film Position, Pressure Pad and Flatness
- SMPTE 160M - Motion-Picture Equipment (8-mm Type S) - Projection Reels - 100- to 312-mm Diameter-Revision and Redesignation of ANSI PH22.160M-1983
- SMPTE 161 - Motion-Picture Film (8-mm Type S) - Magnetic Striping
- SMPTE 162 - Motion-Picture Film (8-mm Type S) - 16 mm Film Perforated 8-mm Type S (1-4)-Magnetic striping
- SMPTE 163-1998 - (Archived 2003) Motion-Picture Film (8-mm Type S) – 35-mm Film Perforated 8-mm Type S, 5R – Magnetic Striping
- SMPTE 164 - Motion-Picture Film (8-mm Type S) - Magnetic Audio Record - Position, Dimensions, and Reproducing Speed
- SMPTE 166 - Motion-Picture Film (8-mm Type S) - Exposure Control and Stock Identification - Sound and Silent Camera Cartridge Notches
- SMPTE 168 - Motion-Picture Film (8-mm Type S) - 16 mm Film Perforated 8-mm Type S (1-4)
- SMPTE 176 - Motion-Picture Film (8-mm Type S) - Magnetic Audio Record - Positions, Dimensions, and Reproducing Speed
- SMPTE 179-1996 -(Archived 2005) Motion-Picture Film (8-mm Type S) – 35-mm Film Perforated 2R (1-0) and 5R (1-3-5-7-0) – Printed Areas
- SMPTE 181 - Motion-Picture Film (8-mm Type S) - 16 mm Film Perforated 8-mm Type S (1-3)- Printed Areas
- SMPTE 188M - Motion-Picture Equipment (8-mm Type S) -Model II Camera Cartridges (15-m Capacity) - Camera Run FilmLength
- SMPTE 189M - Motion-Picture Equipment (8-mm Type S) -Model II Camera Cartridges - Loaded Film Location
- SMPTE 190M - Motion-Picture Equipment (8-mm Type S) -Model II Camera Cartridges - Cartridge-Camera Fit and Core
- SMPTE 191M - 1994, Motion-Picture Equipment (8-mm Type S) -Model II Camera Cartridges - Slots, Projections, and Cartridge Hole
- SMPTE 197 - Motion-Picture Film (8-mm Type S) - 50-ft Model 1 Sound Camera Cartridge - Cartridge, Cartridge-Camera Interface, and Take-Up Core
- SMPTE 198 - Motion-Picture Film (8-mm Type S) - 50-ft Model 1 Sound Camera Cartridge - Aperture, Pressure Pad and Film Position
- SMPTE 199 - Motion-Picture Film (8-mm Type S) - 50-ft Model 1 Sound Camera Cartridge - Pressure Pad Flatness and Camera Aperture Profile
- SMPTE 200M - Motion-Picture Film (8-mm Type S) - Model 1 Sound Camera Cartridge - Camera Run Length, Perforation Cutout and End-Of-Run Notch
- SMPTE 205 - Motion-Picture Equipment (8-mm Type S) - Model 1 Camera Cartridge - Interface and Take-Up Core Drive (200-ft Capacity)
- SMPTE 206 - Motion-Picture Equipment (8-mm Type S) - Model 1 Sound Camera Cartridge - Aperture, Profile, Film Position, Pressure Pad, and Flatness (200-ft Capacity)
- SMPTE 209 - Motion-Picture Equipment (8-mm Type S) - Magnetic Audio Records - Recorded Characteristics
- SMPTE 212M - Motion-Picture Equipment (8-mm Type S) - Projection Reels - 75-mm Diameter
- SMPTE 117 - Dimensions of Magnetic Control and Data Record on 8-mm Type S Motion-Picture Film
Estándares generales al 8-mm
- SMPTE 74-1993 - Motion-Picture Cameras (16- and 8-mm) – Zero Point for Focusing Scales (R2003)
- SMPTE 76-1996 - Motion-Picture Cameras – 16-mm and 8-mm Threaded Lens Mounts (R2006
- SMPTE 146M-2001 - Motion-Picture Film – 16- and 8-mm Reversal Color Camera Films - Determination of Speed (R2006)
Recommended Practices
- SMPTE RP 32-1995 - Specifications for 8-mm Type S Test Film for Projectors and Printers Reel Spindles
- SMPTE RP 48-1999 - Lubrication of 16- and 8-mm Motion-Picture Prints (R2004)
- SMPTE RP 49 - Leaders for 8-mm Type R and S Motion Picture Release Prints Used in Continuous-Loop Cartridges
- SMPTE RP 50-1995 (Archived 2004) - Dimensions for 8-mm Type S Motion-Picture Projector Reel Spindles
- SMPTE RP 51-1995 (Archived 2004) - Screen Luminance and Viewing Conditions for 8-mm Review Rooms
- SMPTE RP 53 - Scene-Change Methods for Printing 35-mm, 16-mm and 8-mm Type S Motion-Picture Film
- SMPTE RP 55 - 8-mm Type S Sprocket Design
- SMPTE RP 56-2002 - Safe Action and Safe Title Areas for 8-mm Release Prints (R2007)
- SMPTE RP 58-1995 (Archived 2004) - Nomenclature for Devices Enclosing 8-mm Motion-Picture Film for Projection
- SMPTE RP 92-1995 (Archived 2004) - Specifications for Audio Level and Multifrequency Test Films for 8-mm Type S Audio Reproducers, Magnetic Type
- SMPTE RP 109-1994 (Archived 2004) - Spectral Response of Photographic Audio Reproducers for 8-mm Type S Motion-Picture Film
- SMPTE RP 122 - Dimensions of Cemented Splices on 8-mm Type S Motion-Picture Film, Projection Type
- SMPTE RP 123 - Dimensions of Tape Splices on 8-mm Type S Motion-Picture Film, Projection Type
- SMPTE RP 129 - Requirements for 35-, 16- and 8-mm Type S Tape Splices on Magnetic Audio Recording Motion-Picture Film`
Engineering Guidelines
- SMPTE EG 7-1994 (Archived 2004) - Audio Sync Pulse for 8-mm Type S Cameras, Magnetic Audio Recorders and Rerecording Projectors
Fuentes
- Society of Motion Picture and Television Engineers, web site Archivado el 4 de abril de 2010 en Wayback Machine.
- Society of Motion Picture and Television Engineers en la Wikipedia (en inglés)
Véase también
Enlaces externos
- onsuper8.org - Información de componentes y recursos (en inglés)
- Super8-Spain.webs.com - Noticias e información general sobre los pequeños formatos de cine Archivado el 18 de agosto de 2009 en Wayback Machine. (en castellano)
- Foro sobre el Súper 8
- Preguntas habituales en el revelado de Súper 8, y un manual de cámaras super 8
- Guía de títulos cinematográficos en Súper 8
- super8data.com - Información de componentes y recursos (en inglés)
- sappam - Museo de componentes cinematográficos 8 mm ( en alemán )