Martensita
La martensita es una fase metaestable de los aceros, producto de la transformación de fases sin difusión (infiltración de partículas ajenas al material procesado) desde la austenita a una velocidad de enfriamiento rápida para que no se produzcan las transformaciones en que se necesita difusión, como por ejemplo la formación de cementita.
Por extensión se suelen denominar transformaciones martensiticas a todas las transformaciones en que se forman fases en que no se produce difusión.
Se llama martensita en honor al metalúrgico alemán Adolf Martens (1850-1914).
Generalidades
La transformación martensítica no sólo ocurre en el acero, sino que otros sistemas de aleación se caracterizan por experimentar transformaciones sin difusión.
Ya que la transformación martensítica no implica difusión, ocurre casi instantáneamente; los granos martensíticos se nuclean y crecen a velocidad muy alta: a la velocidad del sonido dentro de la matriz austenítica. De este modo, a efectos prácticos, la velocidad de transformación de la austenita es independiente del tiempo.
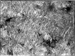
La estructura de la martensita tiene la apariencia de láminas o de agujas (variantes). La fase blanca es austenita que no se transforma durante el temple rápido. La martensita también puede coexistir con otros constituyentes, como la perlita.


El enfriamiento rápido (o temple) del acero austenizado, hasta temperatura próxima a la ambiental, origina otro microconstituyente denominado martensita, que resulta como una estructura de no equilibrio de la transformación sin difusión de la austenita. Se puede considerar un producto de transformación competitivo con la perlita o la bainita. La transformación martensítica tiene lugar a velocidades de temple muy rápidas que dificultan la difusión del carbono. Si hubiera difusión se formarían las fases ferrita y cementita.
La transformación martensítica no es bien conocida. Sin embargo, gran número de átomos se mueven de modo cooperativo, lo que representa pequeños desplazamientos de un átomo respecto a sus vecinos. Esta transformación significa que la austenita FCC experimenta una transformación polimórfica a la martensita cúbica centrada en el cuerpo (CCC). La celda unidad de esta estructura cristalina es un cubo, alargado en una de sus tres dimensiones, centrado en el cuerpo BCC; esta estructura es diferente de la ferrita BCC. Todos los átomos de carbono permanecen como solutos intersticiales en la martensita y constituyen una solución sólida sobresaturada capaz de transformarse rápidamente en otras estructuras si se calienta a temperaturas que implican una apreciable velocidad de difusión. La mayoría de los aceros retienen la estructura martensítica casi indefinidamente a temperatura ambiente.
Con un tratamiento mecánico adecuado la estructura puede presentar una sola variante. Un caso particular son las aleaciones martensíticas ferromagnéticas, con interesantes propiedades al aplicarles un campo magnético (magnetoestricción, Villary effect).
En aceros
Los aceros con microestructura martensítica son los más duros y mecánicamente resistentes, pero también los más frágiles y menos dúctiles. La dureza de estos aceros depende del contenido en carbono; La martensita es una fase que proviene de la austenita gamma (centrada en caras) que al enfriar no puede alojar el carbono disuelto en los intersticios y transforma a una estructura tetragonal.
Véase también
Bibliografía
- (en inglés) Ashby, Michael F.; & David R. H. Jones (1992) [1986]. Engineering Materials 2 (with corrections ed.). Oxford: Pergamon Press. ISBN 0-08-032532-7.