Trompa uterina
| Trompas de Falopio | ||
|---|---|---|
![]() Trompa. Corte transversal. | ||
| Nombre y clasificación | ||
| Sinónimos |
Salpinges Oviductos | |
| Latín | [TA]: tuba uterina | |
| TA | A09.1.02.001 | |
| Gray | pág.1257 | |
| Información anatómica | ||
| Región | cavidad pélvica | |
| Arteria | Ramas tubáricas (arteria ovárica), rama tubárica (arteria uterina) | |
| Precursor | Conductos de Müller | |
|
| ||

En anatomía, las trompas uterinas,[1] también conocidas como tubas uterinas, trompas de Falopio,[2] salpinges uterinas u oviductos, son dos conductos musculares separados, que conectan los ovarios y el útero o matriz de los mamíferos.
Sus funciones están relacionadas con la ovulación, con el transporte y capacitación de los espermatozoides y con la fecundación. Algunas enfermedades y trastornos que afectan la trompa, pueden ser la enfermedad pélvica inflamatoria, el embarazo ectópico y las Neoplasias.
Historia
El médico griego Herofilo, en su tratado sobre partería, señala la existencia de los dos conductos que, suponía transportaban el "semen femenino".
Luego Galeno ya en la era actual, describió que los conductos pares señalados por Herophilus se conectaban con el útero.
En 1561 el médico renacentista Gabriel Falopio publica su libro Observationes Anatomicae. Su aporte es una descripción detallada de la "trompa" del útero, sus diferentes porciones, con su extremo más alejado (distal) abierto hacia el abdomen y el otro (proximal) en conexión con el útero.[3][4]
«...Estos conductos delgados y estrechos, parten fibrosos y pálidos del mismo cuerno uterino; se hacen notablemente más anchos cuando se alejan un poco y se incurvan como una rama, hasta la proximidad de su extremo y separándose del cuerno como una espiral se hacen muy anchos, tienen una extremidad distinta, que parece carnosa por su color rojo, estando rasgada y mellada como los flecos de una prenda de vestir desgarrada, con un amplio orificio tapado por los extremos de los flecos y perdido entre ellos: pero si estos son cuidadosamente separados y entreabiertos parece el orificio de una trompeta de metal. Por consiguiente, puesto que el conducto seminal, desde su comienzo hasta su extremo final, tiene semejanza con la porción in curvada de ese instrumento clásico, ha sido llamada por mí "uteri tuba".» —Gabriel Falopio, 1561.
|
Embriología
Las trompas de Falopio derivan del extremo craneal de los conductos paramesonéfricos o conductos de Müller.
En la mujer las trompas se originan en los espacios pelvi-viscerales para terminar en la celda genital, lugar donde se sitúa el útero.[5]
Anatomía
Existen dos oviductos, cada uno conecta un ovario con el sector superior y lateral del útero.
En la mujer tienen una longitud promedio de 10 cm, con límites entre 7-14 cm.[6]
El diámetro interior es de 1 milímetro (mm) en los oviductos intramurales y de 4 mm en los pabellones de la trompa.
Se extienden a lo largo del margen superior de los ligamentos anchos del útero, desde su extremo medial o "cuernos del útero" hasta su extremo lateral en la superficie del ovario.
Cada trompa se ancla en su cara inferior, mediante una doble hoja de peritoneo llamada mesosálpinx y se abre a la cavidad peritoneal.[7][8][5][3]
El interior de la pared es complejo, con pliegues orientados longitudinalmente y pliegues de la mucosa llamados "plicas", ambos en número y tamaño creciente desde el segmento medial (istmo) al segmento lateral (pabellón).
Sectores de la trompa
Se pueden distinguir cuatro segmentos en la trompa de Falopio, desde el ovario hasta el útero.[9][10]
| Pabellón | Ampolla | Istmo | Intersticio | |
|---|---|---|---|---|
| D. externo | - | 1 a 2 centímetros[6] | 0,5-1 centímetro[6] | |
| D. lumen | 4+ milímetros | -- 4 a 10 milímetros[11] |
-- 0,4 milímetro[11] |
0,7-1 milímetro[6] - |

Pabellón de la trompa
Porción fímbrica, embudo, extremidad ovárica o infundíbulo, es la sección con forma de embudo por la cual se conecta el oviducto con el ovario.
- Fimbrias
El pabellón posee en su borde libre unas digitaciones o flecos llamados fimbrias que parecen abrazar al ovario y palpan su superficie para determinar dónde se va a producir la ovulación.
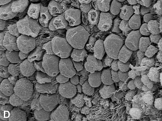
El epitelio del pabellón está conformado por células secretoras y células ciliadas. La motilidad de estas cilias es esencial para la captación del óvulo y por tanto para la fertilidad.
Ampolla de la trompa

Porción ámpula, ampolla de la trompa es la zona dilatada de la trompa y lugar donde se produce la fecundación. Es la sección más ancha y larga con más de la mitad de la longitud total de la trompa. La ampolla sola, mide de 7 a 8 centímetros de longitud y tiene 7-8 milímetros de diámetro.
Aquí las células ciliadas son más abundantes que las células secretoras, y la mucosa posee numerosos pliegues longitudinales que protruyen en el lumen ocupándolo.
En ella permanecerá el óvulo entre 24 y 48 horas para lograr la fecundación, en el tercio-mitad externa.[8]
Istmo de la trompa

Porción ístmica, istmo de la trompa: es la porción de mayor longitud y también de mayor estrechez, con estructura redonda y en forma de cordón que constituye el tercio medial de la trompa. Llega a la parte superior y lateral del útero (unión útero-tubárica). Presenta menos pliegues en su mucosa y abundantes células secretoras.[6]
Intersticio de la trompa
Porción intraparietal, oviducto intramural: pequeña porción de 1 centímetro (cm) de longitud y hasta 1 milímetro (mm) de diámetro, es el segmento que atraviesa la pared del útero y lo conecta con el istmo (unión útero-tubárica).[6]
Histología

La pared de las trompas en su cara interna (luminal) es compleja. La mucosa está dispuesta sobre pliegues longitudinales denominados "plicas".
La estructura histológica varía en los diferentes segmentos, lo que permite una funcionalidad adaptada en cada uno. Se observan tres capas tisulares diferentes mucosa (endosalpinge), muscular (miosalpinge) y serosa, sus proporciones varían en los distintos segmentos.[12][13]
.jpg)
Internamente, cada oviducto está cubierto de una mucosa con pliegues ("plicas"), con un epitelio cilíndrico pseudoestratificado con células ciliadas, células caliciformes y células no ciliadas intercalares (o peg). Las células epiteliales descansan sobre una lámina basal y una lámina propia conjuntiva laxa subyacente.
La capa media contiene músculo liso, donde se puede distinguir una capa circular interna y otra longitudinal externa.
La capa más externa consiste en la serosa de epitelio simple plano, con tejido conectivo subyacente donde se pueden observar grandes vasos sanguíneos y nervios.
[3]
Los cilios, ayudan a movilizar al ovocito y a su encuentro con los espermatozoides, o al cigoto para su implantación en el endometrio.
Irrigación
- Arterias tubáricas laterales de la arteria ovárica (proveniente de la aorta abdominal)
- Arterias tubáricas mediales de la arteria uterina (proveniente de la arteria iliaca interna o hipogástrica)
Se describe una anastomosis entre estas dos arterias en el borde del útero, a la altura del ligamento redondo.
Fisiología
Las funciones fisiológicas de la trompa uterina, dependen principalmente de tres factores: la motilidad tubárica, los cilios tubáricos y el líquido tubárico.[6]
- Contracción peristáltica
La contracción peristáltica de las fibras musculares lisas de la pared tubárica (miosalpinx), permite que: los gametos se unan y que el ovocito fecundado sea transportado hasta el útero.
- Batido de los cilios
La actividad ciliar es responsable de la captación de óvulos por el ostium fimbrial y del movimiento a través de la ampolla, así como de la distribución del líquido tubárico que apoya la maduración y fertilización de los gametos.
Los cilios móviles funcionales presentes en el #Pabellón de la trompa, son esenciales para la recogida y el transporte de los ovocitos. Los cilios móviles en las regiones de la Ampolla y el Istmo del oviducto facilitan el transporte de gametos y embriones.[14]
- Líquido tubárico
El líquido tubárico es rico en mucoproteínas, electrolitos y enzimas. Se origina de la trasudación de plasma sanguíneo y de la secreción de las células del epitelio. Presenta variaciones en su composición, propiedades reológicas y volumen a lo largo del ciclo ovárico.[6]
Transporte en la trompa
Las trompas uterinas son el lugar para el transporte y acondicionamiento de los gametos, el lugar para la fecundación y para el transporte del embrión de pocas células (etapa de mórula).[15]
Transporte del óvulo
La trompa sana transporta habitualmente el óvulo (gameto femenino), que es una célula grande e inmóvil, en dirección proximal hacia el útero cada mes. Esto sucede en la mujer durante décadas, en tanto se produzca la ovulación.
Justo antes de la ovulación, las células del epitelio de la trompa uterina aumentan las cilias. Los cilios móviles del #Pabellón de la trompa, son esenciales para la recogida y el transporte de los ovocitos.[14]
Cerca del momento de la liberación del óvulo, las fimbrias del extremo de la trompa (pabellón), cambian a tumescentes y congestivas, acercándose al ovario y mostrando movimientos pulsátiles y en barrido sobre su superficie.[16][17]
Las trompas también transportan los espermatozoides (gameto masculino) en dirección distal hacia el ovario. Cuando alcanzan la trompa pueden ser retenidos en la región del #Istmo de la trompa, mediante enlace a las células del epitelio. Estas interacciones celulares estrechas, suprimen la capacitación y la motilidad de los espermatozoides, mientras incrementarían su viabilidad con vistas a una posible fecundación.
Los espermatozoides llegan hasta la porción de la #Ampolla de la trompa para encontrarse con el óvulo. Es aquí donde normalmente ocurre la fertilización en el
humano.[15]
Transporte del embrión
Si el ovocito es fecundado, pasa por las primeras etapas de desarrollo mientras recorre las trompas de Falopio.
El embrión es transportado por medio de los movimientos de los cilios del epitelio de las trompas y por las contracciones de la capa muscular.[18]
El transporte del ovocito fecundado, es ayudado por una ola de movimiento del músculo liso del oviducto. Este músculo liso está controlado por el sistema nervioso simpático. La estimulación de los receptores β2-adrenérgicos causa relajación del músculo liso, en tanto la estimulación de los receptores α1-adrenérgicos causa la contracción del músculo liso, lo que lleva a la formación de una onda de relajación y contracción que hace avanzar el contenido.[19]
Las hormonas esteroides sexuales y otros factores producidos por el propio oviducto, como las prostaglandinas, óxido nítrico, prostaciclina y cAMP, también pueden modular la contracción del músculo y desempeñan un papel principal en el transporte de embriones.
La actividad de los cilios, está controlada por factores como las hormonas esteroides sexuales y la Interleucina-6 (IL-6). También se ha demostrado que los factores que se encuentran dentro del líquido folicular ovárico, que ingresan a las trompas de Falopio en el momento de la ovulación, afectan la frecuencia del latido de los cilios de la trompa.[20][21][15]
Patología
La Salpinge (salping- σάλπιγ-ξ/-γος griego: 'trompeta')[22] presenta patologías de tipo benigno y también canceroso.
Algunas enfermedades que afectan a los oviductos son:
Ocasionalmente se encuentran pequeños nódulos quísticos con células que presentan una depresión o tabique medio que constituye una de sus características fundamentales, llamados células de Walthard. Tampoco es infrecuente observar quistes serosos que aparecen como resultado de una invaginación y por la subsiguiente oclusión del tejido seroso de la trompa. Estos quistes, aunque se le ha atribuido erróneamente una causa inflamatoria, no tienen ninguna importancia patológica.[24]
Embarazo tubario
Más del 98% de los embarazos ectópicos se implantan en las trompas de Falopio. Esta implantación es causada por la retención de los embriones dentro de la trompa, como consecuencia de un transporte tubárico deficiente y por alteraciones en el microambiente tubárico. El transporte del embrión a través de la trompa de Falopio está controlado por una combinación de contracciones del músculo liso, por latido de los cilios del epitelio y por líquido tubárico.[25][20]
Ligadura de trompas
La ligadura de trompas está considerada como un método anticonceptivo, que consiste en la sección y ligadura de ambas trompas uterinas, lugar habitual de la fecundación.
La ligadura de trompas se puede recomendar para mujeres que sepan con certeza que no desean quedar embarazadas en el futuro.
Este método anticonceptivo, es quirúrgico e irreversible. Se puede realizar después de un parto, durante una cesárea o en el momento en que la mujer decida hacerlo.[26]
Véase también
Referencias
- ↑ OMS,OPS (ed.). «Trompas uterinas». Descriptores en Ciencias de la Salud, Biblioteca virtual de salud.
- ↑ «Anatomía clínica de la pelvis femenina». Anatomía clínica. Universidad Católica de Chile. Consultado el 12 de febrero de 2021.
- ↑ a b c Godoy-Guzmán C.; Fuentes J.L.; Osses M.; Toledo-Ordoñez I.; Orihuela P. (2018). «La Tuba Uterina: desde Herófilo a Horacio Croxatto.». Int. J. Morphol. (Temuco, Chile: SciELO) 36 (2).
- ↑ Velázquez-Cornejo G.; Zamora Ramírez M.L. (2012). «La trompa de Falopio.¿Qué pensaría hoy Gabriel Falopio del órgano que describió en 1561 ?». Rev Mex Reprod (Artículo de revisión) 5 (2): 55-67. Consultado el 25 de enero de 2022.
- ↑ a b La Parra Casado C., Molina Fàbrega R., Forment Navarro M. y Cano Gimeno J. (2013). «Estudio de las enfermedades de las trompas de Falopio mediante resonancia magnética». Radiología 55 (5): 385-397.
- ↑ a b c d e f g h El-Mowafi D.M.; Diamond M.P. (2019). «Fallopian tube». GFMER, Geneva Foundation for Medical Education and Research.
- ↑ Latarjet M., Ruiz Liard A. (2004). «126:Trompa uterina». Anatomía Humana. Médica Panamericana. p. 1615-1618.
- ↑ a b Solano Barboza L.A.; Amezcua J. (10 de enero de 2006). «Anatomía del aparato genital femenino» (html). UNAM. Archivado desde el original el 15 de enero de 2008.
- ↑ SUNY Downstate Medical Center. «"The Female Pelvis: The Oviduct" -"La pelvis femenina: El oviducto"» (html) (en inglés). Consultado el 2007.
- ↑ Reyes Téllez-Girón J. «Aparato o Sistema urogenital». Nomenclatura anatómica internacional. p. 101.
- ↑ a b Corzo J.E.; López Jiménez A. (1981). «Tratamiento de la Infertilidad Femenina de Causa Tubárica con Microcirugía». Revista colombiana de Obstetricia y Ginecología (PDF) 32 (6).
- ↑ Welsch U., Sobotta J. (2008). «13:Aparato genital». Histología. Médica Panamericana. p. 509. Consultado el 11 de febrero de 2021.
- ↑ Bonne S.; Pouget O.; Rongieres C. (2016). «Fisiología de la trompa». EMC - Ginecología-Obstetricia. Anatomía, histofisiología 52 (1): 1-8. Consultado el 22 de enero de 2022.
- ↑ a b Yuan S.; Wang Z.; Peng H.; Ward S.M.; Hennig G.W.; Zheng H.; Yan W. (2021). «Oviductal motile cilia are essential for oocyte pickup but dispensable for sperm and embryo transport». PNAS (en inglés) 118 (22): e2102940118. Consultado el 25 de enero de 2022.
- ↑ a b c Velázquez Cornejo G. (2009). «Fisiología de la reproducción humana». Revista Mexicana de Medicina de la Reproducción 1 (4): 115-130. Consultado el 12 de febrero de 2021.
- ↑ T.W. Sandler (2007). «3:Primera semana del desarrollo: de la ovulación a la implantación». Langman: Embriologia Médica (10a. edición). Médica Panamericana. pp. 33-35.
- ↑ Minerva Paterna Montesino (2016). Modificaciones e interacciones moleculares que experimentan los gametos humanos para alcanzar una correcta fecundación (Tesis, PDF). Universitat de les Illes Balears.
- ↑ «5.1:The migration of the embryo through the fallopian tube.». Human Embryology. Embryogenesis (en inglés). Universités de Fribourg, Lausanne et Berne (Suisse). Archivado desde el original el 14 de diciembre de 2007. Consultado el 16 de enero de 2008 /2022.
- ↑ Horne AW, Phillips JA III, Kane N, Lourenco PC, McDonald SE, Williams ARW, et al. (2008). «CB1 Expression Is Attenuated in Fallopian Tube and Decidua of Women with Ectopic Pregnancy.». PLoS ONE 3 (n12): e3969. doi:10.1371/journal.pone.0003969. Consultado el 12 de febrero de 2021.
- ↑ a b Shaw J.L.V.; Dey S.K.; Critchley H.O.D.; Horne A.W. (2010). y «Current knowledge of the aetiology of human tubal ectopic pregnancy.». Human Reproduction Update 16 (4): 432-444. doi:10.1093/humupd/dmp057. Consultado el 12 de febrero de 2021.
- ↑ Croxatto H.B. (2002). «Physiology of gamete and embryo transport through the Fallopian tube». Reproductive BioMedicine Online (PDF) (Artículo de revisión) (en inglés) 4 (2): 160-169.
- ↑ «salpinge, salpinx». Dicciomed. Universidad de Salamanca.
- ↑ Schiappacasse G., Gana E., Ríos M.I., Soffia P. (2014). «Infección del tracto genital superior femenino: Revisión pictográfica por tomografía computada según clasificación clínica». Revista Chilena de Radiología (SciELO) 20 (1): 31-37. Consultado el 11 de febrero de 2021.
- ↑ Netter, Frank Henry. Sistema reproductor. Elsevier, España. p. 179. ISBN 8445800477.
- ↑ Horne A.W., Brown J.K., Nio-Kobayashi J., Abidin HBZ, Adin ZEHA, Boswell L., Burgess S., Lee K-F., Colin Duncan W. (2014). «The Association between smoking and Ectopic Pregnancy: Why Nicotine Is BAD for Your Fallopian Tube.». PLoS ONE 9: e89400. doi:10.1371/journal.pone.0089400. Consultado el 12 de febrero de 2021.
- ↑ LaQuita Martinez (2019). «Ligadura de trompas». MedlinePlus. Consultado el 25 de enero de 2021.
Enlaces externos
Wikimedia Commons alberga una categoría multimedia sobre sección transversal frontal de genitales femeninos.- Micrografía color INTERACTIVA de la Ampolla. Facultad de Medicina. UdelaR.




