Tuerca


Una tuerca (también matriz,[1] caracola,[2] o porquezuela)[3] es una pieza mecánica con un orificio central, el cual presenta una rosca, que se utiliza para acoplar a un tornillo, en forma fija o deslizante. La tuerca permite sujetar y fijar uniones de elementos desmontables. En ocasiones puede agregarse una arandela para que la unión cierre mejor y quede fija. Las tuercas se fabrican en grandes producciones con máquinas y procesos automatizados. En Argentina se le dice “tuerca” al fanático del automovilismo[4] y la competición.
La rosca de la tuerca siempre debe tener las mismas características geométricas que la rosca del tornillo con el que se acopla, por lo que está normalizada según los sistemas generales de roscas.

Identificación de las tuercas
Existen cuatro características básicas para identificar una tuerca:
- El número de caras. En la mayoría de las tuercas suele ser seis (tuerca hexagonal) o cuatro (tuerca cuadrada). Sobre estos modelos básicos se pueden introducir diversas variaciones. Un modelo de tuerca muy empleado es la palomilla (rueda de las bicicletas, tendederos de ropa, etc.), que contiene dos planos salientes para facilitar el giro de la tuerca empleando solamente los dedos. Se la conoce también como "tuerca tipo mariposa".
- El grosor de la tuerca.
- El diámetro del tornillo que encaja en ella, que no es el del agujero sino el que aparece entre los fondos de la rosca.
- El tipo de rosca, que tiene que coincidir con el del tornillo al que se acopla.
Las tuercas se aprietan generalmente con llaves de boca fija, adaptadas a las dimensiones de sus caras. Cuando se requiere un par de apriete muy exacto se utiliza una llave dinamométrica. En los montajes industriales se utilizan para el apriete rápido herramientas neumáticas. Para apretar tuercas no es aconsejable utilizar tubos o palancas porque se puede romper el tornillo o deteriorarse la rosca al aplicar demasiada fuerza.
Tipos
Existe una gran variedad de tuercas, desde versiones domésticas hasta diseños especializados específicos de la industria que son diseñados para cumplir diversas normas técnicas. Los elementos de fijación utilizados en automoción, ingeniería y aplicaciones industriales normalmente deben apretarse con un par de apriete específico, utilizando una llave dinamométrica. Las tuercas se clasifican con índices de resistencia compatibles con sus respectivos pernos; por ejemplo, una tuerca de clase de propiedad ISO 10 podrá soportar la carga de la tensión de ensayo de un perno de clase ISO 10.9 sin desprenderse. Del mismo modo, una tuerca SAE clase 5 puede soportar la carga de ensayo de un perno SAE clase 5, y así sucesivamente.
| Nombre | También conocida como | Imagen | Descripción |
|---|---|---|---|
| Tuerca bellota (tuerca con sombrerete) | Tuerca hexagonal de corona, tuerca ciega, tuerca con sombrerete, tuerca con sombrerete abovedado |
|
Una tuerca que tiene un extremo abovedado en un lado. |
| Tuerca pasador | Pasador transversal de acero o tuerca de pasador, pasador transversal (carpintería) |
|
Un taco redondo o una pieza de chapa conformada con roscas perpendiculares a la longitud de la tuerca. |
| Tuerca enjaulada | Tuerca enjaulada, tuerca cautiva, tuerca clip |
|
Una tuerca (normalmente cuadrada) en una jaula de acero para muelles que envuelve la tuerca. La jaula tiene dos alas que cuando se comprimen permiten que la jaula se inserte en los agujeros cuadrados |
| Tuerca con clip | Tuerca en J o en U, tuerca de chapa, tuerca rápida (ambiguamente) |
|
Diseñadas para ser clipadas en chapa metálica. |
| Tuerca de acoplamiento | Tuerca de extensión | Un cierre roscado para unir dos roscas macho, más comúnmente una varilla roscada,[1][2] pero también tuberías. | |
| Tuerca de brida | Tuerca de collar |
|
Tiene una pestaña ancha en un extremo que actúa como arandela integrada |
| Tuerca HARDLOCK[5] | Tuerca doble excéntrica, autoblocante | Una tuerca autoblocante. Mejora de la tuerca doble que utiliza un principio de cuña, eliminando el espacio entre roscas. | |
| Tuerca insertada | Enchufe roscado |
|
Enchufe roscado para una pieza de trabajo de madera, similar a un anclaje de pared. |
| Tuerca moleteada | Tuerca de pulgar |
|
Tiene una superficie exterior nervada que facilita el apriete con la mano (tuerca de pulgar) o asegura la tuerca en un mango o tapa (tuerca de inserción). |
| Sex bolt | Tuerca de barril, perno de barril, barril de unión, tornillo de Chicago, poste y tornillo o perno conector |
|
Tiene una pestaña en forma de barril y un saliente que está roscado internamente. |
| Tuerca partida | Dividida longitudinalmente en dos piezas (mitades opuestas) para que su rosca hembra pueda abrirse y cerrarse sobre la rosca macho de un perno o husillo. | ||
| Tuerca manguito | |||
| Tuerca con resorte |
|
Se utiliza con el puntal para unir cosas a la cara abierta del mismo. Las ranuras de su cara encajan en los labios de la cara abierta del canal del puntal, mientras que el muelle empuja contra la cara opuesta, para mantener la tuerca en su sitio. | |
| Tuerca cuadrada |
|
Tuerca de cuatro caras. En comparación con las tuercas hexagonales estándar, las tuercas cuadradas tienen una mayor superficie en contacto con la pieza que se está sujetando, y por lo tanto proporcionan una mayor resistencia al aflojamiento (aunque también una mayor resistencia al apriete) | |
| Tuerca estampada | Tuerca autoblocante | Se utiliza en chapa metálica. Se ancla permanentemente a la chapa estampando el material circundante. | |
| Tuerca en T | tuerca en T, tuerca ciega (ambiguamente) | Se utiliza para fijar una pieza de trabajo de madera, partículas o materiales compuestos, dejando una superficie enrasada. | |
| Tuerca de ranura en T | Tuerca de ranura en T |
|
Se utiliza con una abrazadera roscada para posicionar y asegurar las piezas con las que se trabaja en un taller. |
| Tuerca en cuña |
|
||
| Tuerca soldada |
|
Diseñada para ser soldada a otro objeto. | |
| Tuerca de pozo | Rawlnut o tuerca Rawl (propietaria) |
|
Se utiliza para sujetar a ciegas una pieza y sellar el orificio del tornillo |
| Tuerca mariposa | Tuerca mariposa |
|
Tiene dos grandes "alas" metálicas, una a cada lado, por lo que se puede apretar y aflojar fácilmente con la mano sin herramientas. |
Tuercas con agarre
Existen muchos tipos especializados de tuerca con agarre para resistir el aflojamiento de uniones atornilladas, ya sea proporcionando un par de apriete predominante contra el sujetador macho o sujetándose contra los componentes atornillados. Generalmente se denominan tuercas de seguridad.
- Tuerca almenada
- Tuerca de bloqueo de rosca distorsionada
- Tuerca Centerlock
- Contratuerca de desplazamiento elíptico
- Tuerca Toplock
- Tuerca de rosca interferida
- Tuerca de rosca cónica
- Contratuerca
- Tuerca de chorro (Tuerca K)
- Tuerca Keps (tuerca K o tuerca arandela) con arandela de seguridad tipo estrella
- Tuerca de placa Nyloc
- Tuerca de inserción de polímero (Nyloc)
- Tuerca de seguridad
- Tuerca de cara dentada
- Tuerca de brida dentada
- Tuerca de velocidad (Tuerca de chapa o tuerca Tinnerman)
- Tuerca de viga partida
- Tuerca BINX[6]
Galería
-
De izquierda a derecha: Tuercas mariposa, hexagonales, hexagonales con brida y tuercas para soldar. -
De izquierda a derecha: Tuercas ranuradas, cuadradas (superior), en T (inferior), de casquillo (o bellota), de bloqueo de nylon (vistas superior y lateral) y almenadas. -
Tuercas hexagonales.
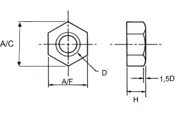
Tamaños de tuerca estándar
Tuercas hexagonales métricas

Tenga en cuenta que los tamaños planos (llave inglesa ) difieren entre los estándares de la industria. Por ejemplo, la llave inglesa o tamaño de llave inglesa de sujetadores utilizados en automóviles fabricados en Japón cumplen con el estándar automotriz JIS.
| Diámetro agujero nominal, D (mm) |
Paso, P (mm) |
A través de pisos, A/F (mm) |
Diámetro external; a través de esquinas, A/C (mm) |
Altura, H (mm) | ||||||
|---|---|---|---|---|---|---|---|---|---|---|
| 1.ª opción |
2.ª opción |
Grueso | Fino | ISO | DIN | JIS | Tuerca hexagonal |
Tuerca Jam |
Tuerca nailon | |
| 1 | 0.25 | 2.5 | ||||||||
| 1.2 | 0.25 | |||||||||
| 1.4 | 0.3 | |||||||||
| 1.6 | 0.35 | 3.2 | ||||||||
| 1.8 | 0.35 | |||||||||
| 2 | 0.4 | 4 | 1.6 | 1.2 | - | |||||
| 2.5 | 0.45 | 5 | 2 | 1.6 | - | |||||
| 3 | 0.5 | 5.5 | 6.4 | 2.4 | 1.8 | 4 | ||||
| 3.5 | 0.6 | 6 | ||||||||
| 4 | 0.7 | 7 | 7 | 7 | 8.1 | 3.2 | 2.2 | 5 | ||
| 5 | 0.8 | 8 | 8 | 8 | 9.2 | 4 | 2.7 | 5 | ||
| 6 | 1 | 0.75 | 10 | 10 | 10 | 11.5 | 5 | 3.2 | 6 | |
| 7 | 1 | 11 | 5.5 | 3.5 | - | |||||
| 8 | 1.25 | 1 | 13 | 13 | 12 | 15 | 6.5 | 4 | 8 | |
| 10 | 1.5 | 1.25 or 1 | 16 | 17 | 14 | 19.6 | 8 | 5 | 10 | |
| 12 | 1.75 | 1.5 or 1.25 | 18 | 19 | 17 | 22.1 | 10 | 6 | 12 | |
| 14 | 2 | 1.5 | 21 | 22 | 19 | 11 | 7 | 14 | ||
| 16 | 2 | 1.5 | 24 | 24 | 22 | 27.7 | 13 | 8 | 16 | |
| 18 | 2.5 | 2 or 1.5 | 27 | 27 | 15 | 9 | 18.5 | |||
| 20 | 2.5 | 2 or 1.5 | 30 | 30 | 30 | 34.6 | 16 | 10 | 20 | |
| 22 | 2.5 | 2 or 1.5 | 32 | |||||||
| 24 | 3 | 2 | 36 | 41.6 | 19 | |||||
| 27 | 3 | 2 | 41 | 41 | ||||||
| 30 | 3.5 | 2 | 46 | 53.1 | 24 | |||||
| 33 | 3.5 | 2 | ||||||||
| 36 | 4 | 3 | 55 | 63.5 | 29 | |||||
| 39 | 4 | 3 | ||||||||
| 42 | 4.5 | 3 | ||||||||
| 45 | 4.5 | 3 | ||||||||
| 48 | 5 | 3 | ||||||||
| 52 | 5 | 4 | ||||||||
| 56 | 5.5 | 4 | ||||||||
| 60 | 5.5 | 4 | ||||||||
| 64 | 6 | 4 | ||||||||
Tuercas hexagonales SAE
| Tamaño UTS |
Diámetro agujero nominal, D |
Paso, P | a través de pisos, A/F |
a través de las esquinas, A/C |
Altura, H | |||||||||||||||||||
|---|---|---|---|---|---|---|---|---|---|---|---|---|---|---|---|---|---|---|---|---|---|---|---|---|
| Grueso (UNC) | Fino (UNF) | Extrafino (UNEF) | Tuerca hexagonal | Tuerca de Jam | Tuerca de nailon | |||||||||||||||||||
| (in) | (mm) | (in) | (mm) | (in) | (mm) | (in) | (mm) | (in) | (mm) | (in) | (mm) | (in) | (mm) | (in) | (mm) | (in) | (mm) | |||||||
| #0 | 5⁄32 | 0.1563 | 3.969 | |||||||||||||||||||||
| #1 | 5⁄32 | 0.1563 | 3.969 | |||||||||||||||||||||
| #2 | 0.086 | 2.1844 | 3⁄16 | 0.1875 | 4.763 | 5.18 | 1.65 | |||||||||||||||||
| #3 | 3⁄16 | 0.1875 | 4.763 | 5.10 | 1.85 | |||||||||||||||||||
| #4 | 0.1120 | 2.8448 | 1⁄4 | 0.2500 | 6.35 | 7.05 | 2.25 | |||||||||||||||||
| #6 | 0.1380 | 3.5052 | 5⁄16 | 0.3125 | 7.938 | 8.95 | 2.85 | |||||||||||||||||
| #8 | 0.1640 | 4.1656 | 11⁄32 | 0.3440 | 8.731 | 0.386 | 9.80 | 3.05 | ||||||||||||||||
| #10 | 0.1900 | 4.8260 | 3⁄8 | 0.3750 | 9.525 | 0.461 | 11.70 | 3.10 | ||||||||||||||||
| #12 | 0.2160 | 5.4864 | 7⁄16 | 0.4375 | 11.113 | |||||||||||||||||||
| 1⁄4 | 1⁄4 | 0.250 | 6.350 | 7⁄16 | 0.4375 | 11.113 | ||||||||||||||||||
| 5⁄16 | 5⁄16 | 0.3125 | 7.9375 | 1⁄2 | 0.5000 | 12.700 | 0.577 | |||||||||||||||||
| 3⁄8 | 3⁄8 | 0.375 | 9.525 | 9⁄16 | 0.5620 | 14.288 | 0.650 | |||||||||||||||||
| 7⁄16 | 7⁄16 | 11⁄16 | 0.6750 | 17.463 | ||||||||||||||||||||
| 1⁄2 | 1⁄2 | 0.500 | 12.70 | 3⁄4 | 0.7500 | 19.050 | 0.866 | |||||||||||||||||
| 9⁄16 | 9⁄16 | 7⁄8 | 0.8750 | 22.225 | ||||||||||||||||||||
| 5⁄8 | 5⁄8 | 15⁄16 | 0.9375 | 23.813 | 1.083 | |||||||||||||||||||
| 3⁄4 | 3⁄4 | 0.750 | 1 1⁄8 | 1.1250 | 28.575 | 1.299 | ||||||||||||||||||
| 7⁄8 | 7⁄8 | 1 5⁄16 | 1.3125 | 33.338 | ||||||||||||||||||||
| 1 | 1 | 1 | 25.40 | 1 1⁄2 | 1.5000 | 38.100 | 1.653 | |||||||||||||||||
Clasificaciones
| Material | Prueba de fuerza | mín. resistencia a la tracción | mín. resistencia última a la tracción | Marcado de tuerca | clase de tuerca | ||
|---|---|---|---|---|---|---|---|
| ISO 898 (Métrico) | |||||||
| Acero de bajo o medio carbono | 380 MPa (55 ksi) | 420 MPa (61 ksi) | 520 MPa (75 ksi) | 5 | |||
| Acero al carbono medio Q&T | 580 MPa (84 ksi) | 640 MPa (93 ksi) | 800 MPa (116 ksi) | 8 | |||
| Aleación de acero Q&T | 830 MPa (120 ksi) | 940 MPa (136 ksi) | 1040 MPa (151 ksi) | 10 | |||
| SAE J995 (Inglés) | |||||||
| Acero de bajo o medio carbono | 55 ksi (379 MPa) | 57 ksi (393 MPa) | 74 ksi (510 MPa) | 2 | |||
| Acero al carbono medio Q&T | 85 ksi (586 MPa) | 92 ksi (634 MPa) | 120 ksi (827 MPa) | 5 | |||
| Aleación de acero Q&T | 120 ksi (827 MPa) | 130 ksi (896 MPa) | 150 ksi (1034 MPa) | 8 | |||
Véase también
Referencias
- ↑ «matriz | Definición | Diccionario de la lengua española | RAE - ASALE».
- ↑ «caracola | Definición | Diccionario de la lengua española | RAE - ASALE».
- ↑ «porquezuela | Definición | Diccionario de la lengua española | RAE - ASALE».
- ↑ «tuerca | Definición | Diccionario de la lengua española | RAE - ASALE».
- ↑ «Un rendimiento de bloqueo fiable utilizando un diseño de dos tuercas». Fastener + Fixing Technology (en inglés). Consultado el 15 de marzo de 2022.
- ↑ fastenerdata.co.uk, consultado el 8 de marzo de 2019..
- ↑ Bickford y Nassar, 1998, p. 153.
Bibliografía
- Millán Gómez, Simón (2012). Procedimientos de Mecanizado. Madrid: Editorial Paraninfo. ISBN 84-9732-428-5.
- Larburu Arrizabalaga, Nicolás (2004). Máquinas. Prontuario. Técnicas máquinas herramientas. Madrid: Thomson Editores. ISBN 84-283-1968-5.
- Bickford, John H.; Nassar, Sayed (1998), Handbook of bolts and bolted joints, CRC Press, ISBN 978-0-8247-9977-9..
- «Threaded fasteners». Machine Design 61 (23): 470. 1989.
Enlaces externos
- www.europer.cl Fabircante de Tuercas lider en chile
Wikimedia Commons alberga una categoría multimedia sobre Tuercas.
Wikcionario tiene definiciones y otra información sobre tuerca.- Estudio de la tuerca Archivado el 14 de febrero de 2018 en Wayback Machine.





.jpg)








