Ultracongelador


Un ultracongelador o congelador de temperatura ultrabaja (ULT, por sus siglas en inglés) es un refrigerador que almacena contenido entre -40 a -86 °C.[1] Un ultracongelador se conoce comúnmente como «congelador de -80», en referencia al estándar de temperatura más común.[2] Los ultracongeladores vienen en formatos de congelador vertical y horizontal.
Uso

En contraste con el almacenamiento de muestras a corto plazo de 4 a -20 °C mediante el uso de refrigeradores o congeladores estándar, muchos laboratorios de biología molecular o ciencias de la vida necesitan la criopreservación a largo plazo (incluidas infraestructuras de cadena de frío) de muestras biológicas como ADN, ARN, proteínas, extractos de células o reactivos. Para reducir el riesgo de daños en las muestras, estos tipos de muestras necesitan temperaturas extremadamente bajas de -80 a -86 °C. Las células de mamíferos a menudo se almacenan en vasos Dewar que contienen nitrógeno líquido a -196 °C.[3] Los congeladores horizontales criogénicos pueden alcanzar temperaturas de hasta -150 °C y puede incluir un respaldo de nitrógeno líquido.
Las muestras biológicas en ultracongeladores a menudo se almacenan en tubos de polímero y microtubos, generalmente dentro de cajas de almacenamiento que comúnmente están hechas de cartón, plásticos de polímero u otros materiales. Los microtubos se colocan en cajas de almacenamiento que contienen una rejilla de divisores que normalmente permiten almacenar 64, 81 o 100 tubos. Los ultracongeladores estándar pueden almacenar aproximadamente de 350 a 450 cajas de microtubos.[4]
Consumo de energía
Debido a la baja temperatura, el ultracongelador consume grandes cantidades de energía eléctrica,[5] y, por lo tanto, su funcionamiento es caro. En 2010, laUniversidad de Stanford tenía más de 2 mil ultracongeladores, que usaban aproximadamente 40 mil millones de BTU de energía y le costaban a la universidad $ 5,6 millones al año. Los ultracongeladores desarrollados más recientemente consumen menos energía.[6]
En los últimos años, algunos científicos han comenzado a sugerir que los laboratorios mantengan los ultracongeladores en -70 °C en lugar de -80 °C para conservar energía y disminuir el desgaste del compresor del congelador.[7][8]
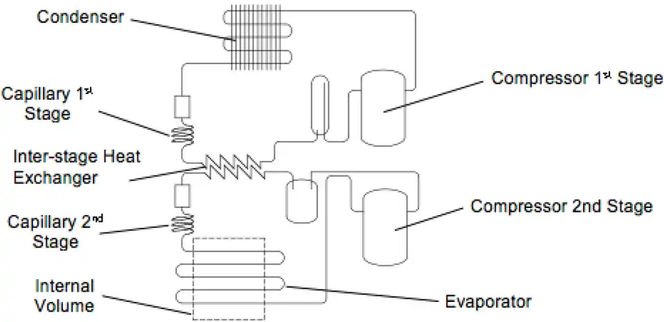
Ciclo de refrigeración
Los ultracongeladores que emplean el sistema de refrigeración en cascada utilizan hasta 20 veces la huella energética de los frigoríficos domésticos y se utilizan para refrigerar con fluidos de gases de efecto invernadero (normalmente hidrofluorocarbono R-508B ).[5] Los ultracongeladores modernos emplean mezclas de gases HC (es decir, hidrocarburos ): típicamente, etano y propano.
_process_schematic_diagram.png)
Véase también
Referencias
- ↑ Gumapas, Leo Angelo M.; Simons, Glenn (2013). «Factors affecting the performance, energy consumption, and carbon footprint for ultra low temperature freezers: Case study at the National Institutes of Health». World Review of Science, Technology and Sustainable Development 10: 129. doi:10.1504/WRSTSD.2013.050786.
- ↑ «Ultra-Low Temperature Freezer Program | Penn Sustainability». www.sustainability.upenn.edu. Archivado desde el original el 27 de enero de 2021. Consultado el 11 de noviembre de 2020.
- ↑ McCullough, Jeffrey (13 de noviembre de 2009). «Long-term Cryopreservation of Human and other Mammalian Cells at −80°C for 8 Years». Transfusion 50 (4): 808-819. PMID 19912586. doi:10.1111/j.1537-2995.2009.02482.x. Consultado el 27 de febrero de 2021.
- ↑ «Cryogenic and Freezer Boxes». Fisher Scientific. Consultado el 27 de febrero de 2021.
- ↑ a b Berchowitz, David; Kwon, Yongrak (2012). «Environmental Profiles of Stirling-Cooled and Cascade-Cooled Ultra-Low Temperature Freezers». Sustainability 4 (11): 2838-2851. doi:10.3390/su4112838.
- ↑ Dickey, Gwyneth (2 de junio de 2010). «Freezer Retirement Program: Out with the cold, in with the new». Stanford University (en inglés). Consultado el 11 de noviembre de 2020.
- ↑ «To find hacks for greening your lab, start with the freezer». Chemical & Engineering News (en inglés). Consultado el 11 de noviembre de 2020.
- ↑ «Cold Storage». Green Labs: MIT. Consultado el 11 de noviembre de 2020.
Enlaces externos
- Esta obra contiene una traducción derivada de «ULT freezer» de Wikipedia en inglés, publicada por sus editores bajo la Licencia de documentación libre de GNU y la Licencia Creative Commons Atribución-CompartirIgual 4.0 Internacional.