Rectificador

Un rectificador es un circuito o etapa que recibe una tensión alterna y elimina los semiciclos negativos, en algunos casos los transforma en positivos. Es el primer paso para convertir la corriente alterna en corriente continua, seguido de una etapa de filtrado y luego otra de regulación.[1] Esto se realiza utilizando diodos rectificadores, ya sean semiconductores de estado sólido, válvulas al vacío o válvulas gaseosas como las de vapor de mercurio (actualmente en desuso).
Dependiendo de las características de la alimentación en corriente alterna que emplean, se les clasifica en monofásicos, cuando están alimentados por una fase de la red eléctrica, o trifásicos cuando se alimentan por tres fases.
Atendiendo al tipo de rectificación, pueden ser de media onda, cuando solo se utiliza uno de los semiciclos de la corriente, o de onda completa, donde ambos semiciclos son aprovechados.
El tipo más básico de rectificador es el rectificador monofásico de media onda, constituido por un único diodo entre la fuente de alimentación alterna y la carga.
Bobina monofásica no controlada
La rectificación no controlada requiere un estudio previo de las necesidades, ya que el circuito rectificador tan solo funcionará de la forma correcta si todas las condiciones de contorno con las que se ha realizado el cálculo se cumplen. Es decir, tanto la tensión de entrada como la carga RL han de ser las especificadas.
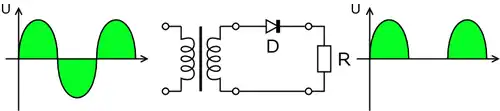
Circuitos rectificadores de media onda

Es construido con un diodo ya que este puede mantener el flujo de corriente en una sola dirección, se puede utilizar para cambiar una señal de CA a una de CC. En la figura I. se muestra un circuito rectificador de media onda. Cuando la tensión de entrada es positiva, el diodo se polariza en directo y se puede sustituir por un corto circuito. Si la tensión de entrada es negativa el diodo se polariza en inverso y se puede reemplazar por un circuito abierto. Por tanto cuando el diodo se polariza en directo, la tensión de salida a través de la carga se puede hallar por medio de la relación de un divisor de tensión. Sabemos además que el diodo requiere 0.7 voltios para polarizarse, así que la tensión de salida está reducida en esta cantidad (este voltaje depende del material de la juntura del diodo). Cuando la polarización es inversa, la corriente es cero, de manera que la tensión de salida también es cero. Este rectificador no es muy eficiente debido a que durante la mitad de cada ciclo la entrada se bloquea completamente desde la salida, perdiendo así la mitad de la tensión de alimentación. El voltaje de salida en este tipo de rectificador es aproximadamente 0.45 veces el voltaje eficaz de la señal de entrada (este 0.45 surge de calcular ). La forma de onda que observamos a la salida se muestra en la figura I.
Circuitos rectificadores de onda completa
Un rectificador de onda completa convierte la totalidad de la forma de onda de entrada en una polaridad constante (positiva o negativa) en la salida, mediante la inversión de las porciones (semiciclos) negativas (o positivas) de la forma de onda de entrada. Las porciones positivas (o negativas) se combinan con las inversas de las negativas (positivas) para producir una forma de onda parcialmente positiva (negativa).
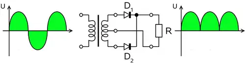
Rectificador de onda completa mediante dos diodos con transformador de punto medio

El circuito, representado en la Figura 2, funciona como sigue:
El transformador convierte la tensión alterna de entrada en otra tensión alterna del valor deseado, esta tensión es rectificada durante el primer semiciclo por el diodo D1 y durante el segundo semiciclo por el diodo D2, de forma que a la carga R le llega una tensión continua pulsante muy impura ya que no está filtrada ni estabilizada.
En este circuito tomamos el valor de potencial 0 en la toma intermedia del transformador.
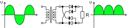
Rectificador de onda completa tipo puente doble de Graetz
Se trata de un rectificador de onda completa en el que, a diferencia del anterior, sólo es necesario utilizar transformador si la tensión de salida debe tener un valor distinto de la tensión de entrada.
En la Figura 3 está representado el circuito de un rectificador de este tipo.

A fin de facilitar la explicación del funcionamiento de este circuito vamos a denominar D-1 al diodo situado más arriba y D-2, D-3 y D-4 a los siguientes en orden descendente.
- Durante el semiciclo en que el punto superior del secundario del transformador es positivo con respecto al inferior de dicho secundario, la corriente circula a través del camino siguiente:
Punto superior del secundario --> Diodo D-1 --> (+)Resistencia de carga R(-) --> Diodo D-4 --> punto inferior del secundario.
- En el semiciclo siguiente, cuando el punto superior del secundario es negativo y el inferior positivo lo hará por:
Punto inferior del secundario --> Diodo D-2 --> (+)Resistencia de carga R (-) --> Diodo D-3 --> punto superior del secundario.
En este caso, vemos como circula corriente por la carga, en el mismo sentido, en los dos semiciclos, con lo que se aprovechan ambos y se obtiene una corriente rectificada más uniforme que en el caso del rectificador de media onda, donde durante un semiciclo se interrumpe la circulación de corriente por la carga.
En ambos tipos de rectificadores de onda completa, la forma de onda de la corriente rectificada de salida, será la de una corriente continua pulsatoria, pero con una frecuencia de pulso doble de la corriente alterna de alimentación.
Filtrado
Como se puede apreciar en las Figuras 2 y 3 la corriente obtenida en la salida de los rectificadores no es propiamente continua y dista mucho de ser aceptablemente constante, lo que la inutilizaría para la mayoría de las aplicaciones electrónicas.
Para evitar este inconveniente se procede a un filtrado para eliminar el rizado de la señal pulsante rectificada. Esto se realiza mediante filtros RC (resistencia-capacitancia) o LC (inductancia-capacitancia), obteniéndose finalmente a la salida una corriente continua con un rizado que depende del filtro y la carga, de modo que sin carga alguna, no existe rizado. Debe notarse que este filtro no es lineal, por la existencia de los diodos que cargan rápidamente los condensadores, los cuales a su vez, se descargan lentamente a través de la carga.
La tensión de rizado (Vr) será mucho menor que V si la constante de tiempo del condensador R·C es mucho mayor que el período de la señal. Entonces consideraremos la pendiente de descarga lineal y, por tanto, Vr = Vpico·T / (R·C) Siendo R·C la cte de tiempo del condensador, T el período de la señal y Vpico la tensión de pico de la señal.
Rectificación monofásica controlada
Es un tipo de regulación mucho más complicada de implementar, pero proporciona un control total de la carga. El esquema de este tipo de rectificadores sería como el de los anteriormente expuestos, añadiendo entre la carga y la salida rectificada, de forma conceptual, un interruptor. Este 'interruptor' denominados tiristores (SCR) permitiría cortar el paso de la señal dentro de un ángulo correspondiente entre 0 y 180 grados de la onda Senoidal, permitiendo un control de potencia dentro de esos ángulos de disparo.
Cabe añadir que la complejidad reside en el diseño del sistema de control, donde el 'interruptor' conceptual ha de ser sustituido por un circuito tan complicado como requiera el dispositivo.
Rectificador Síncrono (o sincrónico)
Hay aplicaciones en las que la caída de tensión directa en los diodos (VF) causa que tengan una baja eficiencia, como el caso de algunos convertidores DC-DC. Un rectificador síncrono sustituye los diodos por transistores MOSFET, gobernados por un circuito de control que los corta cuando la tensión entra en su ciclo negativo. Esta técnica tiene tres ventajas frente a los diodos:
- No existe VF en un MOSFET. Este se comporta como una resistencia (RON) de modo que conduce con cualquier valor de tensión (V>0), mientras que un diodo necesita V>VF, lo que es de suma importancia en circuitos alimentados a muy baja tensión.